НЕМА 14 Стремительные двигатели 180mN.M Нема 14 Стремительный двигатель Планетарный редуктор передач
NEMA 14 2A Степной двигатель 1.9V 4000 мН.м Планетарный двигатель редуктора передач
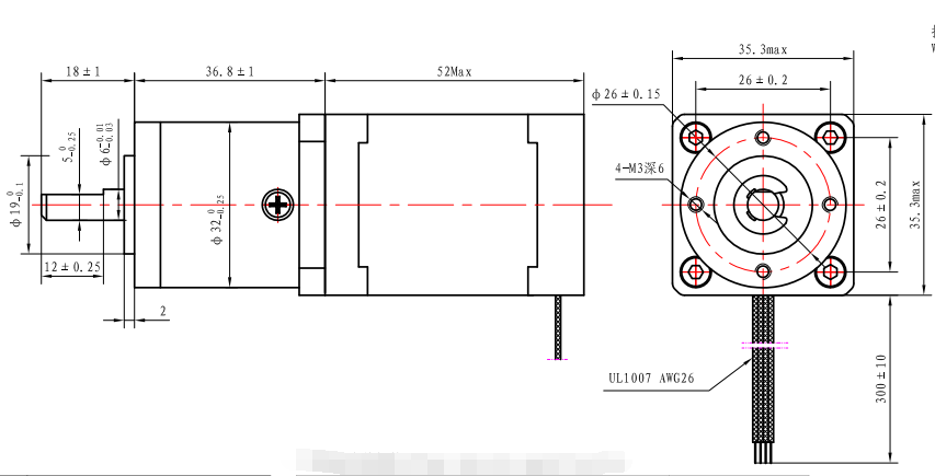
Соотношение сокращения передач 13:1 Высокоэффективный планетарный редуктор коробки передач Nema 14 шаговый двигатель
52-мм гибридный шаговый мотор предлагает мощный крутящий момент в различных размерах.
Использование с микростеппинг-дирижером для уменьшения вибрации и достижения более высокого разрешения шага.
Выберите базовую версию или запросите свою собственную настраиваемую конфигурацию.
Особенности:

|
Степь Ангел
|
1.8 ° |
|
Размер рамы
|
35 мм |
|
Количество фаз
|
Фаза 2 |
|
Номинальный ток
|
2.0 А |
|
Поддерживающий момент
|
4000 мН.м. |
|
Сопротивление
|
0.95 ом |
|
Индуктивность
|
10,4 мГ |
|
Инерция ротора
|
28 г/см2 |
|
Масса двигателя
|
00,5 кг |
|
Соотношение уменьшения скорости передач
|
13:1 |
|
Соединение
|
Биполярный |
Двигатель
Угол шага: 1,8°
Максимальная температура: 80°C максимум
Температура окружающей среды: от -20 до 50 °C
Температура хранения -20 °C-100 °C
Диапазон влажности воздуха (%): 85% или менее, неконденсирующий
Изоляция из магнитных проводов: Класс B 130°C
Сопротивление изоляции: 100 МОм при 500 ВДК
Диэлектрическая прочность: 500 VDC в течение 1 мин.
Коробка передач
Материал корпуса:Металл
Подшипник на выходе:Круглое подшипники
Максимальная радиальная нагрузка ((12 мм от фланца): ≤ 80 Н
Максимальная осевая нагрузка вала: ≤ 30N
Радиальная пробежка вала (вблизи фланца): ≤ 0,06 м
Осевое разложение вала: ≤ 0,3 мм
Отторжение при отсутствии нагрузки: ≤1,5°
| Длина двигателя | Длина коробки передач | Райо | Эффективность | ||
| 26 мм 34 мм 40 мм |
29.1 мм | 3.71 | 90% | ||
| 5.18 | |||||
| 36.8 мм | 13.76 | 80% | |||
| 19.2 | |||||
| 26.8 | |||||
| 44.6 мм | 51 | 70% | |||
| 71 | |||||
| 99.5 | |||||
| 139 | |||||
Скачать
Частые вопросы
1. кто мы?
Мы базируемся в Гуандун, Китай, начиная с 2011 года, продаем на внутренний рынок ((63.00%), Западная Европа ((12.00%), Северная Америка ((9.00%), Восточная Азия ((8.00%), Северная Европа ((2.00%), Восточная Европа ((00.00%),Юго-Восточная Азия.00%), Океания ((00.00%), Ближний Восток ((00.00%), Южная Европа ((00.00%), Южная Азия ((00.00%). Всего в нашем офисе около 51-100 человек.
2. как мы можем гарантировать качество?
Всегда образец предварительного производства перед серийным производством;
Всегда окончательный осмотр перед отправкой;
3Что вы можете купить у нас?
Степной двигатель, BLDC-мотор
4Почему вы покупаете у нас, а не у других поставщиков?
Мы специализируемся на производстве и продаже шаговых двигателей более 11 лет.
5Какие услуги мы можем предоставить?
Принятые условия доставки: FOB, CFR, CIF, EXW, экспресс-доставка;
Принятая валюта платежа:USD,CNY;
Принятый вид оплаты: T/T,L/C,D/P D/A,,PayPal;
Язык: английский,китайский,японский
