Измерение коррозии EIS Potentiostat CS350M
Модель потенциостата/гальваностата EIS CS350Mcнабор генератора произвольной функции DDS, высокомощный потенциостат/гальваностат, двухканальный анализатор корреляции,двухканальные высокоскоростные 16-битные/высокоточные 24-битные конвертеры и интерфейсы расширенияМаксимальный ток составляет ±2А, диапазон потенциала ±10В. Диапазон частоты EIS составляет 10uHz ~ 1MHz. Он может использоваться для различных электрохимических областей, таких как коррозия, энергия, материалы и электроанализ.Ток может быть увеличен до 20A / 40A с помощью усилителя тока CS2020B / CS2040BМодель CS350M EIS potentiostat /galvanostat включает более 40 электрохимических методов, включая OCP, EIS, LPR, CPP, Tafel, кривую поляризации, которые широко используются для измерения коррозии.
Заявления
● Исследование коррозии и оценка коррозионной устойчивости металлов; быстрая оценка ингибиторов коррозии, покрытий и эффективности катодной защиты
CS350M EIS потенциостат/гальваностат - это комплексная модель со всеми электрохимическими методами, она также может использоваться в следующих областях и других.
● Исследование энергетических материалов (литий-ионные батареи, солнечные батареи, топливные батареи, суперконденсаторы), передовые функциональные материалы
● Электрокатализ (HER, OER, ORR, CO2RR, NRR)
● Электросинтез, электропластировка/электродепозиция, анодное окисление, электролиз
| Спецификации потенциостата CS350M | |
| Система поддержки 2-х, 3-х или 4-х электродов | Диапазон потенциала и тока: автоматический |
| Диапазон управления потенциалом: ±10В | Диапазон управления током: ±2A |
| Точность потенциального управления: 0,1% × полный диапазон±1 мВ | Точность управления током: 0,1% × полный диапазон |
| Разрешение потенциала: 10μV (>100Hz),3μV (<10Hz) | Чувствительность тока:1pA |
| Время подъема: <1μs (<10mA), <10μs (<2A) | Импеданс входа на эталонный электрод:1012Посмотрите на себя. |
| Диапазон тока: 2nA ~ 2A, 10 диапазонов | Напряжение соответствия: ±21V |
| Максимальный выходный ток: 2A | Скорость сканирования CV и LSV: 0,001mV~10,000V/s |
| Ширина импульсов CA и CC: 0,0001 ~ 65,000s | Увеличение тока во время сканирования: 1mA@1A/ms |
| Повышение потенциала во время сканирования: 0,076mV@1V/ms | Частота SWV: 0,001 ~ 100 кГц |
| Ширина импульсов DPV и NPV: 0,0001 ~ 1000s | Приобретение данных AD: 16 бит@1 МГц, 20 бит@1 кГц |
| Разрешение DA: 16 бит, время настройки: 1 мкм | Минимальный потенциальный прирост ВВ: 0,075 мВ |
| Частота IMP: 10μHz~1MHz | Фильтры низкого пропускания: охватывающие 8 лет |
| Операционная система: Windows 10/11 | Интерфейс: USB 2.0 |
| Вес / Размеры: 6,5 кг, 36,5 х 30,5 х 16 см | |
| EIS (электрохимическая импедансная спектроскопия) | |
| Генератор сигнала | |
| Диапазон частот:10μHz~1MHz | Амплитуда переменного тока:1mV~2500mV |
| Дисплейное преимущество: -10 ~ +10В | Выходное сопротивление: 50Ω |
| Форма волны: синусная, треугольная и квадратная волны | Извращение волны: < 1% |
| Режим сканирования: логарифмический/линейный, увеличение/уменьшение | |
| Анализатор сигнала | |
| Интегральное время: минимум:10 мс или самое длительное время цикла | Максимальное:106циклы или 105с |
| Задержка измерения: 0~105с | |
| Компенсация за смещение постоянного тока | |
| Диапазон потенциальной автоматической компенсации: -10V~+10V | Диапазон компенсации тока: -1A~+1A |
| Пропускная способность: диапазон частот 8 десятилетий, автоматическое и ручное настройки | |
Техники - Потенциостат CS350M
Стабильная поляризация
Потенциал открытой цепи (OCP), потенциостатический (кривая I-T), гальваностатический, потенциодинамический (график Тафеля), гальванодинамический (DGP)
Периодическая поляризация
Много возможных шагов,Многоканальные шаги,Потенциальный шаг по лестнице (VSTEP),Гальваническая лестница-ступень (ISTEP)
Метод хроно
Хронопотенциометрия (CP),хроноамперметрия (CA), хронокаулометрия (CC)
Вольтметрия
Линейная вольтметрия считывания (LSV),Цилическая вольтметрия (CV),Вольтметрия лестницы (SCV) #,Квадратная волновая вольтметрия (SWV) #,Дифференциальная пульсовольтметрия (DPV) #,Нормальная пульсовольтметрия (НПВ) #,Дифференциальная нормальная пульсовольтметрия (DNPV) #,Вольтметрия переменного тока (ACV),2ндгармоническая напряженность переменного тока (SHACV),Трансформация Фурье переменной напряженности (FTACV)
Измерения коррозии
Кривая циклической поляризации (CPP),Линейная кривая поляризации (LPR), электрохимическая потенциокинетическая реактивация (EPR), электрохимический шум (EN), амперметр нулевого сопротивления (ZRA)
Электрохимическая импедансная спектроскопия (EIS)
Потенциостатическая ЭИС (Nyquist, Bode),Гальваностатическая ЭИС,Потенциостатическая EIS (необязательная частота),Гальваностатическая EIS ((Необязательная частота),Мотт-Шоттки,Потенциально-статическая EIS против времени (одиночная частота),Гальваностатический EIS против времени (одинкочастота)
Испытание батареи
Зарядка и разрядка аккумулятора, гальваностатическое зарядка и разрядка (GCD), потенциостатическое зарядка и разрядка (PCD), потенциостатическая интермитантная титрация (PITT),Техника гальваностатической интермитантной титрации (GITT)
Амперометрический
Дифференциальная импульсная амперометрия (DPA), двойная дифференциальная импульсная амперометрия (DDPA), тройная импульсная амперометрия (TPA), интегрированное импульсное амперометрическое обнаружение (IPAD)
Расширения
Электрохимическое стриппинг/депозиция, массовый электролиз с кулометрией (BE), Rs измерение
Измерение коррозии
CS350M потенциостат гальваностат включает все электрохимические методы измерения коррозии, такие как OCP, кривая поляризации (потенциодинамическая), EIS,Циклическая поляризация CPP (кривая пассивации), Электрохимическая потенциокинетическая реактивация (EPR), испытание диффузии водорода, ZRA, электрохимический шум и т. д. Он может быть использован для изучения механизма коррозии металлов и коррозионного сопротивления,и оценить долговечность покрытия и эффективность жертвенного анодаОн также может быть использован для быстрой скрининга ингибиторов коррозии, фунгицидов и т. д.

Кривые поляризации ти-сплава и нержавеющей стали в 3% растворе NaCl

ECN низкоуглеродистой стали в 0,05mol/LCl+0,1mol/LNaHCO3
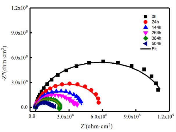
Потенциостат гальваностат CS350M использует алгоритм корреляционного интеграла и двухканальный метод переборки проб и обладает сильной антиинтерферентной способностью.Внутреннее сопротивление прибора до 1013Ω. Подходит для измерений EIS высокоимпедантной системы (такой как покрытие, бетон и т.д.)

Испытание старения высокоимпедантного покрытия соляным спреем
Преимущества
Полное плавание
Все Corrtest потенциостаты гальваностаты спроектированы как полностью плавающие, и могут быть использованы для электрохимического исследования рабочего электрода, соединяющегося с землей, таких как автоклав, металлическая часть в мосту,бетон
Хранение данных в реальном времени
Для потенциостата Corrtest данные могут храниться в режиме реального времени. Даже если испытание прерывается сбоем питания, данные будут автоматически сохранены.
Электрохимическая импедансная спектроскопия EIS
● Corrtest потенциостат использует алгоритм корреляционного интеграла и двухканальный метод переборки, и имеет сильную антиинтерференцию.13Он подходит для измерений EIS высокоимпедантной системы (такой как покрытие, бетон и т. д.)
● С помощью постоянного носителя тока и технологии предвзятости постоянного тока, потенциостат Corrtest может использоваться для измерения импеданса батареи в состоянии заряда и разряда,подходящий для системы с очень низким сопротивлением (например, батарея 18650, аккумулятор мягкого пакета, ядро аккумулятора...)
Многоэлектродная система
● Поддержка 2-, 3-, 4-электродного системы, может быть использована для проверки внутреннего сопротивления батареи или 4-электродного измерения емкости тонкой пленки
● С амперметром с нулевым сопротивлением для измерения гальванического тока
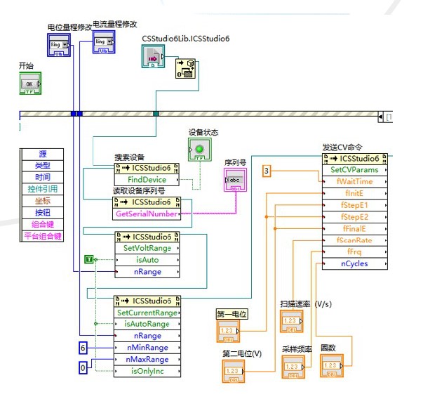
Комплект разработки программного обеспечения (SDK)
Мы можем предоставить вторичные интерфейсы разработки, общие интерфейсы API и примеры разработки, и мы можем реализовать вызов данных для Labview, C, C++, C#, VC и других программ,который удобен для вторичной разработки и настройки методов испытаний.

Высокий ток, высокий уровень соответствия
● С помощью усилителя CS2020B/CS2040B ток может быть увеличен до 20A/40A, что отвечает требованиям топливных элементов, батарей, электропластировки и т.д.
●Может настроить прибор на 30В высокое напряжение соответствия, которое отвечает требованиям испытаний в решениях с низкой проводимостью (органическая система, бетонная система и т.д.),особенно подходит для исследования углеродного и азотного сокращения.
Универсальный анализ данных
CS Studio - это программное обеспечение для Corrtest potentiostat для управления экспериментами и анализа данных.анализ интеграции и пиковой высоты вольтметрической кривой, настройка эквивалентной схемы EIS и установка импедантного спектра и т.д.
● Многопараметрическая кривая поляризации
● Установка EIS
● Электрохимический анализ шума
● Вычисление псевдоемкости
● Специфическая емкость GCD, эффективность
● Анализ графика Мотт-Шоттки
● анализ резюме
Испытание комбинации
Программное обеспечение CS studio поддерживает комбинированное тестирование для различных экспериментов для достижения гибких и эффективных результатов.
Вы можете установить параметры для каждого эксперимента заранее, и установить интервалы, время ожидания и т.д. между каждым экспериментом.
Например, на рисунке ниже пользователь устанавливает программу для измерения коррозии.

Комбинированное испытание: измерения коррозии
Особенности программного обеспечения
Циклическая вольтметрия:Программное обеспечение CS studio предоставляет пользователям универсальный комплект сглаживания/дифференциала/интеграции, который может завершить расчет высоты пика, площади пика и пикового потенциала кривых CV.при анализе данных, есть функция выбора точных циклов для отображения.

Площадка тафеля и скорость коррозии:CS studio также обеспечивает мощное нелинейное приспособление на уравнении Батлера-Волмера кривой поляризации.сопротивление поляризацииОн также может рассчитывать плотность спектра мощности, сопротивление шуму и сопротивление спектра шума на основе измерений ECN.

Анализ EIS:Боде, Найквист, Мотт-Шоттки
Во время анализа данных EIS существует встроенная функция монтажа, позволяющая нарисовать эквивалентную схему по заказу.

Часто задаваемые вопросы
Вопрос: Могу ли я установить и просмотреть программное обеспечение без подключения Corrtest potentiostat перед покупкой?
А:Да, в нашем стандартном программном обеспечении есть демонстрационный режим, мы можем отправить вам программное обеспечение, и вы можете запустить его и посмотреть, как оно работает, даже без потенциостата.
Вопрос: Какой стандартный запас потенциостата CS350M гальваностата?
А:Хост прибора CS350M x1, программное обеспечение студии CS x1, кабель питания x1, кабель USB x1, кабель электрода x2, фиктивная ячейка x1, руководство
Вопрос: Для измерения коррозии, можете ли вы порекомендовать некоторые аксессуары?
А:Да, мы также поставляем все виды электродов и элементов; для измерения коррозии вы можете выбрать стеклянный элемент CS930, насыщенный каломельный эталонный электрод CS900, счетчик электрода CS910 PtCS921 Электрод для обработки металлов, CS946 держатель образца и т.д.
Вопрос: Я новичок в измерении коррозии и раньше не использовал потенциостат Corrtest.
А:Да. Наряду с потенциостатом, мы предоставляем подробные руководства и обучающие видео. Мы также можем организовать онлайн-обучение о том, как использовать потенциостат. Даже если вы новичок в области коррозии, не волнуйтесь,мы можем дать советы и руководство, поскольку у нас есть профессиональная техническая команда, все с электрохимическим и коррозионным опытом (магистр или доктор).
Вопрос: Как насчет послепродажного обслуживания?
А:1Гарантийный срок: 5 лет. Все технические услуги, включая ремонт, полностью бесплатны.
2. Предоставьте руководство по установке и руководство, видео установки программного обеспечения.
3. Пожизненное бесплатное обновление программного обеспечения той же модели и техническое обслуживание
Вопрос: Поскольку в моей стране электрическое напряжение/частота отличается от Китая, совместим ли потенциостат CS350M с энергосистемой нашей страны?
Если мы знаем ваше место назначения, мы убедимся, что потенциостат Кортеса совместим с местными устройствами, напряжением, частотой, языком,Вы можете просто подключить и использовать его напрямую без забот.