Трехфазный четырехпроводный фильтр 2250VDC линия к земле EMI фильтр 10A ~ 100A
Типичные применения:
Приложения, требующие высокочастотного затухания:Текстильные машины, Пищевые машины,Элеваторы,Устройства цифрового управления и т.д.
Высокопроизводительное офисное оборудование:автоматическое оборудование, упаковочные машины, печатные машины, распределительные машины и т.д.
Силовые источники:Силовые источники инвертора,Высокочастотный алюминиевый оксид переключатель питания,SPS,UPS,И так далее.
Офисное оборудование и оборудование для обработки данных:Факс-машина, ПАБКС и т.д.
Техническая спецификация:
|
Положение |
Три фазы четыре проволочного фильтра |
|
Модель |
YX93G3-30A-S |
|
Функция передачи |
Низкий проход |
|
Тип упаковки |
Поверхностный монтаж |
|
Номинальная частота центра |
10K-30MHZ |
|
Потеря вставки |
60 ~ 90 дБ |
|
Импеданс ввода |
50Ω |
|
Номинальное напряжение |
380V/440V |
|
Номинальный ток |
1А-100А |
|
Температура окружающей среды |
40°C |
|
Температурный диапазон |
25 / 085 / 21 |
|
Частота работы |
50/60 Гц |
|
От линии к линии |
1450VDC |
|
Линия к земле |
2250VDC или 2000VAC |
|
Максимальный ток утечки |
380VAC/60HZ 1,4mA Максимально 440VAC/60HZ 2,5mA Максимально |
|
МОК |
10 шт. |
|
Цена |
USD3,8~98/м |
|
Продолжительность |
3 ~ 15 рабочих дней для трехфазного фильтра EMI |
Особенности:
1. --- серия YX93-G.
2. --- Номинальный ток 1 ~ 1200A
3. --- Снижение высокой частоты может достигать 300 МГц
4--- Можно использовать стандартное напряжение 440 и 520 ватт.
Таблица выбора фильтра:
| Часть No. | Дело | Номинальные токи (A) | Выходные соединения |
| YX93G3-10A | G3 | 10 | Винт M4/M6/M8 |
| YX93G3-20A | G3 | 20 | |
| YX93G3-30A | G3 | 30 | Терминальный блок |
| YX93G3-40A | G3 | 40 | |
| YX93G3-50A | G3 | 50 | Медные прутки |
B: Медный стержень
S: Шрубная лопатка
T: Терминальный блок
Таблетки:
|
Модель No. |
Номинальный ток |
Варианты терминала* |
Ток утечки 440V/50Hz |
Электрическая схема |
Номинальное напряжение ((V) |
Рабочая частота ((Hz) |
||||||||||||||||||||||||||||||
|
|
||||||||||||||||||||||||||||||||||||
|
|
|
|
||||||||||||||||||||||||||||||||||
|
YX93G2-3A |
3А |
Q. |
S |
T |
< 5,0 мА |
Фиг.1 |
250/440 В |
50/60 Гц |
||||||||||||||||||||||||||||
|
YX93G2-6A |
6А |
Q. |
S |
T |
Фиг.1 |
|||||||||||||||||||||||||||||||
|
YX93G2-10A |
10А |
Q. |
S |
T |
Фиг.1 |
|||||||||||||||||||||||||||||||
|
YX93G3-15A |
15А |
Q. |
S |
T |
Фиг.1 |
|||||||||||||||||||||||||||||||
|
YX93G3-20A |
20А |
- |
S |
T |
Фиг.1 |
|||||||||||||||||||||||||||||||
|
YX93G3-25A |
25А |
- |
S |
T |
Фиг.1 |
|||||||||||||||||||||||||||||||
|
YX93G3-30A |
30А |
- |
S |
T |
Фиг.1 |
|||||||||||||||||||||||||||||||
|
YX93G5-40A |
40А |
- |
S |
T |
< 10,0 мА |
Фиг.1 |
||||||||||||||||||||||||||||||
|
YX93G5-50A |
50А |
- |
S |
T |
Фиг.1 |
|||||||||||||||||||||||||||||||
|
YX93G4-60A |
60А |
- |
S |
T |
Фиг.1 |
|||||||||||||||||||||||||||||||
|
YX93G4-70A |
70А |
- |
S |
T |
Фиг.1 |
|||||||||||||||||||||||||||||||
|
YX93G4-80A |
80А |
- |
S |
T |
Фиг.1 |
|||||||||||||||||||||||||||||||
|
YX93G4-100A |
100А |
- |
S |
T |
< 20,0 мА |
Фиг.1 |
||||||||||||||||||||||||||||||
|
YX93G4-130A |
130А |
- |
S |
T |
Фиг.1 |
|||||||||||||||||||||||||||||||
|
YX93G6-150A |
150A |
- |
S |
T |
Фиг.1 |
|||||||||||||||||||||||||||||||
|
YX93G6-200A |
200А |
- |
S |
T |
Фиг.1 |
|||||||||||||||||||||||||||||||
* Q: быстро на 6,35x0,8 мм
S: Шрубная лопатка
T: Терминальный блок
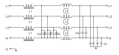
Электрическая схема:

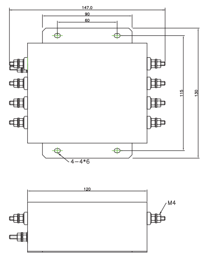
Механические размеры (Единица: мм)


YX93G3-30A-S Трифазный фильтр
Частые вопросы
1Что вы можете предложить?
A: Мы можем поставлять индивидуальный EMI Power Filter, 3-фазный EMI Filter, EMI EMC Filter и так далее, все виды EMI Filter.
2Есть ли OEM и ODM?
О: Да, они. Как профессиональный производитель фильтров питания EMI, мы предлагаем услуги OEM и ODM.
Вопрос: Каковы ваши основные продукты?
Ответ: Нашими основными продуктами являются EMI Power Filter.
4Как насчет гарантии на товар?
О: Мы предлагаем гарантию на один год после доставки.
5Как насчет послепродажной поддержки?
О: Мы будем предлагать своевременный ответ на онлайн-запросы от зарубежных пользователей. Пожалуйста, не стесняйтесь обращаться к нам по электронной почте, Ali-Trade, WhatsApp, WeChat и SKYPE.