фильтр RFI фильтра EMI 3 проводов 80A 60HZ трехфазный сильнотоковый для поручая станции кучи
Трехфазный фильтр EMI 3 проводов:
YX82G7-75A-T трехфазный фильтр 3 проводов конструированный для уменьшения или для того чтобы исключить существования электромагнитного взаимодействия в трехфазной электрической системе. Трехфазные электропитания использованы в много промышленном и коммерческих применениях для того чтобы обеспечить более эффективное и более стабилизированное электропитание чем однофазные электропитания.
Особенности трехфазного фильтра RFI:
1. Общецелевой фильтровать 3-провода
2. Расклассифицированные течения от 1 к 100A
3. Защита против взаимодействия напряжения тока
4. Оценка 440VAC напряжения тока для всемирного принятия
5. использованный как главный фильтр входного сигнала, фильтры YX82 могут держать систему надежный путем задерживать помехи наводимого по линиям питания.
6. подгонянные продукты согласно требованиям к клиента
Применения фильтра EMI YX82G7:
-- Системы главного компьютера
-- Конторские машины наивысшей мощности
-- UPS/SMPS
-- Оборудование автоматизации
Технические параметры:
|
Серия продукта |
Трехфазный фильтр EMI |
|
Модель нет. |
YX82G7-75A-T |
|
Передающая функция |
Низкопроходный |
|
Тип пакета |
Поверхностный держатель |
|
Номинальная разбивочная частота |
10K-30MHZ |
|
Вносимая потеря |
60~90dB |
|
Входное комплексное сопротивление |
50Ω |
|
Расклассифицированное напряжение тока |
380V-520V |
|
Расклассифицированное течение |
1~200A |
|
Экологическая температура |
40°C |
|
Диапазон температур |
25 / 085/21 |
|
Равочая частота |
50/60HZ |
|
Линия - - линия |
2250VDC |
|
Линия, который нужно смолоть |
2750VDC |
|
Линия к нейтральной линии |
1450VDC |
|
Максимальное течение утечки |
520VAC/50HZ 25mA Макс |
Правило выставления:
YX----82---------G7--------75A----------T
| | | |
цепь случай настоящий соединение: Терминальные блоки
Изображение продукта фильтра YX82G7-75-T RFI:

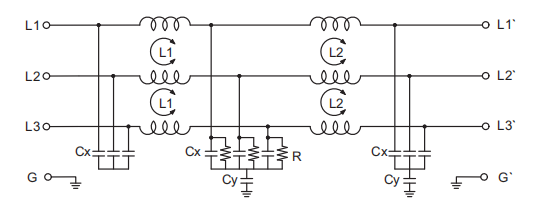
Электрическая схема:

Механический размер (блок: mm)

Таблица вносимой потери (в системе 50ohm согласно IEC/CISPR No.17)

Изображения нашей фабрики:


Патенты и аттестации:

вопросы и ответы:
Q: Что главные продукты вашей компании?
: Фильтр EMI гнезда входа IEC, однофазный фильтр, трехфазный фильтр RFI, шумовой фильтр прибора дома, фильтр медицинского оборудования, EMC инвертора/конвертера фильтр, etc.
Q: Как качество вашего продукта?
: Все наши продукты имеют UL пропуска, TUV, CE, ROHS, утверждение ISO9001. что обеспечивает качество продукта.
Q: Что обслуживания доступные для заказов пре-серии?
: Свободные образцы и выпрямление EMC технические обслуживания поставленная перед-продажа
Q: Что после-продажи обслуживаний доступные?
: Свободная замена в пределах трехмесячного, свободного обслуживания в пределах шестилетнего, бессрочного обслуживания.
Q: Какие объекты вы имеете?
: Мы имеем наше собственное основание лаборатории и продукции для того чтобы установить крупносерийное производство.
Q: Что срок поставки для 1000pcs ФИЛЬТРА EMI?
: Нормально 20-25 дней, но мы можем координировать на лучший срок поставки если он срочн.