50А Трехфазный EMI фильтр Четыре Лин RFI фильтры подавления для плазменной гравировки
YX93G5-50A-S 3-фазный эми-фильтр общего режима фильтры для подавления шума для VFD и инвертора
Описание
То есть, обычный переменный ток - это синусная волна, но в настоящее времяв региональной сети имеется большое количество оборудования для выпрямления и инверторовЭти высокоуровневые гармонии будут мешать нормальной работе электронного оборудования.пользователям необходимо использовать трехфазный трехпроводной фильтр питания для фильтрации более высоких гармоний, чтобы не повредить электронное оборудование
Особенность
1При номинальной мощности скорость удаления гармонического тока достигает 95%, скорость ответа быстрая, а время ответа гармонического компенсационного тока не превышает 10 мс.
2Трехфазный силовой фильтр может вводить однофазный динамический компенсационный ток в энергосистему, тем самым эффективно улучшая трехфазный дисбаланс системы.
3Он может автоматически устранить резонанс и обеспечить безопасную работу оборудования, оборудования и систем.Выход и 100% предельный выход тока могут быть настроены для обеспечения стабильной работы оборудования в течение длительного времени.
4. иметь хорошую систему напряжения защиты от перенапряжения, защиты от перенапряжения, защиты от выходной перенапряжения, защиты от перегрева, управления защиты от перенапряжения
Спецификация
|
Положение |
Трехфазный фильтр |
Номинальный ток |
50А |
|
Модель |
YX93G5-50A-S |
Температура окружающей среды |
40°C |
|
Функция передачи |
Низкий проход |
Температурный диапазон |
25 / 085 / 21 |
|
Тип упаковки |
Поверхностный монтаж |
Частота работы |
50/60 Гц |
|
Номинальная частота центра |
10K-30MHZ |
От линии к линии |
1450VDC |
|
Потеря вставки |
50-90 дБ |
2250VDC |
|
|
Номинальное напряжение |
250/440VAC |
Максимальный ток утечки |
440VAC/60HZ 3-10mA максимум |
|
Возгораемость соответствует |
UL 94V-0 |
МОК |
Подлежит обсуждению |
|
Продолжительность |
3-7 дней |
Цена |
Подлежит обсуждению |
Применение
Общественная безопасность, возобновляемые источники энергии, сенсорный экран, общий диммер; конкретные отрасли - медицинское и здравоохранение, промышленный и коммерческий транспорт, машиностроение, передача данных,освещение, телекоммуникаций и автоматизации и управления.
Преимущество
1После многолетних усилий сотрудников компании продукция последовательно получала сертификат CUL.
Сертификаты TUV, CQC, CE, ROSH.
2У нас есть профессиональная команда исследований и разработок, наша цель - не позволять клиентам тратить лишние деньги!
3Национальные высокотехнологичные предприятия, гарантия бренда, надежное качество, и у нас есть соответствующие
сертификации продукции.
4Мы сотрудничаем с ведущими научно-исследовательскими лабораториями, чтобы предоставить бесплатные технические услуги по ректификации ЭМК.
поддержка, образцы; и испытание свободной проводимости.
5Технология автоматизации, масштабное производство, отличная цена, превосходный сервис, быстрая доставка!
Таблица выбора фильтра:
| Часть No. | Дело | Номинальные токи (A) | Выходные соединения |
| YX93G5-10A | G5 | 10 | Винт M4/M6/M8 |
| YX93G5-20A | G5 | 20 | |
| YX93G5-30A | G5 | 30 | Терминальный блок |
| YX93G5-40A | G5 | 40 | |
| YX93G5-50A | G5 | 50 | Медные прутки |
B: Медный стержень
S: Шрубная лопатка
T: Терминальный блок
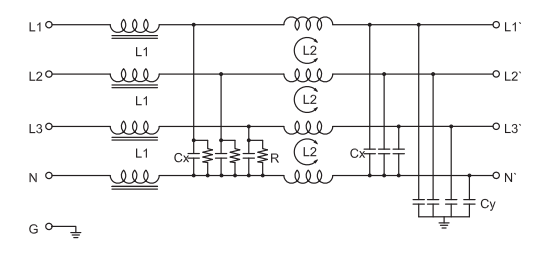
Изображение фильтра EMI YX93G5-50A-S:

Электрическая схема

Механическое измерение




Наши услуги
|
Передпродажа |
Послепродажное обслуживание |
|
1. Все запросы будут отвечены в течение 8 часов. 7D/24H сервис, пожалуйста, не стесняйтесь связаться с нами по электронной почте / TM / Skype |
1Все фильтры EMI будут проверены и отрегулированы перед отправкой. |
|
2Сильная техническая команда и профессиональные продажи. |
2После получения продукции, любые вопросы мы постараемся решить. |
|
3- Оформленная упаковка приемлема. |
3Бесплатная замена в течение трех месяцев, бесплатное обслуживание в течение шести лет, |
|
4Мы предоставляем бесплатные образцы и услуги по техническому исправлению ЭМК. |
|
Частые вопросы
1Что вы можете предложить?
A: Мы можем поставлять индивидуальный EMI Power Filter, 3-фазный EMI Filter, EMI EMC Filter и так далее, все виды EMI Filter.
2Есть ли OEM и ODM?
О: Да, они. Как профессиональный производитель фильтров питания EMI, мы предлагаем услуги OEM и ODM.
Вопрос: Каковы ваши основные продукты?
Ответ: Нашими основными продуктами являются EMI Power Filter.
4Как насчет гарантии на товар?
О: Мы предлагаем гарантию на один год после доставки.
5Как насчет послепродажной поддержки?
О: Мы будем предлагать своевременный ответ на онлайн-запросы от зарубежных пользователей. Пожалуйста, не стесняйтесь обращаться к нам по электронной почте, Ali-Trade, WhatsApp, WeChat и SKYPE.