фильтр EMI RFI 20A 120V 250VAC низкопроходный с аттестацией CE UL
Технические данные:
| Деталь | Фильтр линии электропередач |
| Модель | Фильтр линии электропередач YB-F |
| Передающая функция | Низкопроходный |
| Тип пакета | Поверхностный держатель |
| Номинальная разбивочная частота | 10K-30MHZ |
| Вносимая потеря | 60~90dB |
| Входное комплексное сопротивление | 50Ω |
| Расклассифицированное напряжение тока | 115V/250V |
| Расклассифицированное течение | 1~30A |
| Экологическая температура | 40°C |
| Диапазон температур | 25 / 085/21 |
| Равочая частота | 50/60HZ |
| Линия - - линия | 1450VDC |
| Линия, который нужно смолоть | 2250VDC |
| Максимальное течение утечки | 250VAC/60HZ 0.8mA Макс |
| MOQ | Могущий быть предметом переговоров |
| Цена | USD3~9.8/Meter |
| Время выполнения | будний день 5~20 |
Особенности:
-- Различные терминальные варианты: быстрое on/screw/wire
-- Компоненты низкой утечки настоящие и высококачественные обеспечить безопасность и надежность фильтров
-- Расклассифицированные течения от 1 к 20A
-- Общецелевое фильтруя представление
Типичные применения:
-- Электрический и радиотехническая аппаратура
-- Медицинское оборудование
-- Оборудование Datacom
-- Оборудование автоматизации работы офиса
Правило выставления:
YB 12 F1 - 10A - Q/S/T (R 5)
| | | | | |
случай цепи настоящий соединение опционное
*Q: Быстро-на 6.35x0.8mm
S: Волочение винта T: Терминал блока
Электрическая схема:

Генерал использовал

медицинский тип (5)
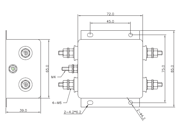
Механический размер (блок: mm)

Таблица вносимой потери (в системе 50ohm согласно IEC/CISPR No.17)
Единый режим -------- дифференциальный режим
1A 3A
6A 8A
10A 20A

30A

Производственная линия фабрики:




Сертификаты:

Наши преимущества: