Высококачественная низкопроходная одиночная фаза фильтра EMI быстро на фильтре для оборудования Datacom
Технические данные:
| Деталь | Фильтр линии электропередач |
| Модель | Фильтр линии электропередач YB-E |
| Передающая функция | Низкопроходный |
| Тип пакета | Поверхностный держатель |
| Номинальная разбивочная частота | 10K-30MHZ |
| Вносимая потеря | 60~90dB |
| Входное комплексное сопротивление | 50Ω |
| Расклассифицированное напряжение тока | 115V/250V |
| Расклассифицированное течение | 1~15A |
| Экологическая температура | 40°C |
| Диапазон температур | 25 / 085/21 |
| Равочая частота | 50/60HZ |
| Линия - - линия | 1450VDC |
| Линия, который нужно смолоть | 2250VDC |
| Максимальное течение утечки | 250VAC/60HZ 0.8mA Макс |
| MOQ | 100pcs |
| Цена | USD1~5.3/Meter |
| Время выполнения | будний день 5~20 |
Особенности:
-- Компактный размер можно приложить к различным ситуациям.
-- Фильтры YB11 также доступны как двухступенные фильтры (YB35) в шумном environmment.
-- Разнообразие части и комбинации для встречи тестов EMC различного клиента.
-- Подгонянные продукты согласно требованиям к клиента.
Типичные применения:
-- Электрический и радиотехническая аппаратура
-- Медицинское оборудование
-- Оборудование Datacom
-- Оборудование автоматизации работы офиса
Правило выставления:
YB 11 E1 - 10A - Q (R 5)
| | | | | |
случай цепи настоящее соединение опционное
Приводит:
| Модель нет. | Расклассифицированное течение @40°C |
Терминал Options* |
Вспомогательное нагрузочное сопротивление (опционное) | Утечка настоящее 250V/50Hz | Электрическая схема |
Расклассифицированное напряжение тока (v) | Равочая частота (Hz) | ||||||||||||||||||||||||||||||||||
| YB11E1-1A | 1A | Q | - | W | - |
<0> |
Fig.1 |
115/250V |
50/60Hz |
||||||||||||||||||||||||||||||||
| YB11E1-2A | 2A | Q | - | W | - | Fig.1 | |||||||||||||||||||||||||||||||||||
| YB11E1-3A | 3A | Q | - | W | - | Fig.1 | |||||||||||||||||||||||||||||||||||
| YB11E1-4A | 4A | Q | - | W | - | Fig.1 | |||||||||||||||||||||||||||||||||||
| YB11E1-6A | 6A | Q | - | W | - | Fig.1 | |||||||||||||||||||||||||||||||||||
| YB11E1-8A | 8A | Q | - | W | - | Fig.1 | |||||||||||||||||||||||||||||||||||
| YB11E1-10A | 10A | Q | - | W | - | Fig.1 | |||||||||||||||||||||||||||||||||||
| YB11E2-1A | 1A | Q | - | W | - | Fig.1 | |||||||||||||||||||||||||||||||||||
| YB11E2-2A | 2A | Q | - | W | - | Fig.1 | |||||||||||||||||||||||||||||||||||
| YB11E2-3A | 3A | Q | - | W | - | Fig.1 | |||||||||||||||||||||||||||||||||||
| YB11E2-4A | 4A | Q | - | W | - | Fig.1 | |||||||||||||||||||||||||||||||||||
| YB11E2-6A | 6A | Q | - | W | - | Fig.1 | |||||||||||||||||||||||||||||||||||
| YB11E2-8A | 8A | Q | - | W | - | Fig.1 | |||||||||||||||||||||||||||||||||||
| YB11E2-10A | 10A | Q | - | W | - | Fig.1 | |||||||||||||||||||||||||||||||||||
| YB11E3-1A | 1A | Q | - | W | - | Fig.1 | |||||||||||||||||||||||||||||||||||
| YB11E3-2A | 2A | Q | - | W | - | Fig.1 | |||||||||||||||||||||||||||||||||||
| YB11E3-3A | 3A | Q | - | W | - | Fig.1 | |||||||||||||||||||||||||||||||||||
| YB11E3-4A | 4A | Q | - | W | - | Fig.1 | |||||||||||||||||||||||||||||||||||
| YB11E3-6A | 6A | Q | - | W | - | Fig.1 | |||||||||||||||||||||||||||||||||||
| YB11E3-8A | 8A | Q | - | W | - | Fig.1 | |||||||||||||||||||||||||||||||||||
| YB11E3-10A | 10A | Q | - | W | - | Fig.1 | |||||||||||||||||||||||||||||||||||
Электрическая схема:

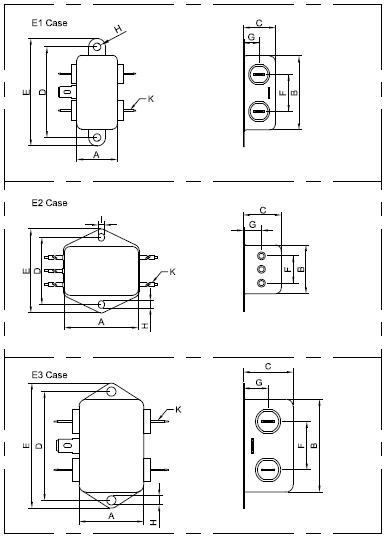
Механический размер (блок: mm)
| Случай | B | C | D | E | F | G | H | Я | J | K | ||||||||||||||||
| E1 | 24 | 44 | 19 | 54,5 | 64,5 | 23 | 9,5 | 4,5 | 6.3*0.8 | |||||||||||||||||
| E2 | 44 | 29 | 22 | 40 | 50 | 15 | 8 | 4,5 | 3,5 | UL1015 | ||||||||||||||||
| E3 | 32 | 46 | 22,5 | 54 | 62 | 24 | 12,5 | 4,5 | 6.3*0.8 | |||||||||||||||||
| Допуски | ±1 | ±1 | ±1 | ±0.15 | ±1 | ±0.5 | ±0.5 | ±0.15 | ±0.15 | ±0.15 | ||||||||||||||||
Таблица вносимой потери (в системе 50ohm согласовывая IEC/CISPR No.17)
Единый режим -------- дифференциальный режим
1A 3A

6A 8A

10A
