Провод шумового фильтра 10A одиночной фазы Двойн-этапа YB-D вывел наружу фильтр EMI
Особенности фильтра одиночной фазы:
Применение фильтра силы EMI:
1. Электрический и радиотехническая аппаратура
2. Медицинское оборудование
3. Оборудование Datacom
4. Оборудование автоматизации работы офиса
Технические данные:
| Деталь | фильтр одиночной фазы Двойн-этапа |
| Модель | YB22D2-10A-W |
| Передающая функция | Низкопроходный |
| Тип пакета | Поверхностный держатель |
| Номинальная разбивочная частота | 10K-30MHZ |
| Вносимая потеря | 10~30dB |
| Входное комплексное сопротивление | 50Ω |
| Расклассифицированное напряжение тока | 115V/250V |
| Расклассифицированное течение | 1~10A |
| Экологическая температура | 40°C |
| Диапазон температур | 25 / 085/21 |
| Равочая частота | 50/60HZ |
| Линия - - линия | 1450VDC |
| Линия, который нужно смолоть | 2250VDC |
| Максимальное течение утечки | 250VAC/60HZ 1.4mA Макс |
| MOQ | 10pcs |
Называя правило:
| YB | 22 | D2 | - | 10A | - | W |
| | | | | | | | | | | ||
| Одиночная фаза | Цепь | Размер | Настоящий | Соединение выхода | ||
| цепь 22:22 | D2 | 10A: 10 amp | Q: быстро-на плате 250 | |||
| 20A: 20 amp | W: провод | |||||
| 30A: 30 amp | S: Винт M4 |
Таблица выбора фильтра:
| Номер детали. | Случай | Расклассифицированные течения (a) | Соединения выхода |
| YB22D2-6A | D2 | 6 | Быстро-на терминале |
| YB22D2-8A | D2 | 8 | |
| YB22D2-10A | D2 | 10 | Провод |
| YB22D2-15A | D2 | 15 | |
| YB22D2-20A | D2 | 20 | Винт M4 |
*Q: Быстро-на 6.35x0.8mm
s: Волочение w
винта: UL1015 18awg
Электрическая схема:

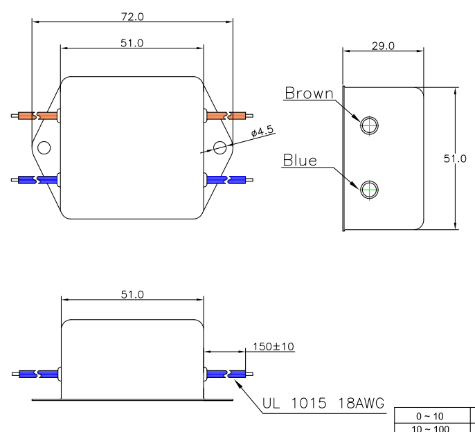
Механический размер (блок: mm)

Изображение фильтра EMI YB22D2-10A-W:

Наша прочность компании фильтра EMI:
Наша компания собрание электромагнитной совместимости (EMC) & EMI ФИЛЬТРУЕТ научные исследования и разработки, продукцию и продажи высокого нового технического предприятия. После лет усилий персонала компании, продукты подряд получили cUL, TUV, CQC, CE, аттестации ROSH. Мы имеем 9001:2015 ISO для обеспечения качества продукции. Мы стали перечисленной компанией в 2016; и теперь мы отечественные предприятия 500 лучших обозначили поставщиков!