Трехфазный шумовой фильтр EMI
Шумовые фильтры EMI Yanbixin трехфазные уменьшают излишний шум электромагнитного взаимодействия (EMI) в пределах проведенной зоны электромагнитной подверженности для таких применений как преобразователи частоты, приводы мотора, и механические инструменты. Расклассифицированный от 3 к 500A, линия фильтры RFI доступна для перепада или проводки ЗВЕЗДЫ с разнообразие вариантами терминального соединения. Эти фильтры использованы в много различных применений как промышленное машинное оборудование, оборудование автоматизации фабрики, приводы сервопривода, и переменная частота.
YX81G3-30A-S трехфазный винт M4 вывело наружу фильтр EMI, компактный небольшой дизайн следа ноги (книжные полки и держатель шасси) сохраняет космос и цена, подавляет шум EMI, фильтрует большой ток и EMI напряжения тока.
Применение фильтра 3 участков:
1. Промышленные шкафы
2. промышленные системы управления
3. механические инструменты
4. приводы мотора
5. оборудование автоматизации процесса
6. небольшие механические инструменты
Технические данные:
| Деталь | Трехфазный шумовой фильтр |
| Модель | YX81G3 |
| Передающая функция | Низкопроходный |
| Тип пакета | Поверхностный держатель |
| Номинальная разбивочная частота | 150K-30MHZ |
| Вносимая потеря | 20~80dB |
| Входное комплексное сопротивление | 50Ω |
| Расклассифицированное напряжение тока | 380V/440V |
| Расклассифицированное течение | 1~500A |
| Экологическая температура | 40°C |
| Диапазон температур | 25 / 085/21 |
| Равочая частота | 50/60HZ |
| Линия - - линия | 1450VDC |
| Линия, который нужно смолоть | 2250VDC |
| Максимальное течение утечки | 380VAC/60HZ 2mA Макс |
| MOQ | 5pcs |
| Цена | USD1.5~98.8/Meter |
| Время выполнения | будний день 5~15 |
Таблица выбора фильтра:
| Номер детали. | Случай | Расклассифицированные течения (a) | Соединения выхода |
| YX81G3-10A | G3 | 10 | Винт M4 screw/M6 |
| YX81G3-20A | G3 | 20 | |
| YX81G3-30A | G3 | 30 | Терминальный блок |
| YX81G3-40A | G3 | 40 | |
| YX81G3-50A | G3 | 50 | Медный бар |
*Q: Быстро-на 6.35x0.8mm
S: Волочение винта
T: Терминальный блок
Называя правило:
| YX | 81 | G3 | - | 50A | - | S |
| | | | | | | | | | | ||
| Трехфазный | Цепь | Размер | Настоящий | Соединение выхода | ||
| цепь 81:81 | G3 | 30A: 30 amp | S: Винт M4 | |||
| 40A: 40 amp | T: Терминальный блок | |||||
| 50A: 50 amp | B: Бар бондаря |
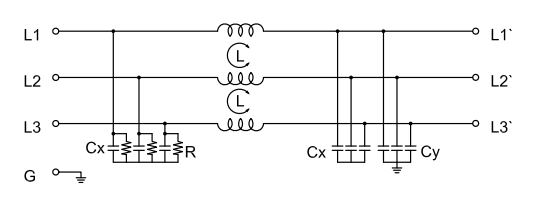
Электрическая схема:
Механический размер (блок: mm)

Изображение фильтра YX81G3-50A-S трехфазное:
