линия фильтр участка 4 440V 50A сильнотоковая высокая VoltageThree AC RFI фильтра EMI
Трехфазная 4 линия фильтр:
YX91G5-50A-S трехфазный фильтр, 5 во вне линии 4, с влиянием 3-этапа фильтруя, M4 и терминалы винта M6 использованы для того чтобы соединить прибор обыкновенно использовали напряжение тока 380V~ 520V, настоящего ряда 10A | 500A, для высоковольтного промышленного оборудования, трехфазный инвертор, моторы сервопривода и так далее.
Типичные применения трехфазного фильтра RFI:
Параметры фильтра EMI YX91G5-50A-S:
| Деталь | Фильтр EMI 3 участков |
| Модель | YX91G5-50A-S |
| Передающая функция | Высокопроходный |
| Тип пакета | Поверхностный держатель |
| Номинальная разбивочная частота | 150K-30MHZ |
| Вносимая потеря | 60~90dB |
| Входное комплексное сопротивление | 100Ω |
| Расклассифицированное напряжение тока | 380V/520V |
| Расклассифицированное течение | 1A-50A |
| Экологическая температура | 40°C |
| Диапазон температур | 25 / 085/21 |
| Равочая частота | 50/60HZ |
| Линия - - линия | 1450VDC |
| Линия, который нужно смолоть | 2250VDC или 2000VAC |
| Максимальное течение утечки | 115VAC/60HZ 1.4mA максимальное 250VAC/60HZ 2.5mA Макс |
| MOQ | 5pcs |
Таблица выбора фильтра:
| Номер детали. | Случай | Расклассифицированные течения (a) | Соединения выхода |
| YX91G5 | G5 | 10 | Винт M4 screw/M6 |
| YX91G5 | G5 | 20 | |
| YX91G5 | G5 | 30 | Терминальный блок |
| YX91G5 | G5 | 40 | |
| YX91G5 | G5 | 50 | Медный бар |
*Q: Быстро-на 6.35x0.8mm
s: Волочение t
винта: Терминальный блок
Называя правило:
| YX | 91 | G5 | - | 50A | - | S |
| | | | | | | | | | | ||
| Трехфазный | Цепь | Размер | Настоящий | Соединение выхода | ||
| цепь 91:91 | G5 | 30A: 30 amp | S: Винт M4 | |||
| 40A: 40 amp | T: Терминальный блок | |||||
| 50A: 50 amp | B: Бар бондаря |
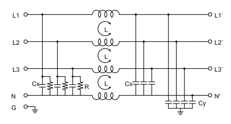
Электрическая схема:




| Случай | B | C | D | E | F | G | H | Я | J | K | L | M | |||||||||||||||||||||||||||||||
| G1 | 72 | 65 | 39 | 75 | 85 | 35 | 22 | 45 | M4 | M4/M6 | |||||||||||||||||||||||||||||||||
| G2 | 98 | 80 | 40 | 95 | 105 | 50 | 20 | 4.5*6.5 | 50 | M4 | M4/M6 | ||||||||||||||||||||||||||||||||
| G3 | 120 | 100 | 50 | 115 | 130 | 50 | 28 | 4*6 | 60 | M4 | M4/M6 | ||||||||||||||||||||||||||||||||
| G4 | 200 | 127 | 80 | 150 | 170 | 62 | 49,5 | 6*9 | 117 | M6/M8 | M8/M10 | ||||||||||||||||||||||||||||||||
| G5 | 150 | 105 | 60 | 120 | 135 | 55 | 35 | 4*6 | 90 | M6 | M8 | ||||||||||||||||||||||||||||||||
| G6 | 260 | 170 | 100 | 196 | 220 | 85 | 65 | 8*12 | 172 | M8 | M10 | ||||||||||||||||||||||||||||||||
| Допуски | ±1 | ±1 | ±1 | ±0.15 | ±1 | ±0.5 | ±0.5 | ±0.15 | ±0.15 | ±0.15 | ±0.15 | ±2 | |||||||||||||||||||||||||||||||
Наша прочность компании фильтра EMI:
Наша компания собрание электромагнитной совместимости (EMC) & EMI ФИЛЬТРУЕТ научные исследования и разработки, продукцию и продажи высокого нового технического предприятия. После лет усилий персонала компании, продукты подряд получили cUL, TUV, CQC, CE, аттестации ROSH. Мы имеем 9001:2015 ISO для обеспечения качества продукции. Мы стали перечисленной компанией в 2016; и теперь мы отечественные предприятия 500 лучших обозначили поставщиков!