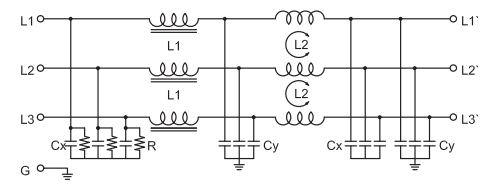
Фильтр трехфазного фильтра низкопроходный EMI/RFI терминального блока для мотора сервопривода
Фильтр терминального блока трехфазный:
YX83G3-30A-T трехфазный фильтр. Высокая надежность конструированная для использования промышленного оборудования с трехфазным фильтром 3-провода или трехфазным четырехпроводным фильтром. Различный выход терминалов винта для различных amps конструирован для легкой установки. Типичные применения в испытывая и измерительном оборудовании, оборудовании автоматизации, приводах сервопривода, освещении, телекоммуникационном оборудовании, инверторах частоты, приводах мотора и так далее.
Отличает трехфазного фильтра:
1. Хорошая амортизация шума как в переднем, так и в обратных направлениях для единого режима и нормального режима.
2. высокая надежность конструированная для использования промышленного оборудования с трехфазным 3-проводом и трехфазным 4-Wire.
3. Расклассифицированное течение можно предложить от 10 до 20 AMPS.
4. различный выход терминалов винта для различных amps конструирован для легкой установки.
5. Таможн-специфические версии доступны по запросу.
Технические данные:
Таблица выбора фильтра:
| Номер детали. | Случай | Расклассифицированные течения (a) | Соединения выхода |
| YX83G3-10A | G3 | 10 | Быстро-на терминале |
| YX83G3-15A | G3 | 15 | |
| YX83G3-20A | G3 | 20 | Провод |
| YX83G3-30A | G3 | 30 | |
| YX83G3-40A | G3 | 40 | Винт M4 Screw/M6 |
| YX83G3-50A | G3 | 50 |
*Q: Быстро-на 6.35x0.8mm
S: Волочение винта
T: Терминальный блок
Называя правило:
| YX | 83 | G3 | - | 30 | - | T |
| ∣ | ∣ | ∣ | ∣ | ∣ | ||
| Трехфазный | Цепь | Размер | Настоящий | Соединение выхода | ||
| цепь 83:83 | G3 | 10A: 10 amp | Q: быстро-на плате 250 | |||
| 20A: 20 amp | S: Винт M4 | |||||
| 30A: 30 amp | T: Терминальный блок |
Изображение фильтра YX83G3-30A-T:




| Случай | B | C | D | E | F | G | H | Я | J | K | L | M | |||||||||||||||||||||||||||||||
| G1 | 72 | 65 | 39 | 75 | 85 | 35 | 22 | 45 | M4 | M4/M6 | |||||||||||||||||||||||||||||||||
| G2 | 98 | 80 | 40 | 95 | 105 | 50 | 20 | 4.5*6.5 | 50 | M4 | M4/M6 | ||||||||||||||||||||||||||||||||
| G3 | 120 | 100 | 50 | 115 | 130 | 50 | 28 | 4*6 | 60 | M4 | M4/M6 | ||||||||||||||||||||||||||||||||
| G4 | 200 | 127 | 80 | 150 | 170 | 62 | 49,5 | 6*9 | 117 | M6/M8 | M8/M10 | ||||||||||||||||||||||||||||||||
| G5 | 150 | 105 | 60 | 120 | 135 | 55 | 35 | 4*6 | 90 | M6 | M8 | ||||||||||||||||||||||||||||||||
| G6 | 260 | 170 | 100 | 196 | 220 | 85 | 65 | 8*12 | 172 | M8 | M10 | ||||||||||||||||||||||||||||||||
| Допуски | ±1 | ±1 | ±1 | ±0.15 | ±1 | ±0.5 | ±0.5 | ±0.15 | ±0.15 | ±0.15 | ±0.15 | ±2 | |||||||||||||||||||||||||||||||
