YX92G4 Высокопоточный трехфазный EMI фильтр Четырехлинейный EMI фильтр для SMPS
Техническая спецификация:
| Положение | Трехфазный фильтр подавления |
| Модель | YX92G4-100A-S |
| Функция передачи | Низкий проход |
| Тип упаковки | Поверхностный монтаж |
| Номинальная частота центра | 150K-30MHZ |
| Потеря вставки | 60 ~ 90 дБ |
| Импеданс ввода | 50Ω |
| Номинальное напряжение | 380V/440V |
| Номинальный ток | 3А-100А |
| Температура окружающей среды | 40°C |
| Температурный диапазон | 25 / 085 / 21 |
| Частота работы | 50/60 Гц |
| От линии к линии | 1450VDC |
| Линия к земле | 2250VDC или 2000VAC |
| Максимальный ток утечки | 250VAC/60HZ 1,4mA максимум 440VAC/60HZ 2,5mA максимум |
| МОК | 5 шт. |
| Цена |
USD3,8~98/м |
| Продолжительность | 3 ~ 15 рабочих дней для фильтра EMI с низким проходом |
Особенности:
1Он широко используется в бытовой технике, электрической энергии, телекоммуникаций, инструментальной машины, судна, текстильной, печати, горнодобывающей машины, мустик инструмент, и т.д.
2Продвинутые двухступенчатые фильтрующие схемы с высоконасыщающимися тороидальными индукторами
3. Продукция по индивидуальным требованиям клиента
4. Этот фильтр линии питания предназначен для высокопроизводительных защищенных помещений, потеря вставки более 100dB от 14KHz до 40GHz. Мы можем предложить различные типы спецификации фильтров питания,с постоянным и переменным током
Типичные применения:
-- Компьютерные системы центральных компьютеров
-- Офисное оборудование высокой мощности
-- Электростанции
-- Офисное оборудование и оборудование для обработки данных
Таблица выбора фильтра:
| Часть No. | Дело | Номинальные токи (A) | Выходные соединения |
| YX92G4-10A | G4 | 10 | Винт M4/M6/M8 |
| YX92G4-20A | G4 | 20 | |
| YX92G4-30A | G4 | 30 | Терминальный блок |
| YX92G4-40A | G4 | 40 | |
| YX92G4-50A | G4 | 50 | Медные прутки |
B: Медный стержень
S: Шрубная лопатка
T: Терминальный блок
Таблетки:
| Модель No. | Номинальный ток @40°C |
Варианты терминала* |
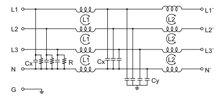
Ток утечки 440V/50Hz | Электрическая схема |
Номинальное напряжение ((V) | Рабочая частота ((Hz) | ||||||||||||||||||||||||||||||
| YX93G2-3A | 3А | Q. | S | T |
< 5,0 мА |
Фиг.1 |
250/440 В |
50/60 Гц |
||||||||||||||||||||||||||||
| YX93G2-6A | 6А | Q. | S | T | Фиг.1 | |||||||||||||||||||||||||||||||
| YX93G2-10A | 10А | Q. | S | T | Фиг.1 | |||||||||||||||||||||||||||||||
| YX93G3-15A | 15А | Q. | S | T | Фиг.1 | |||||||||||||||||||||||||||||||
| YX93G3-20A | 20А | - | S | T | Фиг.1 | |||||||||||||||||||||||||||||||
| YX93G3-25A | 25А | - | S | T | Фиг.1 | |||||||||||||||||||||||||||||||
| YX93G3-30A | 30А | - | S | T | Фиг.1 | |||||||||||||||||||||||||||||||
| YX93G5-40A | 40А | - | S | T |
< 10,0 мА |
Фиг.1 | ||||||||||||||||||||||||||||||
| YX93G5-50A | 50А | - | S | T | Фиг.1 | |||||||||||||||||||||||||||||||
| YX93G4-60A | 60А | - | S | T | Фиг.1 | |||||||||||||||||||||||||||||||
| YX93G4-70A | 70А | - | S | T | Фиг.1 | |||||||||||||||||||||||||||||||
| YX93G4-80A | 80А | - | S | T | Фиг.1 | |||||||||||||||||||||||||||||||
| YX93G4-100A | 100А | - | S | T |
< 20,0 мА |
Фиг.1 | ||||||||||||||||||||||||||||||
| YX93G4-130A | 130А | - | S | T | Фиг.1 | |||||||||||||||||||||||||||||||
| YX93G6-150A | 150A | - | S | T | Фиг.1 | |||||||||||||||||||||||||||||||
| YX93G6-200A | 200А | - | S | T | Фиг.1 | |||||||||||||||||||||||||||||||
* Q: быстро на 6,35x0,8 мм
S: Шрубная лопатка
T: Терминальный блок



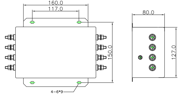
| Дело | А. | В. | В | D | Е | F | G | H | Я... | J | К | Л | М | ||||||||||||||||||||||||||||||
| G1 | 72 | 65 | 39 | 75 | 85 | 35 | 22 | 45 | М4 | M4/M6 | |||||||||||||||||||||||||||||||||
| G2 | 98 | 80 | 40 | 95 | 105 | 50 | 20 | 4.5*6.5 | 50 | М4 | M4/M6 | ||||||||||||||||||||||||||||||||
| G3 | 120 | 100 | 50 | 115 | 130 | 50 | 28 | 4*6 | 60 | М4 | M4/M6 | ||||||||||||||||||||||||||||||||
| G4 | 200 | 127 | 80 | 150 | 170 | 62 | 49.5 | 6*9 | 117 | M6/M8 | M8/M10 | ||||||||||||||||||||||||||||||||
| G5 | 150 | 105 | 60 | 120 | 135 | 55 | 35 | 4*6 | 90 | M6 | М8 | ||||||||||||||||||||||||||||||||
| G6 | 260 | 170 | 100 | 196 | 220 | 85 | 65 | 8*12 | 172 | М8 | M10 | ||||||||||||||||||||||||||||||||
| Толерантность | ± 1 | ± 1 | ± 1 | ±0.15 | ± 1 | ±0.5 | ±0.5 | ±0.15 | ±0.15 | ±0.15 | ±0.15 | ±2 | |||||||||||||||||||||||||||||||
Изображение трехфазного фильтра EMI YX92G4-100A-S:

Таблица потерь вставки ((В системе 50 Ом согласно IEC/CISPR No.17)
