YX92G6 180A Трехфазный фильтр RFI EMI выходный фильтр для автоматического оборудования
Техническая спецификация:
| Положение | YX92 Трехфазный фильтр |
| Модель | YX92G6-100A-S |
| Функция передачи | Высокий проход |
| Тип упаковки | Поверхностный монтаж |
| Номинальная частота центра | 150K-30MHZ |
| Потеря вставки | 60 ~ 90 дБ |
| Импеданс ввода | 50Ω |
| Номинальное напряжение | 380V/440V |
| Номинальный ток | 10А-200А |
| Температура окружающей среды | 40°C |
| Температурный диапазон | 25 / 085 / 21 |
| Частота работы | 50/60 Гц |
| От линии к линии | 1450VDC |
| Линия к земле | 2250VDC или 2000VAC |
| Максимальный ток утечки | 250VAC/60HZ 1,4mA максимум 440VAC/60HZ 2,5mA максимум |
| МОК | 5 шт. |
| Цена |
USD3,8 ~ 88 / метр |
| Продолжительность | 3 ~ 15 рабочих дней для фильтра EMI с низким проходом |
Особенности:
1Защита от помех напряжения
2Используемые в качестве основного фильтра ввода, фильтры YX91 могут поддерживать систему надежной путем сдерживания проводящих помех
3. Продукты на заказ в соответствии с требованиями заказчика.
Типичные применения:
-- Компьютерные системы центральных компьютеров
-- Офисное оборудование высокой мощности
-- UPS/SMPS
-- Автоматическое оборудование
Таблица выбора фильтра:
| Часть No. | Дело | Номинальные токи (A) | Выходные соединения |
| YX92G6-50A | G6 | 50 | Терминал быстрого включения |
| YX92G6-80A | G6 | 80 | |
| YX92G6-100A | G6 | 100 | Свинка M4/M6/M8 |
| YX92G6-150A | G6 | 150 | |
| YX92G6-200A | G6 | 200 | Терминальный блок |
* Q: быстро на 6,35x0,8 мм
S: Шрубная лопатка
T: Терминальный блок
Таблетки:
| Модель No. | Номинальный ток @40°C |
Варианты терминала* |
Ток утечки 440V/50Hz | Электрическая схема |
Номинальное напряжение ((V) | Рабочая частота ((Hz) | ||||||||||||||||||||||||||||||
| YX91G1-3A | 3А | Q. | S | T |
< 5,0 мА |
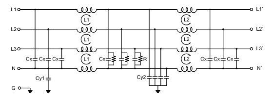
Фиг.1 |
250/440 В |
50/60 Гц |
||||||||||||||||||||||||||||
| YX91G1-6A | 6А | Q. | S | T | Фиг.1 | |||||||||||||||||||||||||||||||
| YX91G1-10A | 10А | Q. | S | T | Фиг.1 | |||||||||||||||||||||||||||||||
| YX91G2-15A | 20А | Q. | S | T | Фиг.1 | |||||||||||||||||||||||||||||||
| YX91G2-20A | 30А | - | S | T | Фиг.1 | |||||||||||||||||||||||||||||||
| YX91G2-25A | 30А | - | S | T | Фиг.1 | |||||||||||||||||||||||||||||||
| YX91G2-30A | 40А | - | S | T | Фиг.1 | |||||||||||||||||||||||||||||||
| YX91G3-35A | 40А | - | S | T |
< 7,0 мА |
Фиг.1 | ||||||||||||||||||||||||||||||
| YX91G5-50A | 50А | - | S | T | Фиг.1 | |||||||||||||||||||||||||||||||
| YX91G5-60A | 60А | - | S | T | Фиг.1 | |||||||||||||||||||||||||||||||
| YX91G5-80A | 80А | - | S | T |
< 10,0 мА |
Фиг.1 | ||||||||||||||||||||||||||||||
| YX91G4-100A | 100А | - | S | T | Фиг.1 | |||||||||||||||||||||||||||||||
| YX91G6-150A | 150A | - | S | T |
< 15,0 мА |
Фиг.1 | ||||||||||||||||||||||||||||||
| YX91G6-200A | 200А | - | S | T | Фиг.1 | |||||||||||||||||||||||||||||||



YX92G6-100A-S EMI фильтры

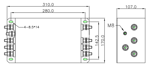
| Дело | А. | В. | В | D | Е | F | G | H | Я... | J | К | Л | М | ||||||||||||||||||||||||||||||
| G1 | 72 | 65 | 39 | 75 | 85 | 35 | 22 | 45 | М4 | M4/M6 | |||||||||||||||||||||||||||||||||
| G2 | 98 | 80 | 40 | 95 | 105 | 50 | 20 | 4.5*6.5 | 50 | М4 | M4/M6 | ||||||||||||||||||||||||||||||||
| G3 | 120 | 100 | 50 | 115 | 130 | 50 | 28 | 4*6 | 60 | М4 | M4/M6 | ||||||||||||||||||||||||||||||||
| G4 | 200 | 127 | 80 | 150 | 170 | 62 | 49.5 | 6*9 | 117 | M6/M8 | M8/M10 | ||||||||||||||||||||||||||||||||
| G5 | 150 | 105 | 60 | 120 | 135 | 55 | 35 | 4*6 | 90 | M6 | М8 | ||||||||||||||||||||||||||||||||
| G6 | 260 | 170 | 100 | 196 | 220 | 85 | 65 | 8*12 | 172 | М8 | M10 | ||||||||||||||||||||||||||||||||
| Толерантность | ± 1 | ± 1 | ± 1 | ±0.15 | ± 1 | ±0.5 | ±0.5 | ±0.15 | ±0.15 | ±0.15 | ±0.15 | ±2 | |||||||||||||||||||||||||||||||
Таблица потерь вставки ((В системе 50 Ом согласно IEC/CISPR No.17)
