YX93G4-50A-S 100A сильнотоковое 520V перепад RFI 3 участков фильтруют фильтр линии электропередач 3 участков
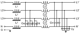
Трехфазный фильтр:
Наш трехфазный фильтр пассивный фильтр используемый для уменьшения или для того чтобы исключить излишнего электромагнитного взаимодействия в трехфазных электрических системах. Трехфазные электропитания использованы в много промышленном и коммерческих применениях для того чтобы обеспечить более эффективное и более стабилизированное электропитание чем однофазные электропитания.
Особенность трехфазного фильтра:
1. Для трехфазного, четырехпроводной, применения ЗВЕЗДЫ
2. хорошая амортизация над полным диапазоном изменения частот 10KHz к 30MHz
3. 2 различных устанавливая стиля доступного
4. рентабельные, всеобщие трехфазные fifilters
5. изолированные, высококачественные терминалы безопасности для входа и выхода
Трехфазные применения фильтра:
-- трехфазные инверторы
-- Приводы мотора переменной скорости
-- Трехфазная электрическая система
-- Оборудование автоматизации процесса
Параметры YX93G4-50A-S:
| Деталь | Фильтр линии электропередач 3 участков |
| Модель | Фильтр EMI 3 участков - серия YX91G |
| Передающая функция | Низкопроходный |
| Тип пакета | Поверхностный держатель |
| Номинальная разбивочная частота | 10K-30MHZ |
| Вносимая потеря | 60~90dB |
| Входное комплексное сопротивление | 50Ω |
| Расклассифицированное напряжение тока | 300V/520V |
| Расклассифицированное течение | 1A-100A |
| Экологическая температура | 40°C |
| Диапазон температур | 25 / 085/21 |
| Равочая частота | 50/60HZ |
| Линия - - линия | 1450VDC |
| Линия, который нужно смолоть | 2250VDC или 2000VAC |
| Максимальное течение утечки | 115VAC/60HZ 1.4mA максимальное 250VAC/60HZ 2.5mA Макс |
Правило выставления:
YX------91--------G1--------10A-----------Q
| | | |
цепь случай настоящее соединение
Изображение продукта YX93G4:

Приводит:
| Модель нет. | Расклассифицированное течение @40°C |
Терминал Options* | Утечка настоящее 440V/50H | Электрическая схема | Расклассифицированное напряжение тока (v) | Равочая частота (Hz) | ||
| YX93G2-3A | 3A | Q | S | T | <5> | Fig.1 | 250/440V | 50/60Hz |
| YX93G2-6A | 6A | Q | S | T | Fig.1 | |||
| YX93G2-10A | 10A | Q | S | T | Fig.1 | |||
| YX93G3-15A | 15A | Q | S | T | Fig.1 | |||
| YX93G3-20A | 20A | - | S | T | Fig.1 | |||
| YX93G3-25A | 25A | - | S | T | Fig.1 | |||
| YX93G3-30A | 30A | - | S | T | Fig.1 | |||
| YX93G5-40A | 40A | - | S | T | <10> | Fig.1 | ||
| YX93G5-50A | 50A | - | S | T | Fig.1 | |||
| YX93G4-60A | 60A | - | S | T | Fig.1 | |||
| YX93G4-70A | 70A | - | S | T | Fig.1 | |||
| YX93G4-80A | 80A | - | S | T | Fig.1 | |||
| YX93G4-100A | 100A | - | S | T | <20> | Fig.1 | ||
| YX93G4-130A | 130A | - | S | T | Fig.1 | |||
| YX93G6-150A | 150A | - | S | T | Fig.1 | |||
| YX93G6-200A | 200A | - | S | T | Fig.1 | |||
*Q: Быстро-на 6.35x0.8mm
S: Волочение винта
T: Терминальный блок


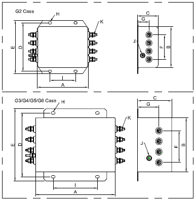
| Случай | B | C | D | E | F | G | H | Я | J | K | L | M | |||||||||||||||||||||||||||||||
| G1 | 72 | 65 | 39 | 75 | 85 | 35 | 22 | 45 | M4 | M4/M6 | |||||||||||||||||||||||||||||||||
| G2 | 98 | 80 | 40 | 95 | 105 | 50 | 20 | 4.5*6.5 | 50 | M4 | M4/M6 | ||||||||||||||||||||||||||||||||
| G3 | 120 | 100 | 50 | 115 | 130 | 50 | 28 | 4*6 | 60 | M4 | M4/M6 | ||||||||||||||||||||||||||||||||
| G4 | 200 | 127 | 80 | 150 | 170 | 62 | 49,5 | 6*9 | 117 | M6/M8 | M8/M10 | ||||||||||||||||||||||||||||||||
| G5 | 150 | 105 | 60 | 120 | 135 | 55 | 35 | 4*6 | 90 | M6 | M8 | ||||||||||||||||||||||||||||||||
| G6 | 260 | 170 | 100 | 196 | 220 | 85 | 65 | 8*12 | 172 | M8 | M10 | ||||||||||||||||||||||||||||||||
| Допуски | ±1 | ±1 | ±1 | ±0.15 | ±1 | ±0.5 | ±0.5 | ±0.15 | ±0.15 | ±0.15 | ±0.15 | ±2 | |||||||||||||||||||||||||||||||
Таблица вносимой потери (в системе 50ohm согласовывая IEC/CISPR No.17)
6/10A 20A/30A

40A/50A 80A
100A/200A