440V трехфазный четырехпроводной фильтр 150A фильтр подавления EMI для промышленного применения
Техническая спецификация:
| Положение | 3 Фаза 3 Фильтр проволоки |
| Модель | 3-фазный фильтр EMI - серия YX92G |
| Функция передачи | Низкий проход |
| Тип упаковки | Поверхностный монтаж |
| Номинальная частота центра | 150K-30MHZ |
| Потеря вставки | 60 ~ 90 дБ |
| Импеданс ввода | 50Ω |
| Номинальное напряжение | 380V/440V |
| Номинальный ток | 1А-100А |
| Температура окружающей среды | 40°C |
| Температурный диапазон | 25 / 085 / 21 |
| Частота работы | 50/60 Гц |
| От линии к линии | 1450VDC |
| Линия к земле | 2250VDC или 2000VAC |
| Максимальный ток утечки | 115VAC/60HZ 1,4mA максимум 250VAC/60HZ 2,5mA максимум |
| МОК | 5 шт. |
| Цена |
USD4,8~88/м |
| Продолжительность | 3 ~ 15 рабочих дней для фильтра EMI с низким проходом |
Особенности:
1Защита от помех напряжения.
2.YX92 фильтры обеспечивают широкополосный общий и дифференциальный режим аттенуации производительности, он все еще может быть доступен, когда помехи больше.
3- Продукты по индивидуальным требованиям заказчика.
Типичные применения:
1Для фотоэлектрических систем и промышленных применений
2Трифазные двигатели
3. UPS/SMPS
4Оборудование промышленной автоматизации
Правила выдвижения кандидатов:
YX-----92-------G6--------150A-----------S
¦ ¦ ¦ ¦
соединение тока корпуса цепи
Таблетки:
| Модель No. | Номинальный ток @40°C |
Варианты терминала* |
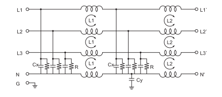
Ток утечки 440V/50Hz | Электрическая схема |
Номинальное напряжение ((V) | Рабочая частота ((Hz) | ||||||||||||||||||||||||||||||
| YX81G1-1A | 1А | Q. | S | T | <1,0 мА | Фиг.1 | 250/440 В | 50/60 Гц | ||||||||||||||||||||||||||||
| YX81G1-3A | 3А | Q. | S | T | Фиг.1 | |||||||||||||||||||||||||||||||
| YX81G1-6A | 6А | Q. | S | T | Фиг.1 | |||||||||||||||||||||||||||||||
| YX81G1-10A | 10А | Q. | S | T | Фиг.1 | |||||||||||||||||||||||||||||||
| YX81G1-20A | 20А | Q. | S | T | Фиг.1 | |||||||||||||||||||||||||||||||
| YX81G1-30A | 30А | - | S | T | Фиг.1 | |||||||||||||||||||||||||||||||
| YX81G2-30A | 30А | - | S | T | < 2,0 мА | Фиг.1 | ||||||||||||||||||||||||||||||
| YX81G2-40A | 40А | - | S | T | Фиг.1 | |||||||||||||||||||||||||||||||
| YX81G3-40A | 40А | - | S | T | < 5,0 мА | Фиг.1 | ||||||||||||||||||||||||||||||
| YX81G3-50A | 50А | - | S | T | Фиг.1 | |||||||||||||||||||||||||||||||
| YX81G3-60A | 60А | - | S | T | Фиг.1 | |||||||||||||||||||||||||||||||
| YX81G5-80A | 80А | - | S | T | < 7,0 мА | Фиг.1 | ||||||||||||||||||||||||||||||
| YX81G5-100A | 100А | - | S | T | Фиг.1 | |||||||||||||||||||||||||||||||
| YX81G6-200A | 200А | - | S | T | < 10,0 мА | Фиг.1 | ||||||||||||||||||||||||||||||



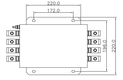
| Дело | А. | В. | В | D | Е | F | G | H | Я... | J | К | Л | ||||||||||||||||||||||||||||
| G1 | 72 | 65 | 39 | 75 | 85 | 35 | 22 | 45 | М4 | M4/M6 | ||||||||||||||||||||||||||||||
| G2 | 98 | 80 | 40 | 95 | 105 | 50 | 20 | 4.5*6.5 | 50 | М4 | M4/M6 | |||||||||||||||||||||||||||||
| G3 | 120 | 100 | 50 | 115 | 130 | 50 | 28 | 4*6 | 60 | М4 | M4/M6 | |||||||||||||||||||||||||||||
| G5 | 150 | 105 | 60 | 120 | 135 | 55 | 35 | 4*6 | 90 | M6 | М8 | |||||||||||||||||||||||||||||
| G6 | 260 | 170 | 100 | 196 | 220 | 85 | 65 | 8*12 | 172 | М8 | M10 | |||||||||||||||||||||||||||||
| Толерантность | ± 1 | ± 1 | ± 1 | ±0.15 | ± 1 | ±0.5 | ±0.5 | ±0.15 | ±0.15 | ±0.15 | ||||||||||||||||||||||||||||||
YX92G6-150A-T Трехфазный фильтр:

Таблица потерь вставки ((В системе 50 Ом согласно IEC/CISPR No.17)
