Дроссель единого режима фильтр силы одиночной фазы 3 участков для оборудования промышленной автоматизации
Технические данные:
| Деталь | Фильтр EMI 3 участков |
| Модель | Фильтр EMI 3 участков - серия YX82G |
| Передающая функция | Низкопроходный |
| Тип пакета | Поверхностный держатель |
| Номинальная разбивочная частота | 10K-30MHZ |
| Вносимая потеря | 60~90dB |
| Входное комплексное сопротивление | 50Ω |
| Расклассифицированное напряжение тока | 380V/440V |
| Расклассифицированное течение | 1A-100A |
| Экологическая температура | 40°C |
| Диапазон температур | 25 / 085/21 |
| Равочая частота | 50/60HZ |
| Линия - - линия | 1450VDC |
| Линия, который нужно смолоть | 2250VDC или 2000VAC |
| Максимальное течение утечки | 115VAC/60HZ 1.4mA максимальное 250VAC/60HZ 2.5mA Макс |
| MOQ | 5pcs |
| Цена |
USD4.8~88/Meter |
| Время выполнения | будний день 3~15 для низкопроходного фильтра EMI |
Изображение продукта:


Особенности:
-- Защита против взаимодействия напряжения тока
-- Решение EMC индустриального стандарта для трехфазный фильтровать PDS
-- Подгонянные продукты согласно требованиям к клиента.
Типичные применения:
-- Для фотовольтайческих систем и промышленных применений
-- Трехфазные приводы мотора
-- Приборы преобразования энергии (инверторы, конвертеры)
-- Оборудование промышленной автоматизации
Правило выставления:
YB 82 G1 - 10A - Q
| | | |
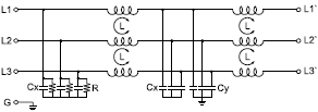
случай цепи настоящий соединение
Приводит:
| Модель нет. | Расклассифицированное течение @40°C |
Терминал Options* |
Утечка настоящее 440V/50Hz | Электрическая схема |
Расклассифицированное напряжение тока (v) | Равочая частота (Hz) | ||||||||||||||||||||||||||||||
| YX82G1-1A | 1A | Q | S | T |
<1> |
Fig.1 |
250/440V |
50/60Hz |
||||||||||||||||||||||||||||
| YX82G1-3A | 3A | Q | S | T | Fig.1 | |||||||||||||||||||||||||||||||
| YX82G1-6A | 6A | Q | S | T | Fig.1 | |||||||||||||||||||||||||||||||
| YX82G2-10A | 10A | Q | S | T | Fig.1 | |||||||||||||||||||||||||||||||
| YX82G2-15A | 15A | Q | S | T | Fig.1 | |||||||||||||||||||||||||||||||
| YX82G2-20A | 20A | - | S | T | Fig.1 | |||||||||||||||||||||||||||||||
| YX82G3-10A | 10A | - | S | T |
<2> |
Fig.1 | ||||||||||||||||||||||||||||||
| YX82G3-20A | 20A | - | S | T | Fig.1 | |||||||||||||||||||||||||||||||
| YX82G3-30A | 30A | - | S | T |
<5> |
Fig.1 | ||||||||||||||||||||||||||||||
| YX82G5-30A | 30A | - | S | T | Fig.1 | |||||||||||||||||||||||||||||||
| YX82G5-50A | 50A | - | S | T | Fig.1 | |||||||||||||||||||||||||||||||
| YX82G5-60A | 60A | - | S | T |
<7> |
Fig.1 | ||||||||||||||||||||||||||||||
| YX82G4-100A | 100A | - | S | T | Fig.1 | |||||||||||||||||||||||||||||||
| YX82G4-150A | 150A | - | S | T | Fig.1 | |||||||||||||||||||||||||||||||
| YX82G6-200A | 200A | - | S | T | <10> | Fig.1 | ||||||||||||||||||||||||||||||


| Случай | B | C | D | E | F | G | H | Я | J | K | L | |||||||||||||||||||||||||||||
| G1 | 72 | 65 | 39 | 75 | 85 | 35 | 22 | 45 | M4 | M4/M6 | ||||||||||||||||||||||||||||||
| G2 | 98 | 80 | 40 | 95 | 105 | 50 | 20 | 4.5*6.5 | 50 | M4 | M4/M6 | |||||||||||||||||||||||||||||
| G3 | 120 | 100 | 50 | 115 | 130 | 50 | 28 | 4*6 | 60 | M4 | M4/M6 | |||||||||||||||||||||||||||||
| G5 | 150 | 105 | 60 | 120 | 135 | 55 | 35 | 4*6 | 90 | M6 | M8 | |||||||||||||||||||||||||||||
| G6 | 260 | 170 | 100 | 196 | 220 | 85 | 65 | 8*12 | 172 | M8 | M10 | |||||||||||||||||||||||||||||
| Допуски | ±1 | ±1 | ±1 | ±0.15 | ±1 | ±0.5 | ±0.5 | ±0.15 | ±0.15 | ±0.15 | ||||||||||||||||||||||||||||||
Таблица вносимой потери (в системе 50ohm согласовывая IEC/CISPR No.17)
6/10A 20A

30A 40/50A

100/200A
