ENEC Трехфазный EMI фильтр 10A ~ 50A Терминалный блок RFI фильтр для полупроводникового оборудования
3-фазный 4-линейный EMI-фильтр с высокочастотным ослаблением для офисного оборудования и офисного оборудования высокой мощности
Описание фильтра RFI
1, Номинальные токи от 3 до 200 А
2, Высокая производительность при ослаблении до 300 МГц
3, Нормальное напряжение 440VAC для всемирного принятия
4, Одобрения: CE, ROHS, ENEC
| Положение | YBX 3-фазный 4-линейный EMI-фильтр |
| Номер части | YX82G3-30A-T |
| Номинальное напряжение | 250/440VAC,50/60Hz |
| Частота работы | постоянное до 60 Гц |
| Номинальные токи | 3 ~ 200A@40°C |
| Рейтинг гипота | L-L 2250VDC |
| L-N 1600VDC | |
| L/N-G 4000VDC | |
| Перегрузка тока: | 1.5x номинального тока в течение 1 минуты, один раз в час |
| Климатическая категория | -25°C~+85°C ((25/85/21) |
| Конструкция, соответствующая | UL1283, CSA C22.2 No.8, |
| IEC/EN 60939, | |
| CQC GB 15288/GB 15287-2008 | |
| Возгораемость | UL 94V-0 |
Особенности:
1Защита от помех напряжения.
2Продвинутые двухступенчатые фильтрующие схемы с высоконасыщающимися тороидальными индукторами
3. Продукция по индивидуальным требованиям клиента
Типичные применения:
1Приложения, требующие высокочастотного аттенуации
2Офисное оборудование высокой мощности
3Офисное и обрабатывающее оборудование

Таблица выбора фильтра:
| Часть No. | Дело | Номинальные токи (A) | Выходные соединения |
| YX82G3-6A | G3 | 10 | Винт M4/M6/M8 |
| YX82G3-10A | G3 | 20 | |
| YX82G3-15A | G3 | 30 | Терминальный блок |
| YX82G3-20A | G3 | 40 | |
| YX82G3-30A | G3 | 50 | Медные прутки |
B: Медный стержень
S: Шрубная лопатка
T: Терминальный блок
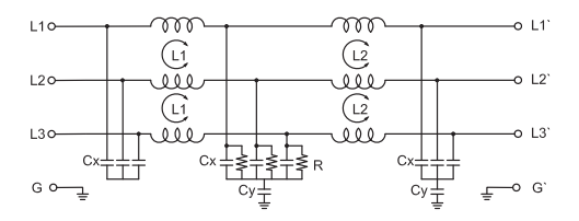
Электрическая схема:

Таблетки:
|
Модель No. |
Номинальный ток @40°C |
Варианты терминала* | Ток утечки 440V/50HZ | Номинальное напряжение ((V) | Рабочая частота ((Hz) | ||
![]() |
![]() |
![]() |
|||||
| YX93G2-3A | 3А | Q. | S | T | < 5,0 мА | 250/440 В | 50/60 Гц |
| YX93G2-6A | 6А | Q. | S | T | |||
| YX93G2-10A | 10А | Q. | S | T | |||
| YX93G3-15A | 15А | Q. | S | T | |||
| YX93G3-20A | 20А | - | S | T | |||
| YX93G3-25A | 25А | - | S | T | |||
| YX93G3-30A | 30А | - | S | T | |||
| YX93G5-40A | 40А | - | S | T | < 10,0 мА | ||
| YX93G5-50A | 50А | - | S | T | |||
| YX93G4-60A | 60А | - | S | T | |||
| YX93G4-70A | 70А | - | S | T | |||
| YX93G4-80A | 80А | - | S | T | |||
| YX93G4-100A | 100А | - | S | T | < 20,0 мА | ||
| YX93G4-130A | 130А | - | S | T | |||
| YX93G6-150A | 150A | - | S | T | |||
| YX93G6-200A | 200А | - | S | T | |||
Механические размеры ((мм):


Таблица потерь вставки ((В системе 50 Ом согласно IEC/CISPR No.17)


