Локоть нержавеющей стали ″ ½ AISI 304 MSS SP-114 CL150 45DEG 2 продетый нитку бросанием
Информация о продукте
| Название продукта | Локоть нержавеющей стали ″ ½ AISI 304 MSS SP-114 CL150 45DEG 2 продетый нитку бросанием |
| Типы потока | ASME B1.20.1 (NPT), BS 21 (NSPT), DIN2999/259 |
| Размеры | MSS SP-114 |
| Ряд размера | 1/8" до 4" |
| Класс давления | 150 |
| Материалы | AISI 304/L |
Стандарт & материалы: AISI 304L
SAE/ANSI 304 (AISI 304) наиболее обыкновенно доступный и используемый тип нержавеющей стали. Оно также назван нержавеющая сталь 18/8, нержавеющая сталь A2 (согласно ISO 3506), или 304S15 (согласно английскому стандарту). Это аустенитовый сплав хроми-никеля который практически значит что он имеет очень высокую коррозионную устойчивость. Оно также немагнитн и не может быть затвердет через термическую обработку. По мере того как AISI 304 может выдержать весьма коррозионные среды и может быть сформировано, который подвергло механической обработке и сварено относительно легкое, оно очень популярно для широкого диапазона применений.
Химический состав AISI 304/L (%)
| Ранг | C, максимальный | Cr | Mn, максимальный | Ni | P, максимальный | S, максимальный | Si, максимальный |
| AISI 304 | 0,08 | 18~20 | 2 | 8~10.5 | 0,045 | 0,03 | 1 |
| AISI 304L | 0,03 | 18~20 | 2 | 8~12 | 0,045 | 0,03 | 1 |
Свойства AISI 304/L механические
| Механические свойства | 304 | 304L |
| Твердость, Knoop | 138 | 158 |
| Твердость, Rockwell b | 70 | 82 |
| Твердость, Vickers | 129 | 159 |
| Прочность на растяжение, окончательная | MPa 505 | MPa 564 |
| Прочность на растяжение, выход | MPa 215 | MPa 210 |
| Удлиненность на перерыве | 70% | 58% |
| Модуль упругости | 193~200 GPa | 193~200 GPa |
| Удар Charpy | 325 j | 216J |
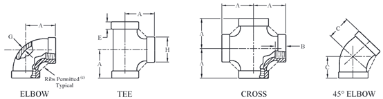
MSS SP-114 проставляет размеры бросания 45 градусов продело нитку локти 90°/45°, тройники и кресты (дюймы)

| NPS | Локти, тройники & кресты Центр-к-конца | Центр-к-конец 45° проталкивает | Длина потока (b) (MIN.) | Ширина диапазона (MIN.) | Толщина металла (a) | Вне Dia. диапазона (MIN.) |
| C | B | E | G | H | ||
| ⅛ | 0,81 | 0,69 | 0,25 | 0,20 | 0,09 | 0,75 |
| ¼ | 0,81 | 0,69 | 0,32 | 0,20 | 0,09 | 0,84 |
| ⅜ | 0,93 | 0,81 | 0,36 | 0,21 | 0,10 | 1,01 |
| ½ | 1,12 | 0,87 | 0,43 | 0,25 | 0,10 | 1,20 |
| ¾ | 1,31 | 1,00 | 0,50 | 0,27 | 0,12 | 1,46 |
| 1 | 1,50 | 1,12 | 0,58 | 0,30 | 0,13 | 1,77 |
| 1 ¼ | 1,75 | 1,31 | 0,67 | 0,34 | 0,14 | 2,15 |
| 1 ½ | 1,93 | 1,43 | 0,70 | 0,37 | 0,15 | 2,43 |
| 2 | 2,25 | 1,68 | 0,75 | 0,42 | 0,17 | 2,96 |
| ½ 2 | 2,68 | 1,93 | 0,92 | 0,48 | 0,2 | 3,31 |
| 3 | 3,06 | 2,18 | 0,98 | 0,55 | 0,23 | 4,00 |
| 4 | 3,81 | 2,62 | 1,08 | 0,66 | 0,26 | 5,06 |
ПРИМЕЧАНИЯ:
картины (a) будут конструированы для произведения отливок толщины металла уступанных таблица. Толщина металла на никакой этап будет чем 90% из значений уступанных таблица.
(b) длина потока может удлинить за шириной диапазона. Однако, минимальную толщину металла (g) необходимо поддерживать в конце потока.