AISI 304 MSS SP-114 CL150 Литая нержавеющая сталь 2½ дюйма с прямой крестовиной резьбой
Информация о товаре
| наименование товара | AISI 304 MSS SP-114 CL150 Литая нержавеющая сталь 2½ дюйма с прямой крестовиной резьбой |
| Типы резьб | ASME B1.20.1(NPT), BS 21 (NSPT), DIN2999/259 |
| Размеры | МСС СП-114:2018 |
| Диапазон размеров | 2½ дюйма |
| Класс давления | Класс 150 |
| Материалы | АИСИ 304/Л |
Прямой крест – это четырехходовой фитинг, используемый для двойного перпендикулярного соединения с трубой.Оно напоминает перекресток.Линии, которые подключаются к основному участку трубы, известны как «ответвления».Основной участок трубы часто называют «коллектором».Слово «прямой» означает, что все четыре выхода имеют одинаковый размер трубы.
Стандарты и материалы:АИСИ 304/Л
SAE/ANSI 304 (AISI 304) — наиболее распространенный и используемый тип нержавеющей стали.Ее также называют нержавеющей сталью 18/8, нержавеющей сталью А2 (согласно ISO 3506) или 304S15 (согласно британскому стандарту).Это аустенитный хромоникелевый сплав, что практически означает, что он обладает очень высокой коррозионной стойкостью.Он также немагнитен и не может быть упрочнен термической обработкой.Поскольку AISI 304 может противостоять чрезвычайно агрессивным средам и относительно легко поддается формованию, механической обработке и сварке, он очень популярен для широкого спектра применений.
Химический состав AISI 304/L (%)
| Оценка | С, не более | Кр | Мн, макс | Ни | П, макс | С, макс | Си, макс. |
| АИСИ 304 | 0,08 | 18~20 | 2 | 8~10,5 | 0,045 | 0,03 | 1 |
| АИСИ 304Л | 0,03 | 18~20 | 2 | 8~12 | 0,045 | 0,03 | 1 |
Механические свойства AISI 304/L
| Механические свойства | 304 | 304Л |
| Твердость, Кнуп | 138 | 158 |
| Твердость, Роквелл Б | 70 | 82 |
| Твердость, по Виккерсу | 129 | 159 |
| Предел прочности, предельная | 505 МПа | 564 МПа |
| Предел прочности, Выход | 215 МПа | 210 МПа |
| Относительное удлинение при разрыве | 70% | 58% |
| Модуль упругости | 193~200 ГПа | 193~200 ГПа |
| Влияние Шарпи | 325 Дж | 216Дж |
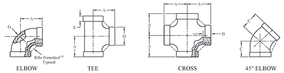
SP-114 Размеры колен, тройников и крестовин с литой резьбой 45/90 градусов класса 150.(в дюймах)

| НПС | Отводы, тройники и крестовины от центра до конца | От центра до конца 45олокти | Длина резьбы(б)(мин.) | Ширина полосы (мин.) | Толщина металла(а) | За пределами Диа.группы (мин.) |
| А | С | Б | Э | г | ЧАС | |
| ⅛ | 0,81 | 0,69 | 0,25 | 0,20 | 0,09 | 0,75 |
| ¼ | 0,81 | 0,69 | 0,32 | 0,20 | 0,09 | 0,84 |
| ⅜ | 0,93 | 0,81 | 0,36 | 0,21 | 0,10 | 1.01 |
| ½ | 1.12 | 0,87 | 0,43 | 0,25 | 0,10 | 1.20 |
| ¾ | 1.31 | 1.00 | 0,50 | 0,27 | 0,12 | 1,46 |
| 1 | 1,50 | 1.12 | 0,58 | 0,30 | 0,13 | 1,77 |
| 1¼ | 1,75 | 1.31 | 0,67 | 0,34 | 0,14 | 2.15 |
| 1½ | 1,93 | 1.43 | 0,70 | 0,37 | 0,15 | 2.43 |
| 2 | 2.25 | 1,68 | 0,75 | 0,42 | 0,17 | 2,96 |
| 2½ | 2,68 | 1,93 | 0,92 | 0,48 | 0,2 | 3.31 |
| 3 | 3.06 | 2.18 | 0,98 | 0,55 | 0,23 | 4.00 |
| 4 | 3,81 | 2,62 | 1.08 | 0,66 | 0,26 | 5.06 |
ПРИМЕЧАНИЯ: