ASTM A815 UNS S31803 BW Equal Tee Duplex из нержавеющей стали
Фитинги BW Equal Tee Duplex используются в различных отраслях промышленности, включая нефть и газ, химическую переработку, опреснительные установки и морские приложения.Они обычно используются в трубопроводах, где требуется равное распределение потока или интеграция системы.
Equal Tee ASTM A815 WP-S UNS S31803 представляет собой дуплексный стальной Tee. Он из ферритовой или аустенитной нержавеющей стали с микроструктурой 50:50.
BW Equal Tee Duplex изготовлен из дуплексной нержавеющей стали, которая является коррозионно-устойчивым и высокопрочным материалом.Нержавеющая сталь дуплекса состоит из сбалансированной смеси фаз аустенита и феррита, обеспечивающий отличную стойкость к коррозии, включая коррозию в ямах и трещинах.
Заваривание задницы (BW) Типы Tee
BW Tee классифицируется на два типа в соответствии с диаметрами ветвей и функциями:
Равная шайба:Три ветви tee имеют одинаковый диаметр.
Уменьшение Tee(Редуктор Tee). : Диаметр ветки меньше, чем главный диаметр. Редукторная линия обычно описывается как диаметры NPS в 4 ′′ x 4 ′′ x 3 ′′, где 4 ′′ - диаметр основной линии трубы, а 3 ′′ - редукторная ветка.
Информация о продукте
| Наименование продукта | ASTM A815 UNS S31803 BW Equal Tee Duplex из нержавеющей стали |
| Диапазон размеров | Размеры: 1/2 ′′ до 24 ′′ |
| Толщина стены | Sch10S Sch20 STD Sch40 XS Sch80 |
| Стандарты |
ASTM A815 MSS SP-75 |
| Материал | S31803 |
| Производственные стандарты | ASME B16.9 |
Материал (UNS S31803) Химическая композиция
| Наименование СНБ | В | Мн | П | S | Да, да. | Ни. | КР | Мо | N |
| S31803 | 0.03 | 2.00 | 0.03 | 0.02 | 1.00 | 4.5-6.5 | 21.0-23.0 | 2.5-3.5 | 0.08-0.20 |
ASTM A815 является стандартной спецификацией для фреритной, ферритной/аустенитной и мартенситной труб из нержавеющей стали.Фитинги класса WP подразделяются на четыре класса.:
WP-S, бесшовные изделия.
WP-W, сварные изделия.
WP-WX, Трубопроводы, содержащие сварки, где все сварки были рентгенографированы.
WP-WU, фитинги, содержащие сварки, где все сварки были испытаны ультразвуковым способом.
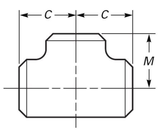
Стальные теннисы равные размеры и вес

|
Номинальный Размер трубы (NPS) |
На улице Дии. в Бевеле (мм) |
От центра до конца | Масса (кг) | ||||||
| Пробег, С (мм) | Выпуск, М (мм) | Sch 10S | Sch 20 | ЗППП | Ш 40 | XS | Ш 80 | ||
| 1/2 | 21.3 | 25 | 25 | 0.1 | 0.16 | 0.16 | 0.25 | 0.25 | |
| 3/4 | 26.7 | 29 | 29 | 0.13 | 0.2 | 0.2 | 0.27 | 0.27 | |
| 1 | 33.4 | 38 | 38 | 0.28 | 0.29 | 0.29 | 0.35 | 0.35 | |
| 1-1/4 | 42.2 | 48 | 48 | 0.5 | 0.53 | 0.53 | 0.65 | 0.65 | |
| 1-1/2 | 48.3 | 57 | 57 | 0.7 | 0.77 | 0.77 | 0.96 | 0.96 | |
| 2 | 60.3 | 64 | 64 | 0.85 | 1.88 | 1.88 | 1.9 | 1.9 | |
| 2-1/2 | 73.0 | 76 | 76 | 1.4 | 2.69 | 2.69 | 3.07 | 3.07 | |
| 3 | 88.9 | 86 | 86 | 1.8 | 3.82 | 3.82 | 4.5 | 4.5 | |
| 3-1/2 | 101.6 | 95 | 95 | 2.7 | 5.18 | 5.18 | 6.17 | 6.17 | |
| 4 | 114.3 | 105 | 105 | 3.5 | 6 | 6 | 8.44 | 8.44 | |
| 5 | 141.3 | 124 | 124 | 6.1 | 9.94 | 9.94 | 12.94 | 12.94 | |
| 6 | 168.3 | 143 | 143 | 8.1 | 16.48 | 16.48 | 19.3 | 19.3 | |
| 8 | 219.1 | 178 | 178 | 15.6 | 29 | 33 | 33 | 34.5 | 34.5 |
| 10 | 273.0 | 216 | 216 | 27 | 34.7 | 49.35 | 49.35 | 58.57 | 68 |
| 12 | 323.8 | 254 | 254 | 40 | 59 | 65 | 70.5 | 84.9 | 115 |
| 14 | 355.6 | 279 | 279 | 48 | 90 | 93 | 114.41 | 127.12 | 165 |
| 16 | 406.4 | 305 | 305 | 59 | 100 | 115 | 167.52 | 167.52 | 249 |
| 18 | 457 | 343 | 343 | 77 | 127.12 | 135 | 238.35 | 190 | 322 |
| 20 | 508 | 381 | 381 | 103 | 168 | 168 | 320.52 | 245 | 459 |
| 22 | 559 | 419 | 419 | 200 | 200 | 280 | 600 | ||
| 24 | 610 | 432 | 432 | 155 | 240 | 240 | 570.68 | 350 | 748 |