Платформа с высокой точностью наклона датчика, аналоговый датчик наклона 5 Гц полосы пропускания
Особенности
☆ Угол выхода непосредственно
☆ дистанционная передача
☆ K-2QJJ100B/100F/100G является водонепроницаемой оболочкой
☆ K-2QJJ100/100F - выход RS485.
☆ K-2QJJ100B - выход RS232
☆ K-2QJJ100G - выход импульса
Применение
☆инженерные машины
☆постановка платформы
SpЕЦИfЯcа)tион
| Тип | K-2QJJ100A | K-2QJJ100C | K-2QJJ100D |
| Электрический характер | |||
| Входное напряжение | 10 ~ 30 VDC | ||
| Входной ток | < 20 мА | ||
| Режим вывода | RS485 | RS232 | выход импульса |
| Баудовая ставка | 9600 bps | ||
| Обновление данных | 25 Гц | ||
| Индекс эффективности | |||
| Диапазон | ± 30° | ||
| Нелинейный (% FS) | 00,5% ФС | ||
| Разрешение (°/с) | 00,05° | ||
| Противопоказания | 0.1° | ||
| Пропускная способность | 5 Гц | ||
| Время запуска (мс) | < 1s | ||
| Характеристики окружающей среды | |||
| Температура (°C) | -40°C~+70°C | ||
| Температура хранения | -40°C~+125°C | ||
| Физические характеристики | |||
| Масса (г) | < 500 г | ||
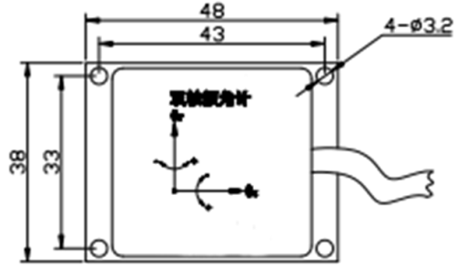
| Размеры | 48×38×18 мм | 82×58×43 мм | |
Примечание: диапазон может быть выбран ±20°,±40°,±60°,±75°.
Размер



