Нагнетательная труба 500A 30% 0.3pF 3216 газа SMD3216 1206 поверхностный прибор Arrester GDT держателя SMD для защиты сети
Описание нагнетательной трубы газа SMD3216
Серия SMD3216 особенно была конструирована для того чтобы соотвествовать предохранения от передачи данных. Оптимизированные конструктивные особенности высокий уровень защиты против быстрых поднимая переходных процессов обычно причиняемых помехами молнии. Для пользы в высокочастотных телевизионных строках с данными телетекста, серия предлагает ультра низкие емкости и шоу только косвенно сигнализируют потери до частот коротковолнового диапазона. Приборы весьма надежны и могут выдержать высокие течения пульсации без разрушения.

Особенности 3216 1206 поверхностного GDT держателя SMD
• Превосходный ответ, который нужно голодать поднимая переходные процессы
• Стабилизированное пробивное напряжение
• GHz работая частоты
• возможность течения импульса 8/20μs: 500A
• Поверхностный пакет держателя
• Нерадиоактивный
• Ультра низкая емкость (<0>
• Неэтилированное уступчивое
• RoHS и ДОСТИГАЕМОСТЬ уступчивые
• Очень небольшой размер (EIA 1206)
• Хранение и рабочая температура: -40~+90°C
Применения 3216 нагнетательная труба 1206 газов
• Локальные сети, PoE, xDSL
• Кабельный модем, splitters, linecards
• Беспроводное предохранение от антенны
• Оборудование CATV
• Переключая электропитание

| Номер детали | DC Искр-над напряжением тока 1) 2) @100V/S | Импульс Искр-над напряжением тока | Сопротивление изоляции 3) |
Емкость @1 MHz | Срок службы | ||||||||||||||||||||
| Разряд тока @8/20μS импульса | Емкость @10/700μS выдерживая напряжения тока импульса, 40 ±5 раз |
||||||||||||||||||||||||
| 100V/μS | 1KV/μS | ||||||||||||||||||||||||
| Макс | Макс | Минута | Макс | Номинальный ±5 раз |
Макс 1 время | ||||||||||||||||||||
| V | V | V | GΩ | pF | KV | ||||||||||||||||||||
| SMD3216-090N | 90±30% | 600 | 700 | 1 | 0,3 | 500 | 600 | 6 | |||||||||||||||||
| SMD3216-150N | 150±30% | 600 | 700 | 1 | 0,3 | 500 | 600 | 6 | |||||||||||||||||
| SMD3216-200N | 200±30% | 650 | 750 | 1 | 0,3 | 500 | 600 | 6 | |||||||||||||||||
| SMD3216-230N | 230±30% | 650 | 750 | 1 | 0,3 | 500 | 600 | 6 | |||||||||||||||||
| SMD3216-300N | 300±30% | 700 | 800 | 1 | 0,3 | 500 | 600 | 6 | |||||||||||||||||
| SMD3216-350N | 350±30% | 750 | 850 | 1 | 0,3 | 500 | 600 | 6 | |||||||||||||||||
| SMD3216-400N | 400±30% | 850 | 950 | 1 | 0,3 | 500 | 600 | 6 | |||||||||||||||||
| SMD3216-420N | 420±30% | 850 | 950 | 1 | 0,3 | 500 | 600 | 6 | |||||||||||||||||
| SMD3216-470N | 470±30% | 1000 | 1100 | 1 | 0,3 | 500 | 600 | 6 | |||||||||||||||||
| SMD3216-500N | 500±30% | 1000 | 1200 | 1 | 0,3 | 500 | 600 | 6 | |||||||||||||||||
| SMD3216-600N | 600±30% | 1200 | 1400 | 1 | 0,3 | 500 | 600 | 6 | |||||||||||||||||
| Напряжение тока зарева на 10mA .............................................................. ~60V | |||||||||||||||||||||||||
| Напряжение на дуге на 0.2A ~10V | |||||||||||||||||||||||||
| Накалите, что образовать дугу течение перехода .......................................... ~0.1A | |||||||||||||||||||||||||
| Вес ~0.03g | |||||||||||||||||||||||||
| Температура деятельности и хранения ................................... -40~+90°C | |||||||||||||||||||||||||
| Климатическая категория (IEC 60068-1) 40/90/21 | |||||||||||||||||||||||||
| Маркировка ..................................................................... Без | |||||||||||||||||||||||||
| Штейнов-олово поверхностного покрытия покрыло | |||||||||||||||||||||||||
| 1) На уровне II AQL 0,65 доставки, ISO 2859 DIN 2) В ионизированном режиме 3) Напряжение тока сопротивления изоляции измеряя: 90V~150V на DC 50V Другой на DC 100V Термины в соответствии с ITU-T Rec. K.12, IEC 61643-311, GB/T 9043. |
|||||||||||||||||||||||||

| Символ | Миллиметры | Дюймы | |||||||||||||||
| 1.6±0.2 | 0.063±0.008 | ||||||||||||||||
| B | 1.6±0.2 | 0.063±0.008 | |||||||||||||||
| C | 3.2±0.3 | 0.126±0.012 | |||||||||||||||
| D | 0.3±0.1 | 0.012±0.004 | |||||||||||||||
| X | 1,3 | 0,051 | |||||||||||||||
| X1 | 3,3 | 0,130 | |||||||||||||||
| Y | 1,8 | 0,071 | |||||||||||||||
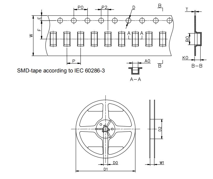
Спецификации запись на ленту и вьюрка

| Символ | Миллиметры | Дюймы | |||||||||||||||
| W | 12±0.3 | 0.472±0.012 | |||||||||||||||
| A0 | 1.8±0.1 | 0.071±0.004 | |||||||||||||||
| B0 | 3.4±0.1 | 0.134±0.004 | |||||||||||||||
| K0 | 1.8±0.1 | 0.071±0.004 | |||||||||||||||
| P | 4.0±0.1 | 0.157±0.004 | |||||||||||||||
| F | 5.5±0.1 | 0.217±0.004 | |||||||||||||||
| E | 1.75±0.1 | 0.069±0.004 | |||||||||||||||
| D | 1.5+0.1/-0.0 | 0.059+0.004/-0.0 | |||||||||||||||
| P0 | 4±0.1 | 0.157±0.004 | |||||||||||||||
| P2 | 2±0.1 | 0.079±0.004 | |||||||||||||||
| T | 0.35±0.05 | 0.014±0.002 | |||||||||||||||
| D0 | 13.3±0.15 | 0.524±0.006 | |||||||||||||||
| D1 | 178±2 | 7.007±0.079 | |||||||||||||||
| D2 | 60+1/-2 | 2.362+0.039/-0.079 | |||||||||||||||
| W1 | 12.5±0.4 | 0.492±0.016 | |||||||||||||||
Паяя параметры - паять Reflow (поверхностные приборы держателя)

| Условие Reflow | Pb - свободное собрание | ||||||||||||||||||
| Pre жара | - Минута температуры (Ts (минута)) | 150°C | |||||||||||||||||
| - Температура Макс (Ts (максимальные)) | 200°C | ||||||||||||||||||
| - Время (минута к максимальному) (ts) | 60 -180 секунды | ||||||||||||||||||
| Среднего пандуса тариф вверх (Temp TL жидкостей), который нужно выступить | 3°C/second максимальное | ||||||||||||||||||
| TS (максимальные) к TL - тарифу пандуса-вверх | 5°C/second максимальное | ||||||||||||||||||
| Reflow | - Температура (TL) (жидкости) | 217°C | |||||||||||||||||
| - Время (минута к максимальному) (ts) | 60 -150 секунды | ||||||||||||||||||
| Пиковая температура (TP) | 260 +0/-5°C | ||||||||||||||||||
| Время в пределах 5°C фактической пиковой температуры (tp) | 10 - 30 секунд | ||||||||||||||||||
| Тариф пандуса-вниз | 6°C/second максимальное | ||||||||||||||||||
| Время 25°C выступить температуру (TP) | 8 минут максимальных | ||||||||||||||||||
| Не превысьте | 260°C | ||||||||||||||||||