GEPON ONU SFP 1.25G SC/UPC PX20 разрывало модуль приемопередатчика TX1310nm/RX1490nm 20km
Описание
Приемопередатчик одиночного режима GTS-SEU11-20DC GIGAOPTO модуль небольшого форм-фактора pluggable конструированный для передачи сети локальных сетей гигабита пассивной оптически (EPON) 20km. Оптически блок сети (ONU) для применения 1000BASE-PX20 IEEE Std 802.3ahTM -2004.
Модуль включает передатчик взрыв-режима 1310nm и приемник непрерывн-режима 1490nm. Раздел передатчика использует лазер 1310nm DFB, и раздел приемника использует интегрированный фотодиод и предусилитель Pin 1490nm InGaAs установленные совместно. Он имеет функцию которая показывает состояние сигнал-обнаруженное приемником.
Спецификация
| Упаковка продукта | EPON SFP ONU | Скорость | 1250Mbps/1250Mbps |
| Типы интерфейса | SC/UPC | Длина связи | 20km |
| Контроль цифров диагностический | УТВЕРДИТЕЛЬНЫЙ ОТВЕТ | Режим волокна | SMF
|
| Гарантия | 3 лет | Окружающая среда | Реклама -5 к 70°C |
| Разбивочная длина волны | TX1310nm/RX1490nm | Напряжение тока электропитания | 3.3V |
| Расход энергии | <1W | Icc | 300mA |
| Оптически компоненты | DFB | Тип PD | PIN |
| Сила выхода передатчика | 0 к 4dBm | Чувствительность | <-27dBm |
| Коэффициент вымирания | >9dB | Сатурация | >-3dBm |
| Протоколы | IEEE 802.3ah-2004, Telcordia GR-468-CORE | ||
Особенности
Применение
Стандарты
Упорядочение информации
| Номер детали | Описание | Тариф данных (Gb/s) | Длина волны (nm) | Класс | Интерфейс | Temp. |
| GTF-SEU11-20DC | EPON ONU SFF 2x10 | T1.25/R1.25 | Tx1310/Rx1490 | PX20 | Штепсельная розетка SC/UPC | -5~70°C |
| GTF-SEU11-20DI | EPON ONU SFF 2x10 | T1.25/R1.25 | Tx1310/Rx1490 | PX20 | Штепсельная розетка SC/UPC | -40~85°C |
| GTF-UEU11-20DC | EPON ONU SFF 2x10 | T1.25/R1.25 | Tx1310/Rx1490 | PX20 | Отрезок провода SC/UPC | -5~70°C; |
| GTF-UEU11-20DI | EPON ONU SFF 2x10 | T1.25/R1.25 | Tx1310/Rx1490 | PX20 | Отрезок провода SC/UPC | -40~85°C |
| GTF-AEU11-20DC | EPON ONU SFF 2x10 | T1.25/R1.25 | Tx1310/Rx1490 | PX20 | Отрезок провода SC/APC | -5~70°C; |
| GTF-AEU11-20DI | EPON ONU SFF 2x10 | T1.25/R1.25 | Tx1310/Rx1490 | PX20 | Отрезок провода SC/APC | -40~85°C |
| GTS-SEU11-20DC | EPON ONU SFP | T1.25/R1.25 | Tx1310/Rx1490 | PX20 | Штепсельная розетка SC/UPC | -5~70°C |
| GTS-SEU11-20DI | EPON ONU SFP | T1.25/R1.25 | Tx1310/Rx1490 | PX20 | Штепсельная розетка SC/UPC | -40~85°C |
| GTS-BEU11-20DC | EPON ONU SFP | T1.25/R1.25 | Tx1310/Rx1490 | PX20 | Штепсельная розетка LC/APC | -5~70°C |
| GTS-BEU11-20DI | EPON ONU SFP | T1.25/R1.25 | Tx1310/Rx1490 | PX20 | Штепсельная розетка LC/APC | -40~85°C |
Совместимость
Gigaopto изготовляет и запасает полный диапасон оптически приемопередатчиков до 100G. Весь из наших оптически модулей приемопередатчика качеств-испытаны для совместимости с окружающей средой переключателя цели и 100% совместимое с главными брендами как Cisco, парча, HP, можжевельник, Huawei, Alcatel-светящиеся, весьма, ость, etc. и предложить 3-летнюю гарантию.
Для этого (EPON ONU SFP SC/UPC PX20 TX1310nm/RX1490nm), пожалуйста см. таблица корреспонденции P/N. Если вам нужна больше совместимости, то пожалуйста не смутитесь позволить нам знать.
| Совместимый бренд | Совместимый номер детали | Совместимый бренд | Совместимый номер детали |
| GIGAOPTO | GTS-SEU11-20DC | WTD | RTXM169-531 |
Определение Pin

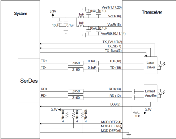
Типичная цепь применения

План пакета
Размеры в миллиметрах. Все размеры ±0.1mm если не указано иное. (Блок: mm)
