Модуль приемопередатчика взрыва 1310nm-TX/1490nm-RX 1.25G DDM штепсельной розетки GEPON ONU PX20 SFF 2x10 SC/UPC
Описание
Приемопередатчик GTF-SEU11-20DC GIGAOPTO двухнаправленный модуль высокой эффективности для одиночных связей волокна используя передатчик режима взрыва 1310nm 1.25Gbps и приемник режима 1490nm 1.25Gbps непрерывный. Оптически блок сети (ONU) для IEEE Std 802.3ahTM -2004. Оптически приемопередатчик уступчив со следом ноги 2x10 форм-фактора согласования Мульти-источника (MSA) небольшим (SFF).
Передатчик использует лазерный диод FP и полно уступчивый с IEC60825 и CDRH классифицируйте 1 безопасность глаза. Раздел приемника использует герметичное упакованное PIN-TIA (PIN с усилителем транс-импеданса) и ограничиваясь усилитель.
Спецификация
| Упаковка | EPON ONU SFF 2x10 | Тариф данных (Gbps) | 1.25Gbps/1.25Gbps |
| Типы интерфейса | SC/UPC | Максимальное расстояние | 20km |
| Контроль цифров диагностический | УТВЕРДИТЕЛЬНЫЙ ОТВЕТ | Тип волокна | Волокно одиночного режима |
| Гарантия | 3 лет | Температура | Реклама -5 к 70°C Промышленное -40 к 85°C |
| Разбивочная длина волны | TX1310nm RX1490nm | Напряжение тока электропитания | 3.3V |
| Расход энергии | <1W | Настоящий | 300mA |
| Типы лазера | FP | Фотодетектор | PIN |
| Оптически сила выхода | 0 к 4dBm | Чувствительность | <-27dBm |
| Коэффициент вымирания | >9dB | Насыщенная оптически сила | >-3dBm |
| Протоколы | MSA, SFF-8472, IEEE-802.3ah | ||
Особенности
Применение
Стандарты
Упорядочение информации
| P/N | Описание | Тариф данных (Gb/s) | Длина волны (nm) | Класс | Соединитель | Temp. |
| GTF-SEU11-20DC | EPON ONU SFF 2x10 | Tx1.25/Rx1.25 | Tx1310/Rx1490 | PX20 | Штепсельная розетка SC/UPC | -5~70°C; |
| GTF-SEU11-20DI | EPON ONU SFF 2x10 | Tx1.25/Rx1.25 | Tx1310/Rx1490 | PX20 | Штепсельная розетка SC/UPC | -40~85°C |
| GTF-UEU11-20DC | EPON ONU SFF 2x10 | Tx1.25/Rx1.25 | Tx1310/Rx1490 | PX20 | Отрезок провода SC/UPC | -5~70°C; |
| GTF-UEU11-20DI | EPON ONU SFF 2x10 | Tx1.25/Rx1.25 | Tx1310/Rx1490 | PX20 | Отрезок провода SC/UPC | -40~85°C |
| GTF-AEU11-20DC | EPON ONU SFF 2x10 | Tx1.25/Rx1.25 | Tx1310/Rx1490 | PX20 | Отрезок провода SC/APC | -5~70°C; |
| GTF-AEU11-20DI | EPON ONU SFF 2x10 | Tx1.25/Rx1.25 | Tx1310/Rx1490 | PX20 | Отрезок провода SC/APC | -40~85°C |
| GTS-SEU11-20DC | EPON ONU SFP | Tx1.25/Rx1.25 | Tx1310/Rx1490 | PX20 | Штепсельная розетка SC/UPC | -5~70°C; |
| GTS-SEU11-20DI | EPON ONU SFP | Tx1.25/Rx1.25 | Tx1310/Rx1490 | PX20 | Штепсельная розетка SC/UPC | -40~85°C |
| GTS-BEU11-20DC | EPON ONU SFP | Tx1.25/Rx1.25 | Tx1310/Rx1490 | PX20 | Штепсельная розетка LC/APC | -5~70°C; |
| GTS-BEU11-20DI | EPON ONU SFP | Tx1.25/Rx1.25 | Tx1310/Rx1490 | PX20 | Штепсельная розетка LC/APC | -40~85°C |
Определение Pin

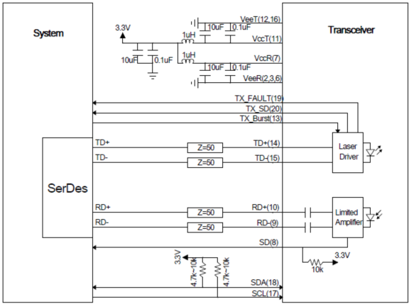
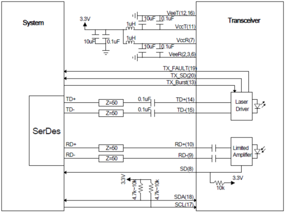
Типичная цепь применения
Пары DC TX:

Пары AC TX:
