Модули приемопередатчика SC SMF DDM SFP 1.25G EPON OLT PX20+ TX1490nm/RX1310nm 20km оптически
Описание
GTS-SET11-20DCB GIGAOPTO модуль приемопередатчика высокой эффективности EPON OLT конструированный для применений сети локальных сетей гигабита низкой цены пассивных оптически на 1.25Gbps по потоку и 1.25Gbps перед. Оно полно уступчив с IEEE 802.3ah-2004.
Раздел передатчика использует лазер 1490nm DFB и интегрированный водителя лазера который конструирован для того чтобы быть безопасностью глаза класса 1 в стандарты IEC825 и CDRH. Водитель лазера включает функции APC и компенсации влияния температуры, которые использованы для держать коэффициент силы и вымирания старта оптически постоянн над температурой и стареть. Приемник имеет герметично упакованный предусилитель APD-TIA (усилителя транс-импеданса) и ограничиваясь усилитель с выходами LVPECL совместимыми дифференциальными. Потеря приемника сигнала (Rx_LOS), передает отключение (Tx_DIS), передает недостаток (Tx_FAULT) и монитор и функции управления LVTTL совместимое.
Цифровая диагностическая контролируя функция полно уступчива с SFP MSA.
Спецификация
| Упаковка | EPON OLT SFP | Тариф передачи данных | TX-1.25G/RX-1.25G |
| Интерфейс | SC/UPC | Дальность передачи | 20km |
| Контроль цифров диагностический | УТВЕРДИТЕЛЬНЫЙ ОТВЕТ | Средства массовой информации | SMF |
| Гарантия | 3 лет | Рабочая температура | -5 к 70°C |
| Температура окружающей среды хранения | -40 к 85°C | Работая влажность | 5% до 85% |
| Разбивочная длина волны | TX1490nm/RX1310nm | Напряжение тока электропитания | 3.3V |
| Расход энергии | <1> | Течение полной поставки | 500mA |
| Тип лазера | 1490nm DFB | Фотодетектор | APD |
| Сила передатчика | +2 к +7dBm | Чувствительность приемника | <-30dbm> |
| ER | >9dB | Сатурация приемника | >-6dBm |
| Протоколы | SFP MSA, SFF-8472, IEEE 802.3ah-2004 | ||
Особенности
Применение
Сети локальных сетей гигабита пассивные оптически (GEPON)
FTTx
Стандарты
Упорядочение информации
| Номер детали | Пакет | Тариф данных (Gbps) | Длина волны (nm) | Класс | Интерфейс | Достигаемость | Temp. |
| GTS-SET11-20DCB | EPON OLT SFP | T1.25/R1.25 | Tx1490/Rx1310 | PX20+ | SC | 20km | C |
| GTS-SET11-20DIB | EPON OLT SFP | T1.25/R1.25 | Tx1490/Rx1310 | PX20+ | SC | 20km | Я |
| GTS-SET11-20DCC | EPON OLT SFP | T1.25/R1.25 | Tx1490/Rx1310 | PX20++ PX30 | SC | 20km | C |
| GTS-SET11-20DIC | EPON OLT SFP | T1.25/R1.25 | Tx1490/Rx1310 |
PX20++ PX30 |
SC | 20km | Я |
| GTS-SET11-20DCD | EPON OLT SFP | T1.25/R1.25 | Tx1490/Rx1310 |
PX20+++ 7dBm PX40 |
SC | 20km | C |
| GTS-SET11-20DID | EPON OLT SFP | T1.25/R1.25 | Tx1490/Rx1310 |
PX20+++ 7dBm PX40 |
SC | 20km | Я |
| GTS-SET11-20DCE | EPON OLT SFP | T1.25/R1.25 | Tx1490/Rx1310 | PX20+++ 9dBm PX40 | SC | 20km | C |
| GTS-SET11-20DIE | EPON OLT SFP | T1.25/R1.25 | Tx1490/Rx1310 | PX20+++ 9dBm PX40 | SC | 20km | Я |
Совместимость
Весь из модулей Gigaopto оптически открытый источник и могут быть закодированы для того чтобы быть полно - совместим с много сильно популярных оптических приборов. Для этого продукта (EPON OLT PX20+ SFP 1.25G TX1490nm/RX1310nm) пожалуйста см. следующая таблица совместимости. Если вы хотел были бы больше информации о совместимости, то пожалуйста чувствуйте свободной связаться мы.
| Совместимый бренд | Совместимый номер детали | Совместимый бренд | Совместимый номер детали |
| GIGAOPTO | GTS-SET11-20DCB | WTD | RTXM168-418 |
| Alcatel-светящийся | 3FE53606AA01 | Hisense | LTE4302M-BC+ |
| Huawei | 34060500 | SuperXon | SOEB4366-PSGB |
| ZTE | 033030100161 | Broadex | D24355-SSCD |
| H3C | SFP-GE-PX20-D-SM1490-M | BDCOM | OLT-GSFP-20+ |
Определение Pin

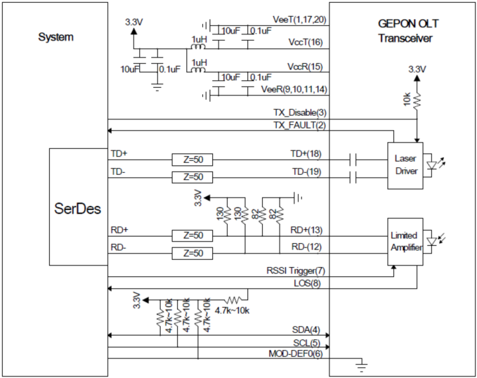
Типичная цепь применения

План пакета
Размеры в миллиметрах. Все размеры ±0.1mm если не указано иное. (Блок: mm)
