42BLY01A-004AG25 мотор 3 участков безщеточный с редуктором скорости коробки передач 36mm планетарным
Широкий коэффициент скорости с длинной продолжительностью жизни обслуживания
42BLY01A-004AG25 состоит из 3 мотора dc участка 42mm безщеточного и 36mm планетарной коробки передач. Для того же самого количества емкости нагрузки, наша коробка передач порошковых металлургий планетарная имеет более высокую продолжительность жизни обслуживания чем традиционные коробки передач. Ключевые аспекты улучшить эффективность и надежность в любой механической системе.
Электрическая спецификация
| Модель | ||
| Модель изготовления | 42BLY01A-004AG25 | |
| Количество участков | Участок | 3 |
| Количество поляков | Поляки | 4 |
| Линия - к - сопротивление трубопровода | ОМЫ | 5 |
| Номинальное напряжение | VDC | 24 |
| Скорость нулевой нагрузки | RPM | 4800 |
| Течение нулевой нагрузки | Amps | 0,25 |
| Проектная скорость | Rpm | 3500±200 |
| Расклассифицированный вращающий момент | N.m | 0,04 |
| Пиковый вращающий момент | N.m | 0,12 |
| Константа вращающего момента | N.m/A | 0,043 |
| Задняя константа EMF | V/kRPM | 4,4 |
| Длина тела | mm | 78 |
| Вес | Kg | 0,56 |
| СПЕЦИФИКАЦИИ МОТОРА С ПЛАНЕТАРНОЙ ШЕСТЕРНЕЙ | ||
| Расклассифицированный вращающий момент | N.m | 0,72 |
| Проектная скорость | Rpm | 140±10% |
| Расклассифицированная сила | W | 18W |
| КОЭФФИЦИЕНТ | 25:1 | |
*Products могут быть подгоняны особенным запросом.
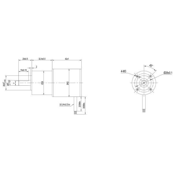
Монтажная схема
| ФУНКЦИЯ | ЦВЕТ | |
| +5V | КРАСНЫЙ ЦВЕТ | UL1007 26AWG |
| ЗАЛА A | ЖЕЛТЫЙ ЦВЕТ | |
| ЗАЛА B | ЗЕЛЕНЫЙ ЦВЕТ | |
| ЗАЛА C | СИНЬ | |
| GND | ЧЕРНОТА | |
| УЧАСТОК A | ЖЕЛТЫЙ ЦВЕТ | UL3265 22AWG |
| УЧАСТОК B | ЗЕЛЕНЫЙ ЦВЕТ | |
| УЧАСТОК C | СИНЬ |
Механический размер

Спецификация ЧАСТИ КОРОБКИ ПЕРЕДАЧ электрическая:
порошковые металлургии 36mm
| Расквартировывать материал | Носить на выходе | Радиальная нагрузка (10mm от фланца) n | Аксиальная нагрузка вала (n) | Сила пресс-пригонки вала максимальная (n) | Радиальная игра вала (mm) | Толкнутая игра вала (mm) | Отрицательная реакция на нулевой нагрузке (°) |
| Порошковые металлургии | подшипники рукава | ≤120 | ≤80 | ≤500 | ≤0.03 | ≤0.1 | ≤1.5 |
| Коэффициент уменьшения | Расклассифицированный вращающий момент допуска (Nm) | Максимальный мгновенный вращающий момент допуска (Nm) | Efficiency% | Длина (mm) | Вес (g) | Количество зубчатых переборов |
| 1/4 | 0,3 | 1,0 | 81% | 24,8 | 145 | 1 |
| 1/5 | ||||||
| 1/16 | 1,2 | 3,5 | 72% | 32,4 | 173 | 2 |
| 1/20 | ||||||
| 1/25 | ||||||
| 1/53 |
2,5 |
7,5 | 65% | 41,9 | 213 | 3 |
| 1/62 | ||||||
| 1/76 | ||||||
| 1/94 | ||||||
| 1/117 |
