Мотор 42BLY01A-003AG16 200 RPM сильный безщеточный зацепленный dc с коробкой передач порошковых металлургий
Мотор 42BLY01A может соответствовать коробке передач 36mm и 42mm.
| Модель | Вращающий момент N.M | Максимальная радиальная нагрузка | Аксиальная нагрузка вала | Коэффициент уменьшения | Коробка передач расквартировывая материал | Напряжение тока (v) | Сила (w) | Скорость (RPM) |
| 42BLY01A-002AG5 | 0,16 | ≤120N (10mm от переднего фланца) | ≤80N | 5:1 | Порошковые металлургии | 24 | 12 | 700 |
| 42BLY01A-003AG16 | 0,46 | 16:1 | 24 | 11 | 218 | |||
| 42BLY01A-004AG25 | 0,72 | 25:1 | 24 | 18 | 140 | |||
| 42BLY01A-005AG62 | 1,60 | 62:1 | 24 | 9 | 56 |
Электрическая спецификация
| Часть мотора | ||
| Модель изготовления | 42BLY01A-003AG16 | |
| Количество участков | Участок | 3 |
| Количество поляков | Поляки | 4 |
| Линия - к - сопротивление трубопровода | ОМЫ | 5 |
| Номинальное напряжение | VDC | 24 |
| Скорость нулевой нагрузки | RPM | 4800 |
| Течение нулевой нагрузки | Amps | 0,25 |
| Проектная скорость | Rpm | 3500±200 |
| Расклассифицированный вращающий момент | N.m | 0,04 |
| Пиковый вращающий момент | N.m | 0,12 |
| Константа вращающего момента | N.m/A | 0,043 |
| Задняя константа EMF | V/kRPM | 4,4 |
| Длина тела | mm | 42 |
| Вес | Kg | 0,3 |
| СПЕЦИФИКАЦИИ С ПЛАНЕТАРНОЙ ШЕСТЕРНЕЙ | ||
| Расклассифицированный вращающий момент | N.m | 0,46 |
| Проектная скорость | Rpm | 218±10% |
| Расклассифицированная сила | W | 11 |
| КОЭФФИЦИЕНТ | 16:1 | |
*Products могут быть подгоняны особенным запросом.
Монтажная схема
| ФУНКЦИЯ | ЦВЕТ | |
| +5V | КРАСНЫЙ ЦВЕТ | UL1007 26AWG |
| ЗАЛА A | ЖЕЛТЫЙ ЦВЕТ | |
| HALLB | ЗЕЛЕНЫЙ ЦВЕТ | |
| HALLC | СИНЬ | |
| GND | ЧЕРНОТА | |
| УЧАСТОК A | ЖЕЛТЫЙ ЦВЕТ | UL3265 22AWG |
| УЧАСТОК B | ЗЕЛЕНЫЙ ЦВЕТ | |
| УЧАСТОК C | СИНЬ |
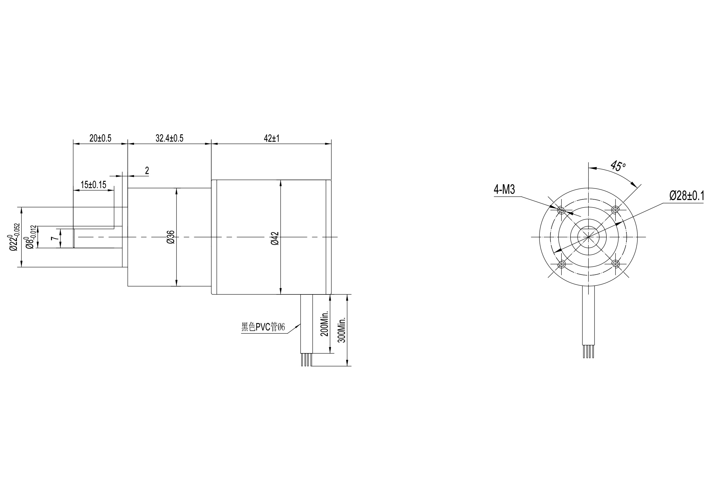
Механический размер

порошковые металлургии 36mm
| Расквартировывать материал | Носить на выходе | Радиальная нагрузка (10mm от фланца) n | Аксиальная нагрузка вала (n) | Сила пресс-пригонки вала максимальная (n) | Радиальная игра вала (mm) | Толкнутая игра вала (mm) | Отрицательная реакция на нулевой нагрузке (°) |
| Порошковые металлургии | подшипники рукава | ≤120 | ≤80 | ≤500 | ≤0.03 | ≤0.1 | ≤1.5 |
| Коэффициент уменьшения | Расклассифицированный вращающий момент допуска (Nm) | Максимальный мгновенный вращающий момент допуска (Nm) | Efficiency% | Длина (mm) | Вес (g) | Количество зубчатых переборов |
| 1/4 | 0,3 | 1,0 | 81% | 24,8 | 145 | 1 |
| 1/5 | ||||||
| 1/16 | 1,2 | 3,5 | 72% | 32,4 | 173 | 2 |
| 1/20 | ||||||
| 1/25 | ||||||
| 1/53 | 2,5 | 7,5 | 65% | 41,9 | 213 | 3 |
| 1/62 | ||||||
| 1/76 | ||||||
| 1/94 | ||||||
| 1/117 |