Мотор 12v шестерни шагать 42BYGH208-59AG54 с малошумным цилиндрическим 1:54 коэффициента редуктора шестерни
| Модель | Размер | Вес (g) | Настоящий/участок | Диаметр коробки передач | Коэффициент уменьшения | Угол шага | Держащ вращающий момент с коробкой передач (Nm) |
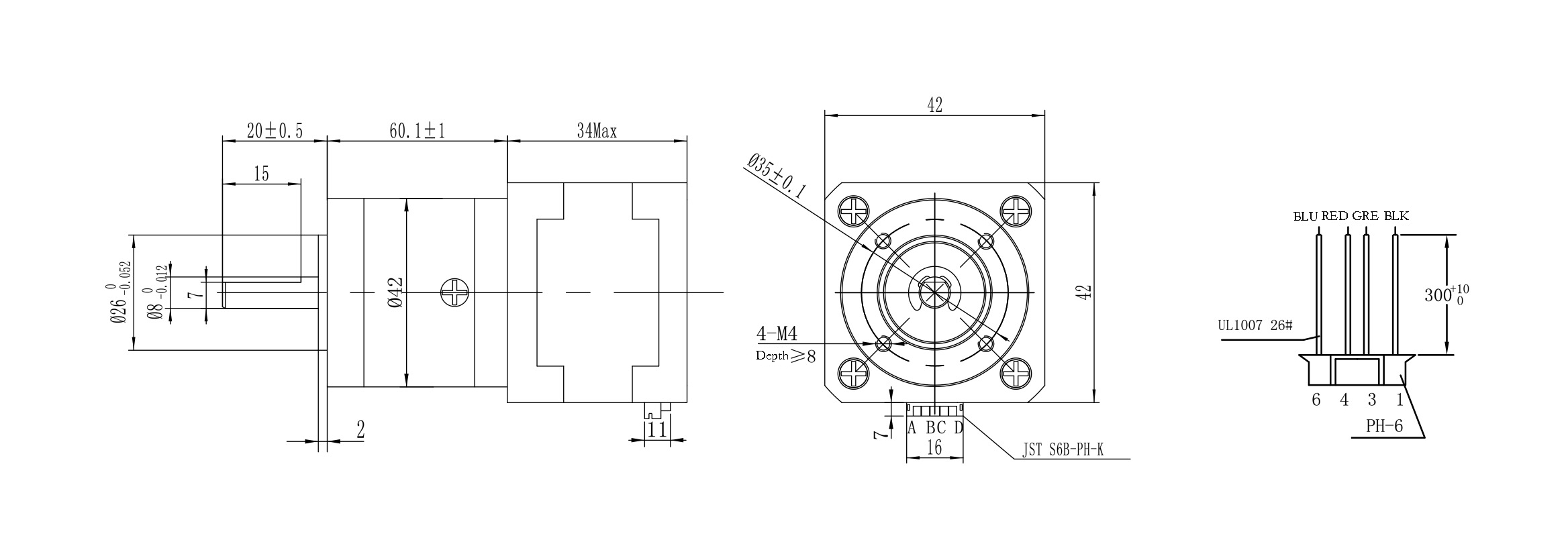
| 42BYGH208-59AG54 | 42*42*93.8 mm | 467 | 0,4 | 42mm | 1:54 | 1,8 | 8,78 |
| 42BYGH208-58AG117 | 42*42*75.6 mm | 413 | 0,4 | 36mm | 1:117 | 1,8 | 19,01 |
| 42BYGH603-07AG5 | 42*42*64.5 mm | 385 | 0,4 | 36mm | 1:5 | 1,8 | 1,54 |
| 42BYGH603-08AG16 | 42*42*72.1 mm | 413 | 0,4 | 36mm | 1:16 | 1,8 | 4,38 |
Электрическая спецификация
| УГОЛ ШАГА | °/STEP | 1,8 |
| РАСКЛАССИФИЦИРОВАННОЕ НАПРЯЖЕНИЕ ТОКА | V | 12 |
| ТЕЧЕНИЕ | A/PHASE | 0,4 |
| СОПРОТИВЛЕНИЕ | Ω/PHASE | 30 |
| ИНДУКТИВНОСТЬ | mH/PHASE | 42 |
| УДЕРЖАНИЕ ВРАЩАЮЩЕГО МОМЕНТА | Kg.cm | 2,5 |
| КЛАСС ИЗОЛЯЦИИ | B | |
*Products могут быть подгоняны особенным запросом.


Спецификация КОРОБКИ ПЕРЕДАЧ электрическая:
Из порошковых металлургий диаметра 42mm
| Расквартировывать материал | Носить на выходе | Радиальная нагрузка (10mm от фланца) n | Аксиальная нагрузка вала (n) | Сила пресс-пригонки вала максимальная (n) | Радиальная игра вала (mm) | Толкнутая игра вала (mm) | Отрицательная реакция на нулевой нагрузке (°) |
| Порошковые металлургии | подшипник рукава | ≤120 | ≤80 | ≤500 | ≤0.03 | ≤0.1 | ≤1.5 |
| Коэффициент уменьшения | Расклассифицированный вращающий момент допуска (Nm) | Максимальный мгновенный вращающий момент допуска (Nm) | Efficiency% | Длина (mm) | Вес (g) | Количество зубчатых переборов |
| 1/4 | 1,0 | 3,0 | 81% | 32,5 | 170 | 1 |
| 1/6 | ||||||
| 1/15 | 4,0 | 12 | 72% | 46,3 | 207 | 2 |
| 1/18 | ||||||
| 1/25 | ||||||
| 1/36 | ||||||
| 1/54 |
8,0
|
25
|
65%
|
60,1
|
267
|
3 |
| 1/65 | ||||||
| 1/90 | ||||||
| 1/112 | ||||||
| 1/155 | ||||||
| 1/216 | 10 | 30 | 65% | 60,1 | 267 |
Широкий коэффициент скорости с длинной продолжительностью жизни обслуживания
Для того же самого количества емкости нагрузки, планетарная коробка передач имеет более высокую продолжительность жизни обслуживания чем традиционные коробки передач. Поэтому, эти коробки передач легки для регуляции и для установки. Эти ключевые аспекты которые могут улучшить эффективность и надежность в любой механической системе.
Опять, расположение шестерней такое что вся система остается стабилизированной и надежной.