28BYGH102-39AG6 микро-компактное в моторе коробки передач шага степени 0.67A космоса 1,8 малошумном
| Модель | Размер | Вес (g) | Участок | Настоящий/участок | Напряжение тока | Точность угла шага |
| 28BYGH102-39AG6 | 28*28*60.5 mm | 215 | 2 | 0,67 | 3,9 | ±5% |
| 28BYGH507-02AG6 | 28*28*79.8 mm | 305 | 2 | 2 | 5,4 | ±5% |
Планетарная коробка передач, также известная как эпициклическая коробка передач, один из самых важных типов коробок передач доступных в территории контроля за движением. Они часто использованы как важная часть автоматических передач.
Электрическая спецификация
| 28BYGH102-39AG6 | ||
| УГОЛ ШАГА | °/STEP | 1,8 |
| РАСКЛАССИФИЦИРОВАННОЕ НАПРЯЖЕНИЕ ТОКА | V | 4,22 |
| ТЕЧЕНИЕ | A/PHASE | 0,67 |
| СОПРОТИВЛЕНИЕ | Ω/PHASE | 6,3 |
| ИНДУКТИВНОСТЬ | mH/PHASE | 3,2 |
| УДЕРЖАНИЕ ВРАЩАЮЩЕГО МОМЕНТА | g.cm | 600 |
| КЛАСС ИЗОЛЯЦИИ | B | |
*Products могут быть подгоняны особенным запросом.
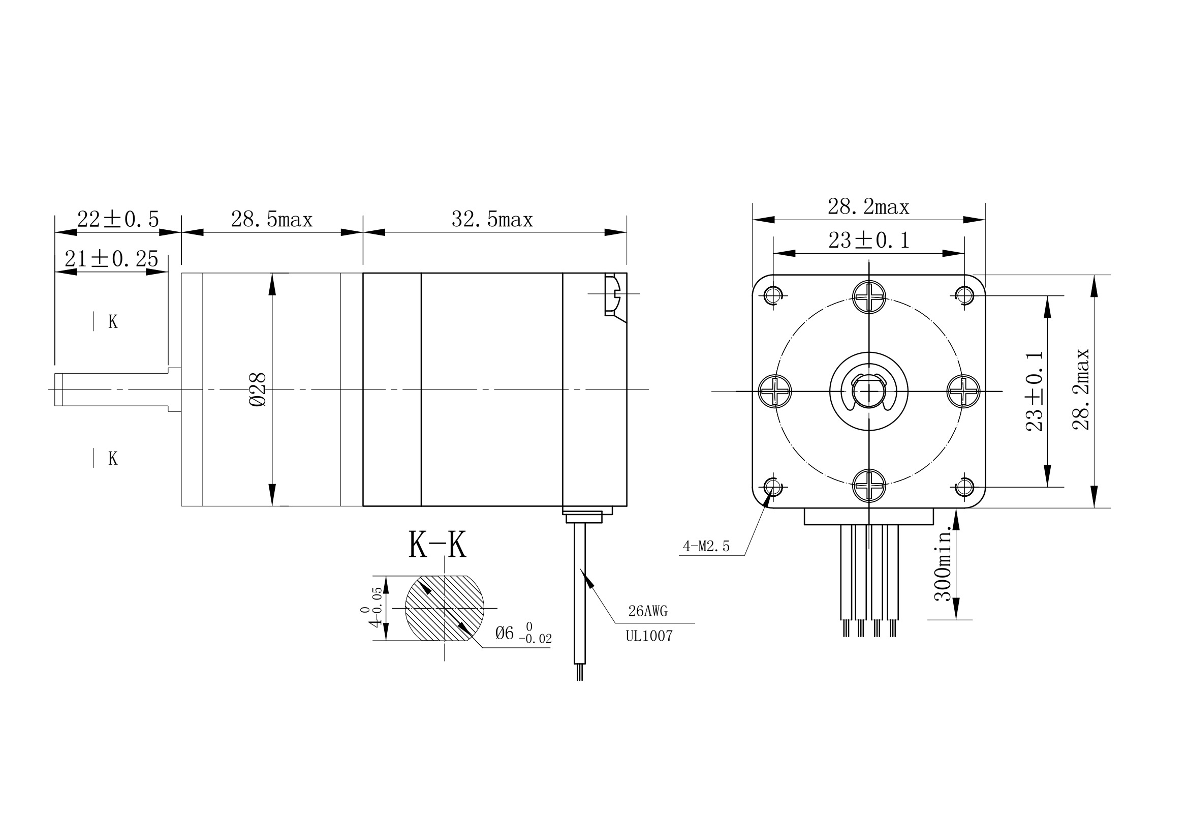
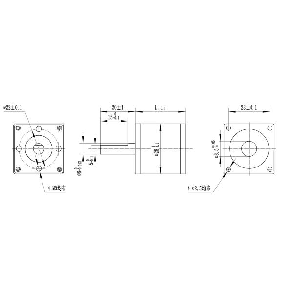
Монтажная схема


Спецификация ЧАСТИ КОРОБКИ ПЕРЕДАЧ электрическая:
Из диаметра 28mm
| Расквартировывать материал | Носить на выходе | Радиальная нагрузка (10mm от фланца) n | Аксиальная нагрузка вала (n) | Сила пресс-пригонки вала максимальная (n) | Радиальная игра вала (mm) | Толкнутая игра вала (mm) | Отрицательная реакция на нулевой нагрузке (°) |
| Порошковые металлургии | подшипник рукава | ≤80 | ≤30 | ≤200 | ≤0.03 | ≤0.4 | ≤1.5 |
| Коэффициент уменьшения | Расклассифицированный вращающий момент допуска (Nm) | Максимальный мгновенный вращающий момент допуска (Nm) | Efficiency% | Длина (mm) | Вес (g) | Количество зубчатых переборов |
| 1/3 | 0,2 | 0,6 | 81% | 28,5 | 105 | 1 |
| 1/6 |
Механический размер

1. Вы фабрика?
Да, мы фабрика. Наше фирменное наименование Hetai известный микро- изготовитель мотора на больше чем 20 лет внутри
Китай. Главные продукты включая гибридный stepper мотор, безщеточный мотор DC, мотор сервопривода, и планетарную коробку передач.
2. Могу я испытать образец?
Да, образцы и перевозка поручены.
3. Могу я получить подгонянный продукт?
Конечно, все продукты можно подгонять основанный на особенных запросах.
4. Как вы грузите товары?
Мы нормально грузим товары срочным (DHL/UPS/FEDEX/TNT), морским путем и самолетом, также для того чтобы принять товароотправителя перевозки.
5. Что условия оплаты?
T/T (банковский трансфер), PayPal (0,5% обязанности) PayPal, заказ обеспечения ALIBABA принимают
6. Это ваша окончательная цена? Смог я иметь скидку?
Наша цена цена по прейскуранту завода-изготовителя. Если вы имеете большое количество, то мы можем обсудить о скидке.
7. Что гарантия для ваших продуктов?
Наша гарантия на один год. Если любые качественные проблемы произошли на нашей стороне в это время, то мы примем на грузя цену и замену. пожалуйста повреждение примечания причиненное неправильной пользой продукта не предусматривано гарантией.