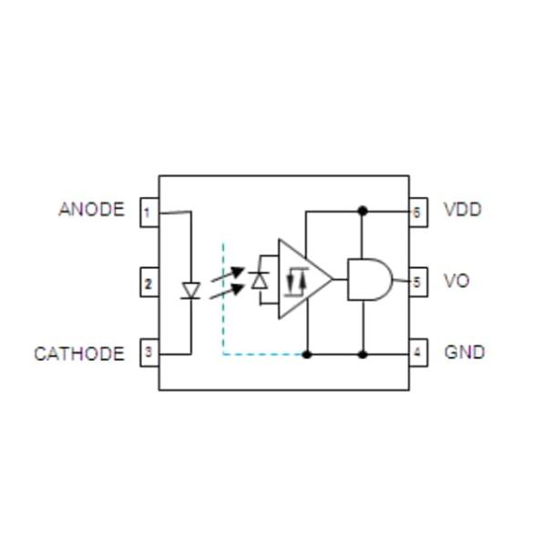
Модули FOD848x гарантированы над выдвинутым промышленным диапазоном температур -40°C до +100°C и vDDряд 4.5V к 30V. Приборы предлагают низкий меняFи широкое vDDряд который позволяет совместимости с логикой TTL, LSTTL, и CMOS. Это приводит в более низком расходе энергии сравненном к другим высокоскоростным Оптопары.
