BTA16-800CW TRIAC Standard 800 V 16 A Through Hole TO-220 Discrete Semiconductor Products Тиристоры
--Симистор Стандартный 800 В 16 А Сквозное отверстие TO-220 T1610, T1635, T1650 BTA16, BTB16
Snubberless™, логический уровень и стандартные симисторы на 16 А
Приложения
• Версии без демпфера (BTA/BTB...W и T1635), особенно рекомендуемые для
использование на индуктивных нагрузках из-за их высоких характеристик коммутации
• Функция включения/выключения или фазового сдвига в таких приложениях, как статические реле, световые
диммеры и регуляторы скорости вращения электродвигателей
Описание:
Серии BTA16, BTB16 и T1610, T1635 и T1650 Triac, доступные в корпусах для сквозного или поверхностного монтажа, подходят для коммутации сетевого питания переменного тока общего назначения.Их можно использовать в качестве функции ВКЛ/ВЫКЛ в таких приложениях, как статические реле, регулирование нагрева или схема запуска асинхронного двигателя.Они также рекомендуются для управления фазой в регуляторах освещенности и регуляторах скорости электродвигателей бытовой техники.Версии Snubberless™ (суффикс W и T1610, T1635, T1650) особенно рекомендуются для использования на индуктивных нагрузках из-за их высокой коммутационной характеристики.
Функции
• Симистор среднего тока
• Низкое термическое сопротивление благодаря зажимному соединению
• Изоляционная керамика с низким термическим сопротивлением для изолированного ВТА
• Высокая коммутация (4Q) или очень высокая коммутация (3Q, Snubberless™)
способность
• Серия BTA сертифицирована UL1557 (ссылка на файл: 81734)
• Упаковки соответствуют требованиям RoHS (2002/95/EC)
• Изолированная вкладка (серия BTA, рассчитана на 2500 VRMS)
N-Channel 180A (Tc) 200W (Tc) сквозное отверстие TO-220AB Спецификация:
Категория | Дискретные полупроводниковые продукты |
Тиристоры | |
производитель | СТ |
Ряд | Серия БТА16 |
Упаковка | Трубка |
Номер части | BTA16-800CW BTA16-800BW BTA16-800SW BTA16-800BRG BTA16-800CRB BTA16-800CWRB |
Тип крепления | Через отверстие |
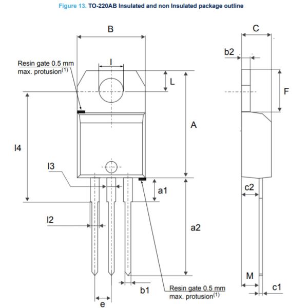
Пакет устройств поставщика | ТО-220АБ |
Пакет/кейс | ТО-220-3 |
Базовый номер продукта | БТА16 |
| АТРИБУТ | ОПИСАНИЕ |
|---|---|
| Статус RoHS | Соответствует ROHS3 |
| Уровень чувствительности к влаге (MSL) | 1 (неограниченно) |
| ДОСТИЖЕНИЕ Статус | REACH Не затронуто |
| ECCN | EAR99 |
| ХТСУС | 8541.29.0095 |






