Кувырок 74LVC74APW Nexperia IC двойной D типа с пуском 74LVC74A положительн-края набора и возврата
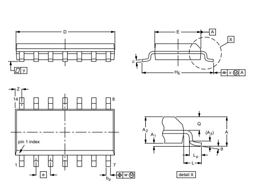
Элемент D типа 1 темпового сальто сальто 2 сдержал положительный край 14-TSSOP (0,173", ширина 4.40mm)
Описание:
74LVC74A двойной край вызвало D типа кувырок с индивидуальными входными сигналами данных (nD), входными сигналами часов (nCP), набором (nSD) и входными сигналами (nRD), и комплементарным nQ и выходами nQ. Набор и возврат асинхронные активные НИЗКИЕ входные сигналы и работают независимо от входного сигнала часов. Информация на вводе данных возвращена к выходу nQ на ВЫСОТОЙ С Низко к переходе импульса счета. Входные сигналы nD должны быть стабилизированным одним настроенным временем до ВЫСОТОЙ С Низко к перехода часов, для прогнозированной деятельности. Переход порога генерации Schmitt на всех входных сигналах делает цепь сильно терпимой более медленных подъема входного сигнала и времен падения.
Применение:
• Водитель СИД для модуля СИД цепного
• Освещать контржурным светом LCD
• Автомобильное управление мотора
• Переключатель крюка для связанных проволокой телекоммуникаций
• Электропитание режима переключателя (SMPS)
Особенности:
• 5 терпимых входных сигналов v для переплетать с логикой 5 v
• Широкий ряд подачи напряжения от 1,2 v к 3,6 v
• Потребление низкой мощности CMOS
• Сразу интерфейс с уровнями TTL
• Исполняет со стандартом JEDEC:
• JESD8-7A (1,65 v до 1,95 v)
• JESD8-5A (2,3 v до 2,7 v)
• JESD8-C/JESD36 (2,7 v до 3,6 v)
• Предохранение от ESD:
• HBM JESD22-A114F превышает 2000 v
• MM JESD22-A115-B превышает 200 v
• CDM JESD22-C101E превышает 1000 v
• Множественные варианты пакета
• Определенный от °C -40 к °C +85 °C и -40 к °C +125
|
Категория
|
Интегральные схемаы (ICs)
|
|
Логика - темповые сальто сальто
|
|
|
Mfr
|
Nexperia США Inc.
|
|
Серия
|
74LVC
|
|
Состояние части
|
Активный
|
|
Функция
|
(Заранее поставленный) набор и возврат
|
|
Тип
|
D типа
|
|
Тип выхода
|
Комплементарный
|
|
Количество элементов
|
2
|
|
Количество битов в элемент
|
1
|
|
Тактовая частота
|
250 MHz
|
|
Максимальная задержка распространения @ v, максимальный CL
|
5.2ns @ 3.3V, 50pF
|
|
Тип пуска
|
Положительный край
|
|
Текущий объем производства высокий, низкий
|
24mA, 24mA
|
|
Напряжение тока - поставка
|
1.2V | 3.6V
|
|
Настоящий - спокойный (Iq)
|
µA 10
|
|
Входная емкость
|
4 pF
|
|
Рабочая температура
|
-40°C | 125°C (ЖИВОТИКИ)
|
|
Устанавливать тип
|
Поверхностный держатель
|
|
Пакет прибора поставщика
|
14-TSSOP
|
|
Пакет/случай
|
14-TSSOP (0,173", ширина 4.40mm)
|
|
Низкопробный номер продукта
|
74LVC74
|
Упорядочение информации:
| Пакет плана °C 74LVC74AD -40 к +125 °C SO14 пластиковый небольшой; 14 руководства; |
| Пакет плана пластикового тонкого сокращения °C 74LVC74APW -40 к +125 °C TSSOP14 небольшой; 14 руководства; |
| Восходящий поток теплого воздуха °C 74LVC74ABQ -40 +125 °C DHVQFN14 пластиковый двойной встроенный совместимый к увеличил SOT76 |
Родственные продукты:
| Часть Mfr # | Mfr | Описание | Пакет/случай |
| SN74LVC74APWR | Texas Instruments | IC FF D-TYPE ДВОЙНОЕ 1BIT 14TSSOP | 14-TSSOP (0,173", ширина 4.40mm) |
| SN74LVC74APW | Texas Instruments | IC FF D-TYPE ДВОЙНОЕ 1BIT 14TSSOP | 14-TSSOP (0,173", ширина 4.40mm) |
| SN74LVC74APWT | Texas Instruments | IC FF D-TYPE ДВОЙНОЕ 1BIT 14TSSOP | 14-TSSOP (0,173", ширина 4.40mm) |
| 74LVC74APW, 118 | Nexperia США Inc. | IC FF D-TYPE ДВОЙНОЕ 1BIT 14TSSOP | 14-TSSOP (0,173", ширина 4.40mm) |
| 74LVC74APW, 118 | Полупроводники Philip | NEXPERIA 74LVC74APW - D FLIP-FLO | - |
| 74LVC74APW/AU118 | Philip США Inc. | КУВЫРОК D, СЕРИЯ LVC/LCX/Z | - |
| 74LVC74APW/S400118 | Philip США Inc. | КУВЫРОК D, СЕРИЯ LVC/LCX/Z | - |
| SN74LVC74APWRG4 | Texas Instruments | IC FF D-TYPE ДВОЙНОЕ 1BIT 14TSSOP | 14-TSSOP (0,173", ширина 4.40mm) |
| 74LVC74APW-Q100118 | Philip США Inc. | КУВЫРОК D, СЕРИЯ LVC/LCX/Z | - |
| 74LVC74APW/S410118 | Philip США Inc. | КУВЫРОК D, СЕРИЯ LVC/LCX/Z | - |
| 74LVC74APW, 112 | Nexperia США Inc. | IC FF D-TYPE ДВОЙНОЕ 1BIT 14TSSOP | 14-TSSOP (0,173", ширина 4.40mm) |
| 74LVC74APW/AUJ | Philip США Inc. | IC FF D-TYPE ДВОЙНОЕ 1BIT 14TSSOP | 14-TSSOP (0,173", ширина 4.40mm) |
| 74LVC74APW-Q100J | Nexperia США Inc. | IC FF D-TYPE ДВОЙНОЕ 1BIT 14TSSOP | 14-TSSOP (0,173", ширина 4.40mm) |
| SN74LVC74APWG4 | Texas Instruments | IC FF D-TYPE ДВОЙНОЕ 1BIT 14TSSOP | 14-TSSOP (0,173", ширина 4.40mm) |
| SN74LVC74APWTG4 | Texas Instruments | IC FF D-TYPE ДВОЙНОЕ 1BIT 14TSSOP | 14-TSSOP (0,173", ширина 4.40mm) |
| SN74LVC74APWRE4 | Texas Instruments | IC FF D-TYPE ДВОЙНОЕ 1BIT 14TSSOP | 14-TSSOP (0,173", ширина 4.40mm) |
Изображения:
74LVC74APW: Элемент D типа 1 темпового сальто сальто 2 сдержал положительный край 14-TSSOP (0,173", ширина 4.40mm)

74LVC74 SOIC14:


