близкие мотор nema 34 мотора сервопривода петли stepper с цифровым дисплеем мотор и водитель цифрового дисплея низшего напряжения 2 участков stepper
Максимальный держа вращающий момент 8.5Nm.
●Расклассифицированное настоящее 6A.
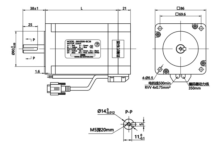
●Длина тела 118mm
●Шпоночное соединение 5mm диаметра 14mm вала
●Водитель переходника: 2HSS758
●трицатидвухразрядная технология регулирования по замкнутому циклу DSP и вектора без проигрышного шага, высокой точности в положении
Мотор короткозамкнутого витка Nema34 шагая имеет характеристики низкотермичного поколения, стабилизированной деятельности, и большого вращающего момента выхода; используя высокий стандарт гибкие кабели, он имеет сильную противоинтерференционную и длинн-длительную пользу.
