Тип дисплей ведущего бруса серии GTA регулятора температуры RS485 PID AC/DC 100~240V 0.5%FS LCD
1. Особенности и преимущества регулятора температуры GTA цифрового:
a). выход управлением входного сигнала термопары 4 петель и 4 петель SSR.
b). Сообщение и соединение с главной ЭВМ или экраном касания через RS485.
c). Расплывчатый приспособительный алгоритм PID и стандартный алгоритм опционные.
d). Дисплей LCD, деятельность keypress, легкая для того чтобы контролировать.
f). Стандарт невосприимчивости пульсации: IEC61000-4-5
g). Стандарт trainanti-взаимодействия ИМПа ульс: IEC61000-4-4
h). ESD: IEC61000-4-2
I). Норма бесопасности: IEC61010-1


3. Технические данные:
Электрический параметр:
| Тип входного сигнала | TC (k, j, e, t, n, b, r, s) 4 входного сигнала не изолированы, термопары быть изолировано от одина другого |
| Точность | Точность ±0.5%F.S ±3digits Standarded @ (20±5)℃ |
| Разрешение | Тип k 1 градус для ссылки, 12 сдержанная точность преобразования ОБЪЯВЛЕНИЯ, минимальная вероятность битовых ошибок 1,5 LSB |
| Электропитание | 100~240V AC/DC (85-265V) |
| Расход энергии | <5va> |
| Рабочая Среда | Температура: 0~50℃ отсутствие конденсации, Humiduty:< 85=""> |
| Окружающая среда хранения | -10~60℃, отсутствие конденсации |
| Выход SSR | Не изолирован уровень ИМПа ульс DC МАКС 24V, 20mA в петлю, 4 выхода |
| Порт связи | Точки соприкосновения комуникационного протокола RS485 Modbus-RTU для интерфейса и выхода |
| Сопротивление изоляции | Входной сигнал, выход, сила к шасси > 20MQ |
| Электростатическая разрядка | IEC/EN61000-4-2 perf контакта ±4KV /Air ±8KV. Критерии b |
| Разрыванная невосприимчивость | Perf IEC/EN61000-4^4 ±2KV. Критерии b |
| Невосприимчивость пульсации | Perf IEC/EN61000-4-5 ±2KV. Критерии b |
| Провес напряжения тока и недолгосрочная невосприимчивость перерыва | Nbbnperf IEC/EN61000-4-29 0%~70%. Критерии b |
| Изоляция выдерживает напряжение тока | Сигнал ввода и выход и электропитание 1500VAC 1min, DC500V для цепи под 60V, 1 минуты низшего напряжения |
| Полный вес | О 300g |
| Покрывая материал | PA66-FR (сопротивление UL94V-0 пламени) |
| Материал панели | Фильм PVC и силикон PEM кнопка |
| Защита данных отказа источника питания | 10 лет, Writable данные 1 миллион времен |
| Норма бесопасности | Классификация h перенапряжения IEC61010-1, уровень 2 загрязнения, уровень h (усиленная изоляция) |
Измеряя спецификации сигнала:

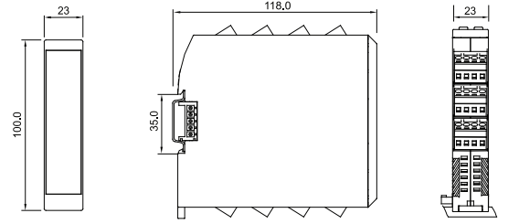
4. Размер:

5. Соединения:

6. Контакт:
Продажи: bassy shi
Сотовый телефон: +86 13773069136
Электронная почта: bassy.shi@youjiazhineng.com