Промышленный AC сигнала тревоги 3A/250V петли регулятора температуры 1 Din серии TM
1. Особенности и преимущества регулятора температуры TM цифрового:
a). Опционный входной сигнал программного обеспечения TC/RTD всеобщий
b). Умная арифметика PID с автоматическ-настраивая функцией
c). Опционные виды выхода контроля
d). 1 функция сигнала тревоги петли
e). типа Дурак деятельность, температура можно использовать внутри
различные индустрии.
f). Установка переключателя Thum более интуитивна и легка для того чтобы работать
g). Точность ±0.5%FS
2. Модельная спецификация:

3. Технический параметр:
| Тип входного сигнала | K, j, e, t, PT100, Cu100, Cu50 |
| Точность измерения | 0.5%FS |
| Разрешение | Входной сигнал RTD: под 100℃:0.1℃, над 100℃, 1℃ Входной сигнал TC: 1℃ |
| Отклонение температуры | ≤0.01FS/℃ (типичное значение 50PPM/℃) |
| Режим контроля | Управление PID, опционный ВКЛЮЧЕНО-ВЫКЛЮЧЕНО контроль (порекомендуйте управление арифметики PID с НА автоматическ-настраивая функцией.) |
| Режим сигнала тревоги | Верхний и понизить чем абсолютная величина; верхний и понизить чем setpoint отступления. |
| Тип выхода | Выход реле: емкость 3A/250VAC |
| Выход SSR: сила 24V переключателя; линейная сила 12V, нагрузка 30mA | |
| Выход сигнала тревоги | Выход реле: емкость 1A/250VAC |
| Напряжение тока | TE4: сила переключателя, AC 100~240V; TE6/7: 220V; 110V, который нужно приказать. |
| Полное течение | <20ma> |
| Рабочая Среда | 0~50℃ 45~85%RH |
| Окружающая среда хранения | -10~60℃ 25~85%RH |
| ESD | уровень 3, контакт discharge±6000V, воздух discharge±8000V |
| Поезд ИМПа ульс противоинтерференционный | уровень 4, ±2000Vp-p |
| Грозовое перенапряжение | уровень 3, линия - - линия ±2000V |
| Падение частоты | уровень 3 |
4. Размер:

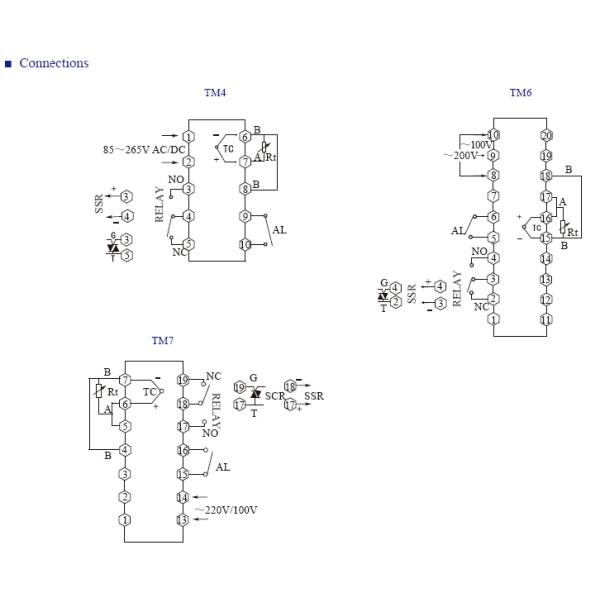
5. Соединения:

6. Контакт:
Продажи: bassy shi
Сотовый телефон: +86 13773069136
Электронная почта: bassy.shi@youjiazhineng.com