Плененный мотор вкладыша вала VSM20-32 stepper, плененный тип whit Stepper мотора винт руководства, когда ротор бежать CW или CCW, винт руководства пойдет forword или backword. в то же время, вращать воли руководства.
плененный вал: идущий режим вверх и вниз идущей тяги, (верхний винт мотора использован для того чтобы исправить ваша структура, и может также быть подгонян для других методов установки)
Угол шага мотора 7,5 градуса (могут также быть 15 градусов)
Например:
угол шага мотора stepper 7,5 градуса, водит тангаж 0.6096mm, когда мотор stepper поворачивает один шаг, руководство двигает 0.0127mm для каждого шага шагая мотора (конечно, когда вы выбираете различные тангаж руководства и угол шага, мы можем порекомендовать его согласно вашим потребностям использования
Этот продукт запатентованный продукт компании. Он преобразовывает вращение мотора в линейное движение через относительное движение внутреннего ротора и винта. Он главным образом использован в управлении клапана, автоматических кнопках, медицинском оборудовании, машинах ткани, роботах и других родственных полях.
В то же время, внешняя связывая проволокой часть может использовать 4 терминальных столба (светлые штыри) или прошивочные провода, или PCB FPC FFC, etc. согласно требованиям клиента.
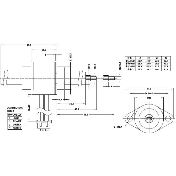
Часть выхода линейная.
Технические спецификации параметра Stepper мотора
| Название продукта |
мотор 20mm линейный stepper |
| Модель | Плененный мотор вкладыша вала SM20-32 stepper |
| Сопротивление | 13Ω±10% |
| Напряжение тока | 5V |
| Вытяните внутри частоту | 300PPS |
| Типичная тяга | 20N |
| индуктивность | 6.5REF (mH) |
| Устанавливать апертуру | φ3.7mm (через отверстие) |
| Осевая высота | 32 mm (ориентированный на заказчика) |
| Класс Insalution | B |
| Wrie руководства | UL 1061 AWG26 |
| Обслуживание OEM & ODM | ДОСТУПНЫЙ |
Кривая силы тяги мотора:

Мотор вне рисуя:

винт руководства линейного привода вала DC 5V плененный

Наша команда имеет больше чем 10 лет дизайна stepper мотора, развития и опыта изготовления продукции, поэтому мы можем достигнуть совершенствованих продукций и вспомогательного дизайна согласно особенным потребностям клиентов!
Потребности клиента наши усилия, пожалуйста чувствуют свободными связаться мы!

Techology Ltd. мотора Vic-техника Changzhou профессиональные изготовители и научного исследования, предназначенный в безщеточном развитии мотора, решениях применения мотора общих, и обработке и производстве мотора. Наша компания расположена в „городе китайского микро- мотора“ провинция Changzhou, Цзянсу. С красивым пейзажем и удобным движением, только 1 km далеко от скоростной дороги, 2 km далеко от железнодорожного вокзала, 15 km далеко от аэропорта. Changzhou между 2 cosmopolises, Шанхаем и Нанкин, только 100km далеко от обоих городов. Удобные снабжения и своевременная информация обеспечивают условия для нашего высокого эффективного и сытного обслуживания. Наша компания имеет опыт исследуя и превращаясь мотора над sereval десятилетиями, и мы имеем нашу собственную превращаясь команду с опытными профессиональными инженерами и электрическими специалистами. С емкостью конструировать новые продукты, обеспечить ralted решения основанные на требованиях к клиентов специфических (включая механическая структура, управление привода, параметры etc. мотора) в то же время, мы имеем изготовитель 4 в Шэньчжэне, Changzhou и Dongguan для произведения stepper моторов, моторов постоянн-магнита, микро- моторов, и моторов DC, и все них проходили ISO9001: международное удостоверение подлинности качественной системы 2008. Мы имеем достаточную возможность для ваших больших заказов.
Упаковывая и грузя информация:

Упаковка: одиночные коробка/коробка пакуя, размер коробки упаковки образца: 28*17*16cm
Упаковка согласно количеству
Грузя время:
DHL: 5~7 рабочих дней;
UPS: 5~7 рабочих дней;
TNT: 5~7 рабочих дней;
Federal Express: 7~9 рабочих дней;
EMS: 12~15 рабочих дней;
Столб Китая: Зависит от которую страну она отправлен в;
Море: зависит от которой стране корабль идет к
