Мотор плененного неподвижного вида большой тяги 20mm линейный stepper с трапецоидальным винтом
Это мотор плененного вала 20mm линейный stepper.
Мы имеем 3 разного вида руководства привинчиваем для вас для выбора:
Одиночное начало, двойные начала и 4 начала.
Тангаж винта руководства это же: 0,6096 mm
Поверх этого, мы имеем различное расстояние перемещения для вас, который нужно выбрать:
14mm/18mm/25mm/32mm
Параметры:
| Тип мотора | Линейный мотор премьер-министра stepper |
| Размер мотора | диаметр 20mm |
| Тип вала | Трапецоидальный винт |
| Тангаж винта руководства | 0,6096 mm |
| Руководство винта руководства | 0.6096mm/1.2192mm/2.4384mm |
| Расклассифицированное напряжение тока | 5~12V |
| Сопротивление катушки | 5~70Ω/phase |
| Угол шага | 7.5°/15° |
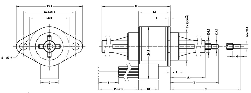
Чертеж дизайна:

Дисплей продукта:

О линейном stepper моторе:
Там различный дизайн:
Плененный вал (неподвижный вид): винт руководства не позволен закрутить, оно может только пойти вверх и вниз, делает движение линейного мотора.
Вал бега-throught (через идя вал): винт руководства может двинуть вверх и вниз закручивая. Когда винт руководства исправлен, не позволить вращать, винт руководства может двинуть вверх спуск, и работу как следует.
Внешний привод (с гайкой): Винт руководства исправлен, не может двинуть вверх и вниз, он может только закрутить, и гайка на винте руководства, который нужно двинуть вверх и вниз.
О винте руководства и длине шага:
Мы имеем 2 типа угла шага: 15°and 7.5°. Моторы с углом шага 15° предпринимают меры 24 для одного поворота, и моторы с углом шага 7.5° предпринимают меры 48 для поворота.
Мы имеем 3 типа руководства винта руководства, с одиночными началами начала/doule и 4 началами.
Тангаж это же: 0.6096mm
Lead=starts*pitch винта руководства
Для примеров, для винта руководства 2 начал, приведите 2*0.6096=1.2192mm
Длина шага мотора, винт руководства расстояния/гайка путешествует когда мотор предпринимает меры один.
Руководство/шаги винта length=lead шага мотора для каждого поворота
Для примеров, для винта руководства 2 начал, угол шага 7.5°,
Шаг length=lead/24=1.2192/24=0.0508mm/step
О тяге:
Тяга связана с частотой водителя и руководством винта руководства, stepper углом и размером мотора.
Размер больше мотора, тяга больше.
Ниже частота оно получают, что, едет на автомобиле поворачивает медленное, и тяга больше.
Более низкое руководство винта руководства, тяга больше.
7,5 градуса шагают угол будут иметь более высокую тягу сравненный до 15 градусов.
Применение stepper моторов:
Stepper моторы использованы для точного контроля, широко использованный на медицинском оборудовании, принтере 3D, промышленном точном контроле, оборудовании автоматизации, etc.
Stepper моторы можно использовать в любых conrtol требованию к механизмов точном и вращательном/линейном движении.
Преимущество stepper моторов:
Stepper мотор может достигнуть точный контроль даже без кодировщиков конц-петли/без системы питания назад, также почищенные щеткой они не имеет электрическое. Таким образом никакие электромагнитного вопросы взаимодействия и электрических искр. В некоторых случаях, они могут заменить DC почистили моторы щеткой моторов безщеточные.
Stepper моторы легки для того чтобы контролировать с водителями, и этой особенностью установить свое важное положение в поле точного контроля.
1. Точный контроль достижимый, programmable
2. Без электромагнитного взаимодействия & электрических искр
3. Небольшой размер
4. Умеренная цена
5. Малошумный
6. Длинный срок службы

Упаковывая и грузя информация:
Образцы упакованы с губкой пены внутри бумажной коробки.
Для массового производства, продукты упакованы в коробке бумаги.
Для доставки моря (массового производства), коробки упакованы на паллете.
Грузя время:
срочным (UPS/Federal Express TNT DHL): 5~12 дня
4PX срочным: 10~20 дней
Доставка моря: 40~60 дней (зависит от различных стран)