Базовая платина сползая платформу, перемещение 16mm/21mm, ручной линейный этап
Характеристики продукта
1. Структура тонка и может быть установлена в узкое положение.
2. Затяните фиксируя блок с винтом.
3. Его можно использовать в случаях где точность очень не хороша.
Параметры продукта:
|
Вопрос |
Цапфа проводника |
Переключатель ручки |
Подающий червяк |
|||
|
материальное качество |
поверхностное покрытие |
материальное качество |
твердость |
поверхностное покрытие |
Текстура материала |
материальное качество |
|
AI6063 |
черный анодировать |
GCr15 (нося сталь) |
HRC56 |
Хромий твердости |
нержавеющая сталь 0Cr18Ni 9(304) |
нержавеющая сталь 0Cr18Ni 9(304) |
Детали продукта модельные:
|
Модель |
Таблица скольжения (mm) |
Максимальное перемещение (mm) |
Z (mm) |
B (mm) |
Допустимый уровень нагрузки (n) |
вес (g) |
|
PT20-16 |
20*20 |
16 |
8 |
66 |
19,6 |
60 |
|
PT20-21 |
21 |
10,5 |
71 |
19,6 |
70 |
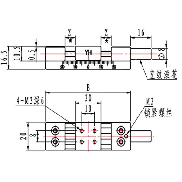
Карта размера продукта

Для фиксированных размеров устанавливая отверстия таблицы скольжения, пожалуйста см. чертеж размера базовой платины.
1. Размеры при установке в среднее положение.
2. Смещение 0.7mm когда ручка вращана раз.
Параметры опорного плитя:
|
Модель |
(Mm) |
B (mm) |
|
PT20-16 |
51 |
56 |
|
PT20-21 |
66 |
71 |

Ручной линейный этап, x платформа оси линейная сползая, базовая платина сползая платформу
Линейные рельсы скольжения вообще составлены ведущих брусьев, слайдеров, реверсоров, свертывая тел и стопорных устройств. Стальные шарики между ведущими брусьями свертывают вместо сразу сползая контакта. И свертывая элементы могут осуществить бесконечную циркуляцию в raceway и слайдер с помощью реверсору. Он имеет преимущества простой структуры, небольшой динамики и статического коэффициента трением, высокой располагая точности, и хорошего удерживания точности.
Должный к превосходным характеристикам точности линейных проводников, своя область применения начинала расширять от традиционного промышленного оборудования. В последние годы, линейные проводники постепенно начинали быть использованным в оптических инструментах; например, фокусируя механизмы, механизмы компенсации движения изображения, механизмы плоскости изображения просматривая и другие механизмы которые требуют reciprocating линейное движение часто использованы в линейных парах проводника.
Платформа ручного перевода состоит из мобильной платформы и фиксированный подшипник ведущего бруса платформы a или линейных установлен для обеспечения линейного движения между таблицей ручного перевода и фиксированной таблицей. Выбор ведущего бруса сразу влияет на представление таблицы ручного перевода.