X этапы перевода оси ручные линейные сползая, перемещение PT110 13mm - 13 - 34CL
Этап ручного перевода может обеспечить клиентов с обычной регулировкой перевода, и может также снабдить прецизионную установку уровень микрона и уровень нанометра. Его можно приложить к регулировке стекловолокна, оптически системе регулировки двигателя, биологическому инженерству, микроэлектронике и другим полям. Наша компания имеет превосходную проектную группу, которая может предусмотреть изготовление на заказ этой серии продуктов согласно потребностям клиента.
Характеристики продукта
■Главный материал алюминиевый сплав, поверхность окисленная черная обработка, высокопрочное, хорошее сопротивление носки, красивое возникновение.
• Пара измельченной резьбы помещена в центре таблицы лотка для легкой деятельности.
• Используйте возвращение весны для того чтобы исключить зазор в осевом направлении.
• Отверстия установки со стандартным дистанционированием на таблице и основанием для легких установки и комбинации, и больше фирмы.
• Смогите быть совмещено с другими продуктами во многомерную таблицу регулировки.
Параметры продукта:
|
Номер деталя |
PT110-13-34CL |
|
Ряд перемещения |
13mm |
|
Тип привода |
Винты прецизионной установки в стороне |
|
Проводник перемещения |
Шарикоподшипники |
|
Платформа |
× 34mm 34mm |
|
Параллелизм |
30μm |
|
Прямота |
20μm |
|
Управлять параллелизмом |
30μm |
|
Минимум регулирует расстояние |
1μm |
|
Засмолка |
80" |
| Проводить разворот по курсу | 60 ″ |
|
Материал – финиш |
Алюминиевый Черно-анодированный сплав - |
|
Емкость нагрузки |
2Kgs |
|
Вес |
0.07kgs |
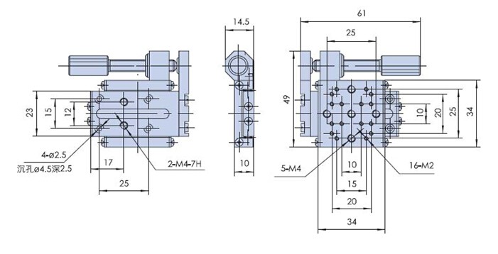
Карта размера продукта
