Твердая замена РИ58-Д1024АИ кодировщика выхода С58 екстернал 58мм вала 10мм пушпульная
Почему выберите нас?
Бренд ХЭНГСИАНГ--Благонадежный партнер
Одобренный КЭ--адвантагед качество продукции;
Быстрая доставка--сильная способность продукта запаса;
Фабрика сразу обеспечивает конкурентоспособную цену;
Универсальное обслуживание--для вашего эффективного покупая опыта;
Принятый дизайн ОЭМ--подгонянный дизайн, ваш собственный принятый бренд.
Номер детали С58 вы хотел были бы выбрать:
С58-Д3Ф1024Б10
С58-Т3Ф2048Б9.52
С58-Т3Н2500Б10
С58-Д3Н4096Б9.54
С58-К3В5000
С58-К3К7200Б10
С58-К6К10000Б8
С58-К6К20000Б10
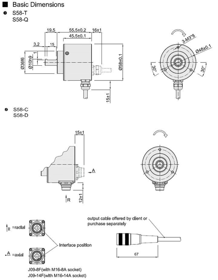
Таблица параметра для твердого кодировщика вала С58
| Бренд | ХЭНГСИАНГ | ||
| Тип кодировщика | Дифференциальный кодировщик | ||
| Внешний диаметр | 58мм | ||
| Толщина | 46мм | ||
| Размер установки | диаметр 48мм | ||
| Длина вала | 19.5мм | ||
| Тип выхода | Кабель вне от задней части | ||
| Кабель вне от стороны | |||
| Гнездо вне от стороны | |||
| Гнездо вне от задней части | |||
| Режим выхода | Выход открытой цепи сборника НПН | ||
| Выход напряжения тока | |||
| Пушпульный выход | |||
| Выход разницы | Привод длинной очереди (26ЛС31) | ||
| совместимое РС422 | |||
| Привод длинной очереди (РТ7272) | |||
| Ранг защиты | ИП50; ИП65 | ||
| Длина кабеля | 1М (длина кабеля смогла быть добавлена соотвественно мимо | ||
| требуйте, только оно оплата потребности индивидуально) | |||
| Течение потребления | 100мА МАКС | ||
| Верхняя частота ответа | 300КХЗ | ||
| Позволяемая пульсация | ≤3%рмс | ||
| Напряжение на зажимах | ≤ДК30В | ||
| Прочность изоляции | АК500В 60с | ||
| Сопротивление изоляции | 10МΩ | ||
| ГНД | не соединиться с кодировщиком | ||

Соединяясь соединяя номер детали:
Некоторые применения которые вы можете для использования соединения соединить кодировщик с валом мотора, там немного подсказок для того чтобы выбрать тип соединения
1 вам нужно рассматривать величину и природу необходимого переданного вращающего момента, требования для амортизировать и амортизировать функции, и может ли резонанс произойти.
2 вам также нужно думать о степени относительного смещения 2 осей оси причиненных путем ошибки изготовлять и собрания, загрузка вала и деформация теплового расширения, и относительное движение между компонентами.
3 относительно применимых размеров и методов установки, облегчить собрание, регулировку и обслуживание необходимого работая космоса. Для больших соединений, должно быть возможно демонтировать вал без аксиального перемещения.
4. К тому же, рассмотрение следует дать рабочей Среде, сроку службы, и смазке, запечатыванию, и экономическим ситуациям. См. различные характеристики соединения и выберите соответствующий тип соединения.
5. Здесь некоторый соединяя номер детали, пожалуйста осторожно проверяет перед приказывать.
4Х4
6Х6
6Х8
8Х8
8Х10
6М6
6М8
8М8
8М10