Подшипник тяги коробки передач ржавчины шарикоподшипников тяги быстрого хода анти-
.
Морской подшипник тяги, Декриптион,
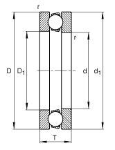
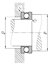
Одиночные шарикоподшипники тяги направления имеют 2 шайбы, с калиброванными расевайс, погнутость расевайс немножко больше. Чем это из шарика, из 2 вахсерс, одно вашер& вала другое одно расквартировывает шайбу. Скважина вахсвер вала дя& вала скважина вахсер снабжения жилищем немножко больше чем эта из шайбы вала.
Спефикатион, подшипник тяги коробки передач ржавчины шарикоподшипников тяги быстрого хода анти-
| Параметр 51305 | ||||||||||||||
| д | Д | Т | Д1 | Да максимальный | д1 | минута да | Ра максимальный | рмин | м | Ка | Коа | М | нГ | Куа |
| 30 | 47 | 11 | 32 | 37 | 47 | 40 | 0,6 | 0,6 | 0,063 | 19000 | 40000 | 0,0090 | 5600 | 1770 |
![]() ![]() ![]() |
||||||||||||||
| Материал | Kроме Стел, нержавеющее, сталь углерода |
| Точность | П0=АБЭК-1, П2=АБЭК-9, П4=АБЭК, П5=АБЭК-5, П6=АБЭК-3 |
| Стандартный | ДИН, ГБ, ИСО, ДЖИС, БА, АНСИ |
| Ранг | СУС201, СУС304, СУС316, А2-70, А2-80, 4,8 6,8 8,8 10,9 12,9 |
| Уровень шума | ЭМКВ1 З2, ЭМК В2З3, ЭМКВ3З4, ЭМКЗ4В4 |
Больше модели подшипника,
| Носить номер | д | Д | В | Вес |
| 51105 | 25 | 42 | 11 | 0,056 |
| 51106 | 30 | 47 | 11 | 0,06 |
| 51107 | 35 | 52 | 12 | 0,066 |
| 51108 | 40 | 60 | 13 | 0,12 |
| 51109 | 45 | 65 | 14 | 0,15 |
| 51110 | 50 | 70 | 14 | 0,16 |
| 51111 | 55 | 78 | 16 | 0,24 |
| 51112 | 60 | 85 | 17 | 0,29 |
Шоу изображений продукта,

51106 51107 51108 51109 51110 51111 51112 51105 толкнули шарикоподшипники, нержавеющий подшипник тяги, радиальный подшипник тяги
1. Стандартная упаковка индустрии.
2. Определите паллет водоустойчивой твердости наружный картон+ цвета бокс+ ПП баг+ одиночной
3. Или согласовывающ требование от клиента.

51100 51101 51102 51103 51104 51105 толкнули шарикоподшипники, одиночные шарикоподшипники тяги направления, упорные шариковые подшипники
1. Там поддерживают ДХЛ, УПС, ТНТ, Федерал Экспресс, воздух ЭМС. .бы или море дверью к двери принимая о 3-5дайс, для того чтобы ясная таможня.
2. Или согласно клиенту для того чтобы аранжировать пересылку.
3. Для оплаты, мы поддерживаем РМБ, папское, западное соединение, Т/Т или оплату онлайн.
Если вам, то приветствуйте свяжитесь мы для списка цен на товары.