Легкое подшипника тяги 52307 высокой точности одиночные малошумное для установки
Шарикоподшипник тяги НТН, описание,
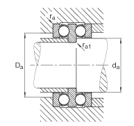
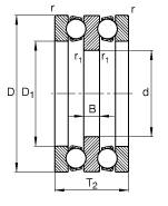
1. 52232 толкнутый шарикоподшипник состоит из 3 частей, вала и шайбы снабжения жилищем которые имеют кольцевые проточки в их и проарретированного собрания шарикоподшипника которое прослоено между ими. Собрание и установка простая деятельность по мере того как части отдельны. Они поддерживают аксиальные нагрузки в одном направлении. Обеспечены, что в скважине одного из расевайс учитывает зазор алигмент.
2. Если вам нужно этот тип толкнуть беарин шарика или виды ролика, то шарикоподшипник, гостеприимсво свяжется мы для списка цен на товары.
Серия дюйма шарикоподшипника тяги, спецификация,
| Параметр 52232 | ||||||||||||||||
| д | Д | Т2 | Б | Д1 | Да максимальный | да максимальный | минута р1 | Ра максимальный | ра1 максимальное | минута р | м | Ка | Коа | М | нГ | Куа |
| 30 | 68 | 44 | 10 | 37 | 48 | 35 | 0,3 | 1 | 0,3 | 1 | 0,63 | 50000 | 88000 | 0,05 | 3600 | 3900 |
![]() ![]() ![]() |
||||||||||||||||
| Материал | Kроме Стел, нержавеющее, сталь углерода |
| Точность | П0=АБЭК-1, П2=АБЭК-9, П4=АБЭК, П5=АБЭК-5, П6=АБЭК-3 |
| Стандартный | ДИН, ГБ, ИСО, ДЖИС, БА, АНСИ |
| Ранг | СУС201, СУС304, СУС316, А2-70, А2-80, 4,8 6,8 8,8 10,9 12,9 |
| Уровень шума | ЭМКВ1 З2, ЭМК В2З3, ЭМКВ3З4, ЭМКЗ4В4 |
| Носить номер | д | Д | В | Вес |
| 52307 | 35 | 68 | 44 | 0,71 |
| 52308 | 40 | 78 | 49 | 1,06 |
| 52309 | 45 | 85 | 32 | 1,26 |
| 52310 | 50 | 95 | 58 | 1,68 |
| 52311 | 55 | 105 | 64 | 2,5 |
| 52312 | 60 | 110 | 64 | 1,57 |
| 52313 | 65 | 115 | 65 | 2,9 |
| 52230 | 150 | 215 | 89 | 10,4 |
| 52216 | 80 | 115 | 48 | 1,73 |

52307 52308 52309 52310 52311 52312 52313 толкнули шарикоподшипники, одиночный подшипник тяги
1. Стандартная упаковка индустрии.
2. Определите паллет водоустойчивой твердости наружный картон+ цвета бокс+ ПП баг+ одиночной
3. Или согласовывающ требование от клиента.

52307 52308 52309 52310 52311 52312 52313 толкнули шарикоподшипники, одиночный подшипник тяги
1. Там поддерживают ДХЛ, УПС, ТНТ, Федерал Экспресс, воздух ЭМС. .бы или море дверью к двери принимая о 3-5дайс, для того чтобы ясная таможня.
2. Или согласно клиенту для того чтобы аранжировать пересылку.
3. Для оплаты, мы поддерживаем РМБ, папское, западное соединение, Т/Т или оплату онлайн.
Если вам, то приветствуйте свяжитесь мы для цены.