Тип одно кулачок подшашки CKN пути нося транспортер
Введение продукции
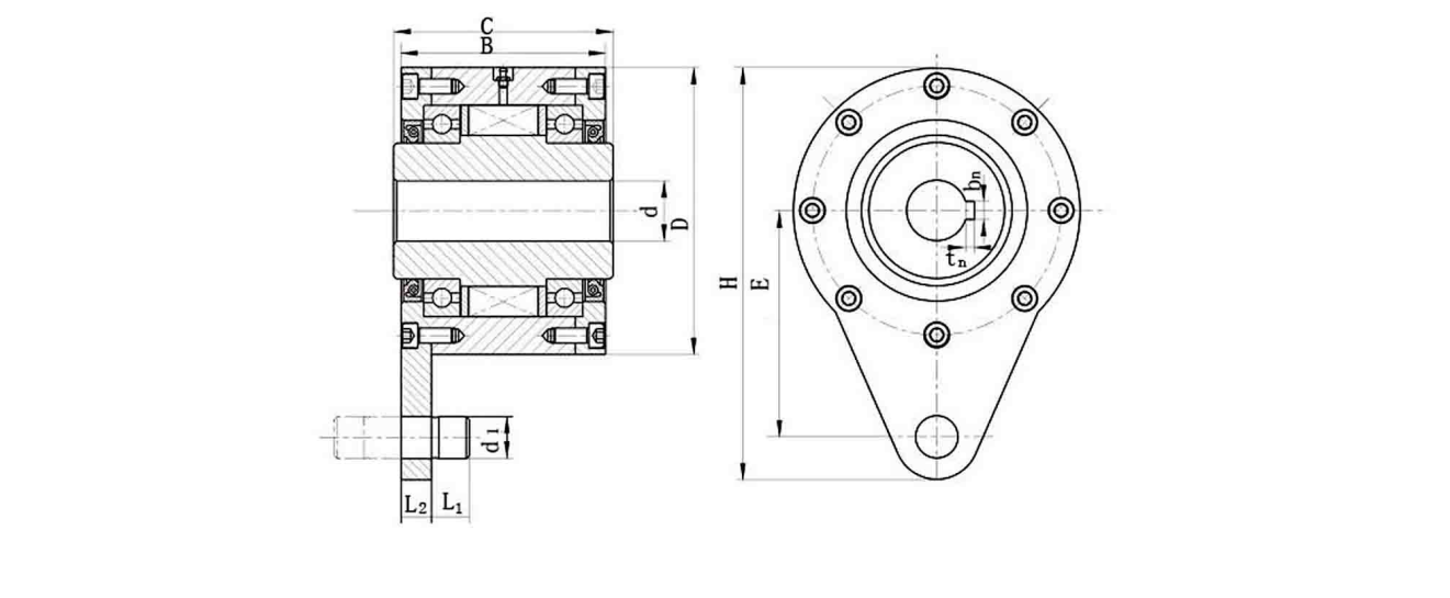
Модель CKN типа клин односторонняя муфта с поддержкой подшипника и уплотнением масла.
Крышка конца которая передает вращающий момент и штырь стопа установленный на его должен быть интегрирован с отверстием на стене работая машины, и соответствуя зазор между штырем стопа и отверстием 1% из диаметра штыря стопа.
Крышка конца собрана, и потребитель может выбрать направление вращения.
Эта модель главным образом соответствующая для анти--обратных функций, как ленточные транспортеры и ковшовые элеваторы
Серия CKN для того чтобы freewheel включающ 62. серия нося, тавот-смазанный само-центризовать, и приходит с предохранением от воды эта модель оборудована со шпоночным соединением на внутренней гонке и должна быть приспособлена на валы допуска k6. Штуцер места необходимо унести с N6 пользуясь ключом допуск. Серия построена с зазором C5 который поворачивает в нормальный зазор после пользоваться ключом. Гонки можно склеить к валу и месту. В этом случае, зазор остается C5.
введение технологии 1.Germany
техническая команда 2.Core
фабрика изготовления 3.Professional
поддержка оборудования 4.Superior
5.OEM/изготовление на заказ доступное
| ТИП |
РАСКЛАССИФИЦИРОВАННЫЙ ВРАЩАЮЩИЙ МОМЕНТ [N·m] |
переливаться через край скорость [r/min] |
РАЗМЕР |
ВЕС [kg] |
|||||||||
|
d [H7] |
D | C | E | H | L1 | L2 | d1 | bn×tn | |||||
| CKN1262 | 44 | 1200 | 12 | 62 | 42 | 44 | 44 | 91 | 10 | 14 | 10 | 4×1.8 | 1,40 |
| CKN1568 | 100 | 1200 | 15 | 68 | 52 | 54 | 47 | 93 | 10 | 14 | 10 | 5×2.3 | 1,80 |
| CKN2075 | 145 | 1000 | 20 | 75 | 58 | 60 | 54 | 109,5 | 10 | 14 | 12 | 6×2.8 | 2,30 |
| CKN2590 | 230 | 900 | 25 | 90 | 60 | 62 | 62 | 129 | 14 | 18 | 16 | 8×3.3 | 3,40 |
| CKN30100 | 400 | 800 | 30 | 100 | 68 | 70 | 68 | 142 | 14 | 18 | 16 | 10×3.3 | 4,50 |
| CKN35110 | 580 | 700 | 35 | 110 | 74 | 76 | 78 | 157 | 18 | 22 | 20 | 10×3.3 | 5,60 |
| CKN40125 | 820 | 600 | 40 | 125 | 86 | 88 | 85 | 174,5 | 18 | 22 | 20 | 12×3.3 | 8,50 |
| CKN45130 | 900 | 600 | 45 | 130 | 86 | 88 | 90 | 180 | 22 | 26 | 25 | 14×3.8 | 8,90 |
| CKN50150 | 1700 | 500 | 50 | 150 | 94 | 96 | 102 | 210 | 22 | 26 | 25 | 16×4.3 | 12,8 |
| CKN55160 | 2100 | 500 | 55 | 160 | 104 | 106 | 108 | 222 | 25 | 30 | 32 | 16×4.3 | 16,2 |
| CKN60170 | 2800 | 400 | 60 | 170 | 114 | 116 | 112 | 230 | 25 | 30 | 32 | 18×4.4 | 19,3 |
| CKN70190 | 4600 | 400 | 70 | 190 | 134 | 136 | 135 | 270 | 30 | 35 | 38 | 20×4.9 | 23,5 |
| CKN80210 | 6800 | 300 | 80 | 210 | 144 | 146 | 145 | 290 | 30 | 35 | 38 | 22×5.4 | 32,0 |
| CKN90230 | 11600 | 300 | 90 | 230 | 158 | 160 | 155 | 320 | 40 | 45 | 50 | 25×5.4 | 47,2 |
