стена 4P 32A IP67 погодостойкая установила штепсельную розетку с номером детали 1206 наклонения гнезд красной крышки промышленным
Описание:
Испытание IP67 придает непроницаемость что ГИПЕР промышленные продукты штепсельных вилок и гнезд идеальны в применениях еды и напитка
Для применений еды и напитка с высокими спросами на очищать его смогите быть трудный для обнаружения штепсельных вилок и гнезд которые могут выдержать и высокое давление, высокотемпературные спуски брызг и химические тензиды используемые для того чтобы держать окружающую среду как чистый как для этого нужно быть. Хорошо, некоторые из наших долгосрочных клиентов знают решение: Наши самые жесткие продукты хорошо доказаны в этих вид окружающих сред.
Номер детали 1206
Параметр метода:
| Настоящий | Поляки | 110V 50a.60Hz | 230V 50a.60Hz | 400V 50a.60Hz | 400-440V | 500V 50a.60Hz | >50-500V 100-300Hz | >50-500V a.300-500Hz | Блок пакета | Вес |
| 3P 4P 5P 4h 4h 4h | 3P 4P 5P 6h 9h 9h | 3P 4P 5P 9h 6h 6h | 4P 3h | 3P 4P 5P 7h 7h 7h | 3P 4P 5P 10h 10h 10h | 3P 4P 5P 2h 2h 2h | PCS/BOX | G/PC | ||
| 32A | 3 | 1201 | 1202 | 1203 | 10 | 374 | ||||
| 4 | 1204 | 1205 | 1206 | 2644 | 1207 | 1214 | 1215 | 10 | 393 | |
| 5 | 1208 | 1209 | 1210 | 10 | 451 |
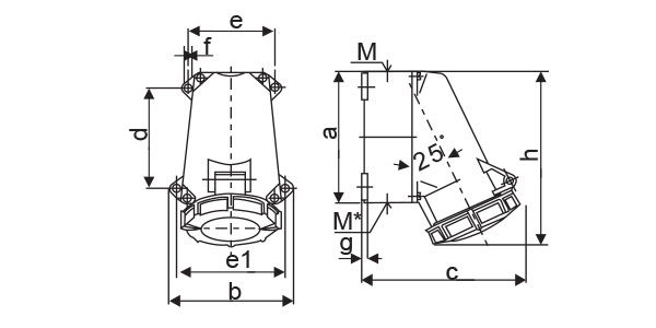
| Настоящий | Поляки | a | b | c | d | e | e1 | f | G. | h | M | m* | |
| 32A | 3 | 120 | 112 | 143 | 90,2 | 79 | 98,5 | 5,5 | 5 | 160 | 32 | смогите использовать 1PC ЖЕЛЕЗА КАБЕЛЯ M32 | |
| 4 | 120 | 112 | 143 | 90,2 | 79 | 98,5 | 5,5 | 5 | 160 | 32 | |||
| 5 | 120 | 112 | 150 | 90,2 | 79 | 98,5 | 5,5 | 5 | 160 | 32 | |||
| Минута площади поперечного сечения проводника (² mm) к Макс 4-6 | |||||||||||||
Размер продукта:
