стена 4P 63A IP44 Rainproof установила штепсельную розетку с номером детали 1141 наклонения гнезда красной крышки промышленным
Описание:
Высококачественное, вместе с результатами крепкими дизайна в разряд продукта которые идеальны для сверхмощных применений. Клиенты также оценивают их функциональность, надежность и безопасность.
Номер детали 1141
Параметр метода:
| Настоящий | Поляки | 110V 50a.60Hz | 230V 50a.60Hz | 400V 50a.60Hz | 500V 50a.60Hz | >50-500V 100-300Hz | >50-500V a.300-500Hz | Блок пакета | Вес |
| 3P 4P 5P 4h 4h 4h | 3P 4P 5P 6h 9h 9h | 3P 4P 5P 9h 6h 6h | 3P 4P 5P 7h 7h 7h | 3P 4P 5P 10h 10h 10h | 3P 4P 5P 2h 2h 2h | PCS/BOX | G/PC | ||
| 63A | 3 | 1136 | 1137 | 1138 | 5 | 857 | |||
| 4 | 1139 | 1140 | 1141 | 1142 | 5 | 901 | |||
| 5 | 1143 | 1144 | 1145 | 5 | 925 |
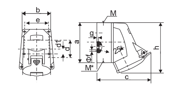
| Настоящий | Поляки | a | b | c | d | e | f | G. | h | M | m* | |
| 63A | 3 | 171 | 157 | 165 | 133 | 108 | 6 | 5 | 216 | 40 | смогите использовать 1PC ЖЕЛЕЗА КАБЕЛЯ M40 | |
| 4 | 171 | 157 | 165 | 133 | 108 | 6 | 5 | 216 | 40 | |||
| 5 | 171 | 157 | 165 | 133 | 108 | 6 | 5 | 216 | 40 | |||
| Минута площади поперечного сечения проводника (² mm) к Макс 10-16 | ||||||||||||
Размер продукта:
