панель сопротивления погоды 4П 63А ИП67 установила номер детали 3656 поколения красной штепсельной вилки штепсельной розетки прямой промышленной 3-ий
Феатруэс:
Параметр метода:
| Настоящий | Поляки | 110В 50а.60Хз |
230В 50а.60Хз |
400В 50а.60Хз |
500В 50а.60Хз |
>50-500В 100-300Хз |
>50-500В а.300-500Хз |
Блок пакета | Вес |
| 3П 4П 5П 4х 4х 4х |
3П 4П 5П 6х 9х 9х |
3П 4П 5П 9х 6х 6х |
3П 4П 5П 7х 7х 7х |
3П 4П 5П 10х 10х 10х |
3П 4П 5П 2х 2х 2х |
ПКС/БОС | Г/ПК | ||
| 63А | 3 | 835 | 836 | 5 | 475 | ||||
| 4 | 3740 | 3656 | 3657 | 5 | 558 | ||||
| 5 | 3658 | 5 | 591 |
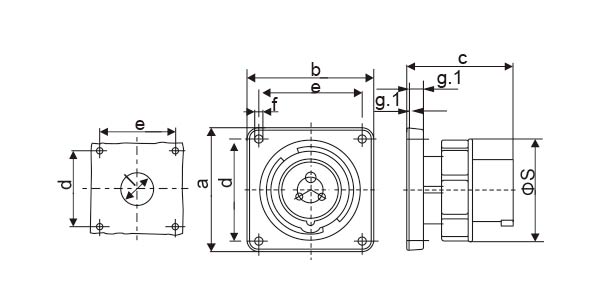
| Настоящий | Поляки | а | б | к | д | е | ф | г | г.1 | л | с | ||||
| 63А | 3 | 110 | 106 | 86 | 90 | 90 | 5,5 | 11 | 2 | 73 | 113 | ||||
| 4 | 110 | 106 | 86 | 90 | 90 | 5,5 | 11 | 2 | 73 | 113 | |||||
| 5 | 110 | 106 | 86 | 90 | 90 | 5,5 | 11 | 2 | 73 | 113 | |||||
| Минута площади поперечного сечения проводника (² мм) к Максу 10-16 | |||||||||||||||
Размер продукта:
