Данные о положительном температурном коэффициенте (PTC)
RF250-1000

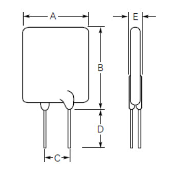
Размеры продукта(мм)
| А. | В. | В | D | Е | |||||
| Минуты | Макс | Минуты | Макс | Минуты | Макс | Минуты | Макс | Минуты | Макс |
| - | 15.0 | - | 23.0 | - | 5.5 | 5.0 | - | 5.1 | - |
РАНТИНГЫ ПЕРФОРМЕНТ
| Я...H | Я...T | Vмаксимум | Я...максимум | ПD TYP | Сопротивление(Ω) | ||
| (А) | (А) | (Vdc) | (А) | (W) | Rминуты | Rмаксимум | R1максимум |
| 1.0 | 2.0 | 250 | 5.0 | 4.0 | 0.30 | 0.60 | 2.0 |
Я...H: Сохранение тока: максимальный ток устройства будет проходить без перерыва в 20°CНеподвижный воздух, если не указано иное.
Я...T: Поездка тока: минимальный токв которомустройствоБудет трогать.в 20°C .
Я...Макс:Максимальный ток устройства может выдерживают без повреждений при номинальном напряжении.
Vmax: Максимальное напряжение, которое устройство может выдержать без повреждения при номинальном токе.
Pd:Типичная PОвер рассеиваетсяион: типичное количество рассеиваемого устройствомкогда в государствовоздушной среды.
RМИН: Минимальное сопротивление устройства 20°C до того, как наступит триппинг..
RМаксимум: Максимальное сопротивление устройства при 20°C до того, как наступит триппинг..
R1maxВ:mмаксимальное сопротивлениеВ соответствии сустройствов 20°C через 1 час после попадания.
Диаграмма термодепрессии IH(А)
| Часть No | Максимальные температуры окружающей среды°C) | |||||||||
| -40 | - 20 | 0 | 20 | 25 | 40 | 50 | 60 | 70 | 85 | |
| RF250-1000 | 1.55 | 1.375 | 1.18 | 1.00 | 0.95 | 0.825 | 0.730 | 0.637 | 0.550 | 0.410 |
