Скважина SL182204 подшипника ролика одиночного полного дополнения строки цилиндрическая прямая
Подшипники ролика одиночного полного дополнения строки цилиндрические имеют твердые наружные и внутренние кольца вместе с нервюр-направленными цилиндрическими роликами. В виду того что эти подшипники имеют номер как можно большего свертывая элементов, они имеют весьма высокую радиальную емкость обремененную заботами, высокую ригидность и соответствующие для особенно компактных дизайнов. Должный к кинематическим условиям, однако, они не достигают быстрых ходов которые возможны при использовании цилиндрических подшипников ролика с клеткой.
Подшипники ролика одиночного полного дополнения строки цилиндрические в форме полу-размещая подшипников.
Полу-размещать подшипники:
Полу-размещающ подшипники доступный в одиночном дизайне строки как SL1818 (серия 18 размера), SL1829 (серия 29 размера), SL1830 (серия 30 размера), SL1822 (серия 22 размера) и SL1923 (серия 23 размера). Они могут поддержать не только высокие радиальные силы но также осевые силы в одном направлении и могут поэтому направить валы осев в одно направление. Они действуют как не-размещая подшипники в противоположном направлении.
Серия SL1923 имеет только одну нервюру на внутреннем кольце и само-сохраняя свертывая наборе элемента. В результате внутреннее кольцо можно извлечь из подшипника. Это делает приспособление и разбирать значительно легкого.
Запечатывание:
Цилиндрические подшипники ролика поставлены в открытом дизайне.
Смазка:
Они не поставлены смазанный и могут быть смазаны с маслом или тавотом через конечные грани.
Рабочая температура:
Подшипники ролика полного дополнения цилиндрические соответствующие для рабочих температур от – °C 30 к +120 °C.
MOUETTE предлагает больше таблиц взаимообмена, подшипник ролика сигареты цилиндрический, подшипники ролика nsk цилиндрические, timken цилиндрический подшипник ролика, подшипник ролика ina цилиндрический.
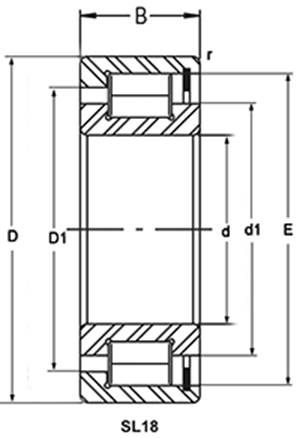
Детали серии подшипников ролика SL1822 одиночного полного дополнения строки цилиндрические:
| Носить код | Размеры | Нагружая оценка | Ограничиваясь скорость | Масса | ||||||||||
| d | D | B | d1 | D1 | E | s | rmin | Dyn. | Stat. | Предельная нагрузка усталости | Ограничиваясь скорость | Скорость ссылки | ||
| Cr | Cor | Дворняжка | nG | N.B. | ||||||||||
| mm | KN | rpm | kg | |||||||||||
| SL182204 | 20 | 47 | 18 | 30,3 | 36,9 | 41,47 | 1 | 1 | 45,5 | 37 | 6,1 | 9700 | 6500 | 0,16 |
| SL182205 | 25 | 52 | 18 | 35,5 | 41,9 | 46,52 | 1 | 1 | 51 | 44,5 | 7,4 | 8400 | 5500 | 0,18 |
| SL182206 | 30 | 62 | 20 | 42 | 50,6 | 55,19 | 1 | 1 | 70 | 64 | 10,2 | 7000 | 4550 | 0,3 |
| SL182207 | 35 | 72 | 23 | 47 | 59,3 | 63,97 | 1 | 1,1 | 88 | 78 | 12,7 | 6100 | 4250 | 0,44 |
| SL182208 | 40 | 80 | 23 | 54 | 66,3 | 70,94 | 1 | 1,1 | 97 | 91 | 14,9 | 5400 | 3650 | 0,55 |
| SL182209 | 45 | 85 | 23 | 57,5 | 69,8 | 74,43 | 1 | 1,1 | 101 | 98 | 16 | 5100 | 3450 | 0,59 |
| SL182210 | 50 | 90 | 23 | 64,4 | 76,7 | 81,4 | 1 | 1,1 | 109 | 111 | 18,1 | 4600 | 3000 | 0,64 |
| SL182211 | 55 | 100 | 25 | 70 | 84,1 | 88,81 | 1 | 1,5 | 140 | 148 | 25 | 4200 | 2700 | 0,87 |
| SL182212 | 60 | 110 | 28 | 76,8 | 93,9 | 99,17 | 1,5 | 1,5 | 169 | 176 | 31 | 3800 | 2550 | 1,18 |
| SL182213 | 65 | 120 | 31 | 82,3 | 100,7 | 106,25 | 1,5 | 1,5 | 198 | 210 | 37 | 3550 | 2480 | 1,57 |
| SL182214 | 70 | 125 | 31 | 87 | 105,2 | 111,45 | 1,5 | 1,5 | 181 | 223 | 32 | 3350 | 2340 | 1,66 |
| SL182215 | 75 | 130 | 31 | 91,8 | 110 | 116,2 | 1,5 | 1,5 | 187 | 236 | 33,5 | 3200 | 2210 | 1,75 |
| SL182216 | 80 | 140 | 33 | 98,6 | 119,3 | 126,3 | 1,5 | 2 | 223 | 280 | 38,5 | 3000 | 2040 | 2,15 |
| SL182217 | 85 | 150 | 36 | 104,4 | 126,3 | 133,75 | 1,5 | 2 | 255 | 320 | 44,5 | 2800 | 2000 | 2,74 |
| SL182218 | 90 | 160 | 40 | 110,2 | 133,3 | 141,15 | 2,5 | 2 | 285 | 365 | 51 | 2650 | 1990 | 3,48 |
| SL182219 | 95 | 170 | 43 | 122 | 147,3 | 155,95 | 2,5 | 2,1 | 330 | 425 | 58 | 2410 | 1780 | 4,17 |
| SL182220 | 100 | 180 | 46 | 127,5 | 154,3 | 163,35 | 2,5 | 2,1 | 390 | 510 | 70 | 2300 | 1700 | 5,13 |
| SL182222 | 110 | 200 | 53 | 137 | 168 | 177,6 | 4 | 2,1 | 450 | 580 | 78 | 2130 | 1720 | 7,24 |
| SL182224 | 120 | 215 | 58 | 150,7 | 183 | 192,9 | 4 | 2,1 | 530 | 720 | 95 | 1950 | 1500 | 9,08 |
| SL182226 | 130 | 230 | 64 | 162,3 | 197 | 207,75 | 5 | 3 | 620 | 850 | 110 | 1810 | 1360 | 11,25 |
| SL182228 | 140 | 250 | 68 | 173,9 | 211,1 | 222,55 | 5 | 3 | 720 | 1000 | 127 | 1690 | 1230 | 14,47 |
| SL182230 | 150 | 270 | 73 | 185,5 | 225,2 | 237,35 | 6 | 3 | 820 | 1160 | 147 | 1580 | 1130 | 18,43 |
| SL182232 | 160 | 290 | 80 | 208,7 | 253,4 | 267,1 | 6 | 3 | 1020 | 1470 | 178 | 1410 | 920 | 23 |
| SL182234 | 170 | 310 | 86 | 220,3 | 267,4 | 281,9 | 7 | 4 | 1140 | 1660 | 199 | 1330 | 870 | 28,65 |
| SL182236 | 180 | 320 | 86 | 232,4 | 279,5 | 294 | 7 | 4 | 1180 | 1760 | 208 | 1270 | 800 | 29,8 |
| SL182238 | 190 | 340 | 92 | 243,5 | 295,5 | 311,5 | 9 | 4 | 1300 | 1900 | 223 | 1210 | 770 | 35,65 |
| SL182240 | 200 | 360 | 98 | 246,6 | 302,4 | 319,4 | 9 | 4 | 1410 | 2010 | 235 | 1180 | 770 | 43,12 |





