Nonlocating нося подшипники ролика SL02 двойной строки цилиндрические 4830 SL02 4848
Носить особенности:
Запечатывание:
Цилиндрические подшипники ролика поставлены в открытом дизайне.
Смазка:
Они не поставлены смазанный и могут быть смазаны с маслом или тавотом через конечные грани.
Рабочая температура:
Подшипники ролика полного дополнения цилиндрические соответствующие для рабочих температур от – °C 30 к +120 °C.
MOUETTE предлагает больше таблиц взаимообмена, подшипник ролика сигареты цилиндрический, подшипники ролика nsk цилиндрические, timken цилиндрический подшипник ролика, подшипник ролика ina цилиндрический.
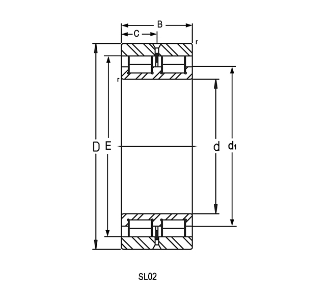
Nonlocating нося подшипники ролика SL02 двойной строки цилиндрические спецификации 48 серий:
| Носить код | Размеры | Нагружая оценка | Ограничиваясь скорость | Масса | |||||||||
| d | D | B | d1 | E | C | r | Dyn. | Stat. | Предельная нагрузка усталости | Ограничиваясь скорость | Скорость ссылки | ||
| Cr | C0r | Дворняжка | nG | N.B. | |||||||||
| mm | KN | rpm | KG | ||||||||||
| SL02 4830 | 150 | 190 | 40 | 166 | 178 | 20 | 2 | 237 | 550 | 61 | 1900 | 1300 | 2,8 |
| SL02 4832 | 160 | 200 | 40 | 174 | 186 | 20 | 1,1 | 243 | 580 | 63 | 1800 | 1200 | 3 |
| SL02 4834 | 170 | 215 | 45 | 187 | 201 | 22,5 | 1,1 | 265 | 620 | 66 | 1700 | 1200 | 3,95 |
| SL02 4836 | 180 | 225 | 45 | 200 | 214 | 22,5 | 1,1 | 275 | 660 | 70 | 1600 | 1100 | 4,15 |
| SL02 4838 | 190 | 240 | 50 | 209 | 225 | 25 | 1,5 | 315 | 750 | 77 | 1500 | 1100 | 5,45 |
| SL02 4840 | 200 | 250 | 50 | 220 | 235 | 25 | 1,5 | 325 | 790 | 80 | 1400 | 1000 | 5,7 |
| SL02 4844 | 220 | 270 | 50 | 241 | 256 | 25 | 1,5 | 340 | 870 | 85 | 1300 | 850 | 6,2 |
| SL02 4848 | 240 | 300 | 60 | 261 | 281 | 30 | 2 | 520 | 1290 | 120 | 1200 | 750 | 9,9 |
| SL02 4852 | 260 | 320 | 60 | 283,5 | 304 | 30 | 2 | 540 | 1400 | 128 | 1100 | 700 | 10,6 |
| SL02 4856 | 280 | 350 | 69 | 308 | 332 | 34,5 | 2 | 710 | 1860 | 163 | 1000 | 600 | 15,6 |
| SL02 4860 | 300 | 380 | 80 | 329 | 356 | 40 | 2,1 | 830 | 2120 | 185 | 950 | 550 | 22 |
| SL02 4864 | 320 | 400 | 80 | 352 | 379 | 40 | 2,1 | 860 | 2280 | 194 | 900 | 500 | 23,5 |
| SL02 4868 | 340 | 420 | 80 | 369 | 396 | 40 | 2,1 | 880 | 2390 | 201 | 850 | 480 | 25 |
| SL02 4872 | 360 | 440 | 80 | 392 | 419 | 40 | 2,1 | 910 | 2550 | 210 | 800 | 440 | 26 |
| SL02 4876 | 380 | 480 | 100 | 421 | 455 | 50 | 2,1 | 1330 | 3550 | 290 | 750 | 400 | 44 |
| SL02 4880 | 400 | 500 | 100 | 435 | 470 | 50 | 2,1 | 1360 | 3700 | 295 | 700 | 380 | 45,8 |





