Размещать носящ цилиндрические подшипники ролика четырехрядное SL12 922 SL12 930 SL12 936
Запечатывание:
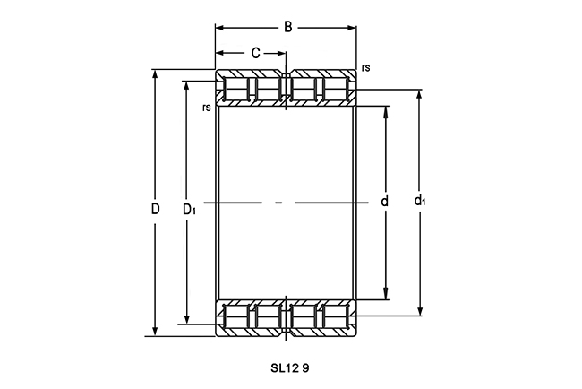
Цилиндрические подшипники ролика поставлены в открытом дизайне.
Смазка:
Они не поставлены смазанный и могут быть смазаны с маслом или тавотом через конечные грани.
Рабочая температура:
Подшипники ролика полного дополнения цилиндрические соответствующие для рабочих температур от – °C 30 к +120 °C.
MOUETTE предлагает больше таблиц взаимообмена, подшипник ролика сигареты цилиндрический, подшипники ролика nsk цилиндрические, timken цилиндрический подшипник ролика, подшипник ролика ina цилиндрический.
Четырехрядные цилиндрические подшипники ролика SL спецификации 12 серий:
|
Носить код |
Размеры | Оценка основной нагружать | Ограничиваясь скорость | Масса | ||||||||
| d | D | B | rmin | C | d1 | D1 | Dyn. | Stat. | Ограничиваясь скорость | Скорость REF. | ||
| Cr | Cor | nG | N.B. | |||||||||
| mm | KN | rpm | kg | |||||||||
| SL12 914 | 70 | 100 | 57 | 1 | 28,5 | 83 | 87 | 177 | 355 | 3800 | 2800 | 1,49 |
| SL12 916 | 80 | 110 | 57 | 1 | 28,5 | 92 | 96 | 188 | 395 | 3400 | 2400 | 1,65 |
| SL12 918 | 90 | 125 | 68 | 1,1 | 34 | 103 | 110 | 255 | 560 | 3000 | 2000 | 2,65 |
| SL12 920 | 100 | 140 | 78 | 1,1 | 39 | 116,5 | 124,5 | 325 | 740 | 2700 | 1800 | 3,85 |
| SL12 922 | 110 | 150 | 78 | 1,1 | 39 | 125 | 133,5 | 340 | 800 | 2500 | 1600 | 4,2 |
| SL12 924 | 120 | 165 | 87 | 1,1 | 43,5 | 139 | 148 | 380 | 880 | 2300 | 1500 | 6,65 |
| SL12 926 | 130 | 180 | 96 | 1,5 | 48 | 149,5 | 159,5 | 445 | 1030 | 2100 | 1300 | 7,55 |
| SL12 928 | 140 | 190 | 96 | 1,5 | 48 | 160 | 170 | 460 | 1100 | 2000 | 1200 | 8,05 |
| SL12 930 | 150 | 210 | 116 | 2 | 58 | 171,5 | 186,5 | 700 | 1640 | 1800 | 1100 | 12,8 |
| SL12 932 | 160 | 220 | 116 | 2 | 58 | 185 | 199,5 | 730 | 1770 | 1700 | 950 | 13,5 |
| SL12 934 | 170 | 230 | 116 | 2 | 58 | 194 | 208,5 | 750 | 1860 | 1600 | 900 | 14,2 |
| SL12 936 | 180 | 250 | 133 | 2 | 66,5 | 206 | 223,5 | 970 | 2410 | 1500 | 800 | 20,7 |
| SL12 938 | 190 | 260 | 133 | 2 | 66,5 | 216 | 233 | 1000 | 2550 | 1400 | 750 | 21,6 |
| SL12 940 | 200 | 280 | 152 | 2,1 | 76 | 231 | 251,5 | 1180 | 2950 | 1400 | 700 | 29,9 |





